电脑桌面
添加小米粒文库到电脑桌面
安装后可以在桌面快捷访问

实验四进位控制与移位运算实验VIP免费

实验四进位控制与移位运算实验_第1页
1/6
实验四进位控制与移位运算实验_第2页
2/6
实验四进位控制与移位运算实验_第3页
3/6
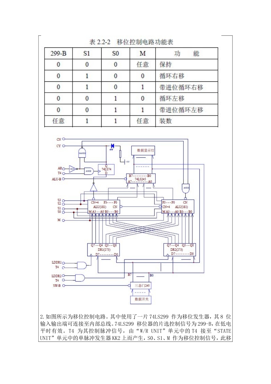
《计算机体系结构》实验报告实验序号:04实验项目名称:进位控制与移位运算实验学号姓名专业、班实验地点文波332指导教师杨光时间一、实验目的(1)了解带进位控制的运算器的组成结构。(2)验证带进位控制的运算器的功能。(3)了解移位发生器74LS299的功能。(4)验证移位控制电路的组合功能。二、实验原理1.如图所示为进位锁存及其显示电路。运算器最高位进位输出C(n+4)连接到一个锁存器(用74LS74实现)的输入端D,锁存器控制端的控制信号AR必须置为低电平,当T4脉冲到来时,进位结果就被锁存到进位锁存器中了,发光二极管这时显示为“灭”。同时也将本次的进位输出结果带进了下次的运算中,作为下次运算的进位输入。2.如图所示为移位控制电路。其中使用了一片74LS299作为移位发生器,其8位输入输出端可连接至内部总线。74LS299移位器的片选控制信号为299-B,在低电平时有效。T4为其控制脉冲信号,由“W/RUNIT”单元中的T4接至“STATEUNIT”单元中的单脉冲发生器KK2上而产生,S0、S1、M作为移位控制信号,此移位控制逻辑功能如表2.2-2所示。三、实验内容与步骤1.(1)按图2.2-4连接实验电路并检查无误。(2)打开电源开关。(3)用输入开关向暂存器DR1和DR2置数,方法同前。(4)关闭数据输入三态门(SW-B=1),打开ALU输出三态门(ALU-B=0),并使LDDR1=0、LDDR2=0,关闭寄存器输入控制门。(5)对进位标志清零。实验系统上“SWITCHUNIT”单元中的CLR开关为标志CY、ZI的清零开关,它为零状态时是清零状态,所以将此开关做1→0→1操作,即可使标志位清零。注意:进位标志指示灯CY亮时表示进位标志为“0”,无进位;标志指示灯CY灭时表示进位为“1”,有进位。(6)验证带进位运算及进位锁存功能。使Cn=1,AR=0,进行带进位算术运算。例如,做加法运算,使ALU-B=0,S3S2S1S0M的状态为1、0、0、1、0,此时数据总线上显示的数据为DR1加DR2加当前进位标志的和,但这时的进位状态位还没有输入进位锁存器中,它是要靠T4节拍来输入的。这个结果是否有进位产生,则要按动微动开关KK2,若进位标志灯亮,则无进位,反之则有进位。因为做加法运算时数据总线一直显示的数据为DR1+DR2+CY,所以当有进位输入到进位锁存器时,总线显示的数据将为加上当前进位锁存器中锁存的进位的结果。2.(1)按图2.2-6连接实验电路并检查无误。(2)打开电源开关。(3)向移位寄存器置数。①拨动输入开关形成二进制数01101011(或其他数值)。②使SWITCHUNIT单元中的开关SW-B=0,打开数据输入三态门。③使S0=1、S1=1,并按动微动开关KK2,则将二进制数01101011置入了移位寄存器。④使SW-B=1,关闭数据输入三态门。(4)移位运算操作。参照表2.2-2中的内容,先将S1、S0置为0、0,检查移位寄存器单元装入的数是否正确,然后通过改变S0、S1、M、299-B的状态,并按动微动开关KK2,观察移位结果。四、实验结果1.按照实验要求操作,用输入开关向暂存器DR1和DR2中分别置数10101010和11100110,二者做加法运算,显示的数值为10010000且CY灯灭,产生进位1。与直接结果相符合,验证实验。2.按照实验要求操作,拨动输入开关形成二进制数01010101,进行移位操作。每次结果与实际移位相同,验证实验。五、分析与讨论通过这次实验,我基本了解了带进位控制的运算器的组成结构;知道了带进位控制的运算器的功能;深入了解了移位发生器74LS299的功能;成功验证了移位控制电路的组合功能。在这次实验中,由前一次实验经验所得,我们很快的上手开始按图连线,再用唐都软件进行测试,串口连接成功。于是开始按步骤进行实验,在操作了一些步骤后,我跟组员发现结果并不正确,进位指示灯并没有发生变化。进一步检查发现是没有对CLR开关进行清零操作,导致结果错误。在重新开始的实验中,我们注意到了一些小的关键的操作步骤,最终成功的看到了实验结果,完成了本次进位控制与移位运算实验。六、教师评语●按时完成实验;●实验内容和过程记录完整;●回答问题完整、正确;●有实验的心得或讨论;成绩●实验报告的撰写认真、格式符合要求.签名:日期:

1、当您付费下载文档后,您只拥有了使用权限,并不意味着购买了版权,文档只能用于自身使用,不得用于其他商业用途(如 [转卖]进行直接盈利或[编辑后售卖]进行间接盈利)。
2、本站所有内容均由合作方或网友上传,本站不对文档的完整性、权威性及其观点立场正确性做任何保证或承诺!文档内容仅供研究参考,付费前请自行鉴别。
3、如文档内容存在违规,或者侵犯商业秘密、侵犯著作权等,请点击“违规举报”。

碎片内容

实验四进位控制与移位运算实验

您可能关注的文档

书海行舟+ 关注
实名认证
内容提供者

热爱教学事业,对互联网知识分享很感兴趣

确认删除?
VIP
微信客服
  • 扫码咨询
会员Q群
  • 会员专属群点击这里加入QQ群
客服邮箱
回到顶部