电脑桌面
添加小米粒文库到电脑桌面
安装后可以在桌面快捷访问

排水工程钢板桩支护方案VIP免费

排水工程钢板桩支护方案_第1页
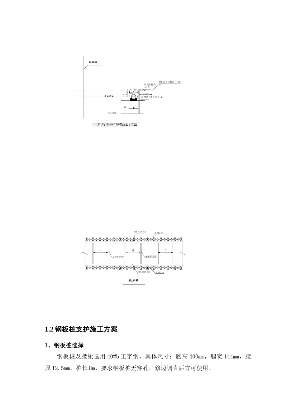
1/7
排水工程钢板桩支护方案_第2页
2/7
排水工程钢板桩支护方案_第3页
3/7
天津国家会展中心基础设施海沽道道路及配套工程一合同(辛柴路-东文南路段)排水工程钢板桩支护施工方案编制:审核:审批:天津第二市政公路工程有限公司国家会展中心基础设施海沽道道路及配套工程(辛柴路-东文南路段)项目部2014年6月6日钢板桩支护方案1.1施工思路根据现场实际情况,我标段计划在k9+695-k9+735北侧(WN11-WN12)段进行管槽开挖试验段,该试验段分上下两部分进行施工,上部分按1:1放坡卸载,卸载1.0m,下部分采用钢板桩支撑直槽开挖,采用8m长钢板桩,钢板桩下端插入土中深度4.5m,基坑两侧钢板桩各设置一道工字刚形式的腰梁,距离桩顶0.7m,水平横支撑采用管径300mm钢管,间距4m,钢板桩支护槽宽:W=D+2t+1.5,(其中D为管径,t为壁厚)水平横支撑逐根加设焊接,与钢板桩焊接牢固。钢板桩支护平面图如下:1.2钢板桩支护施工方案1、钢板桩选择钢板桩及腰梁选用40#b工字钢,具体尺寸:腰高400mm,腿宽144mm,腰厚12.5mm,桩长8m,要求钢板桩无穿孔,修边调直后方可使用。2、施工准备施工前明确沿线地下管线及障碍物,做出记录,在施工时明确各个障碍物的位置、深度,并做出准确标识。根据施工图及现场勘察资料,做好施工放线,施工放线包括槽沟两侧钢板桩中心线、污水管道中心线,采用全站仪准确放出各井中心点坐标,以井点为中心每边各量出的支护桩中线。钢板桩支护前,道路路基范围内土体已进行了整体卸载,卸载深度为1.0m。据设计图纸及有关说明和工程地质资料,减载后土层为粉质黏土层。3、钢板桩检验、吊装、堆放(1)钢板桩检验对钢板桩,一般有材质和外观检验,以便对不合要求的钢板桩进行矫正,以减少打桩过程中的困难。外观检验包括表面缺陷、长度、宽度、厚度、高度、端部矩形比、平直度等项内容。若钢板桩有严重锈蚀,应测量其实际断面厚度。原则上要对全部钢板桩进行外观检查。(2)钢板桩吊装卸载钢板桩采用两点吊。吊运时,每次起吊的钢板桩根数不宜过多,并应注意保护锁扣免受损伤。吊运方式有成捆起吊和单根起吊。成捆起吊通常采用钢索捆扎,而单根吊运通常用装用的吊具。(3)钢板桩堆放钢板桩堆放的地点,要选择在不会因压重而发生较大沉陷变形的平坦而坚固的场地上,并便于运往施工现场。堆放时应注意:堆放的顺序、位置、方向和平面布置等应考虑到以后的施工方便。4、钢板桩施打为了保证挖掘机能正常施工,工字钢桩间距应满足基础尺寸及机械施工要求。钢板打桩→挖土→支撑→挖土→基础处理→安装→回填→拔桩基槽支护采用I40#b工字钢桩作为围护桩,长度8m,工字钢桩要顺直不得有扭曲变形。内设工字钢围檩,Φ300mm钢管支撑。工字钢桩插打形式采用两顺一丁的方式,相互咬合,施工前先由测量人员放出桩位轴线,撒白灰线标识。打桩机吊起工字钢桩,人工扶正就位;单桩逐根连续施打,注意桩顶高程不宜相差太大。土方开挖至第一道支撑下1米处,立即停止下挖,先在工字钢桩上焊接牛腿,牛腿3米一个,采用36#工字钢桩切成三角形形状(即1/2块36#工字钢桩)焊接成型,然后吊装围檩,围檩采用I40#b型工字钢桩,电焊机点焊在基槽两侧工字钢桩上。围檩焊接好后,安装内支撑,内支撑采用Φ300mm钢管,每4米一道焊接于围檩上,焊接前,围檩与工字钢桩之间空隙用钢楔子打紧或用槽钢焊接严密。每道支撑焊好后,均应专人详细检查各接点,支撑点是否焊接牢固结实,确认安全后方可进行下到工序施工。在进行下道工序施工时,应注意保护各支撑,严禁抬压、撞击支撑。严禁支撑加载,在施工过程中应随时观察支撑变形情况,发现异常立即采取加固措施,保证支撑安全。如下图所示:5、开挖沟槽工字钢桩打完,确认桩位正确后,马上放线机械挖槽,第一步开挖至设计内撑下1.5m处,人工紧跟清槽,清槽完后焊接支撑,支撑焊好后即进行第二步挖土,直至挖至距槽底20cm,剩余20cm人工清底,槽底两侧挖宽20cm,深30-40cm的纵向排水沟。严禁近槽推土,开槽后严禁大型机械在槽边行走,以免扰动原土。开槽时应该时刻小心,配专人指挥。随时注意地下管线、障碍物,发现异常情况立即停止挖槽并且通知有关部门,挖槽时应该随时注意工字钢桩的支护情况,发现异常立即停止施工,撤离人...

1、当您付费下载文档后,您只拥有了使用权限,并不意味着购买了版权,文档只能用于自身使用,不得用于其他商业用途(如 [转卖]进行直接盈利或[编辑后售卖]进行间接盈利)。
2、本站所有内容均由合作方或网友上传,本站不对文档的完整性、权威性及其观点立场正确性做任何保证或承诺!文档内容仅供研究参考,付费前请自行鉴别。
3、如文档内容存在违规,或者侵犯商业秘密、侵犯著作权等,请点击“违规举报”。

碎片内容

排水工程钢板桩支护方案

您可能关注的文档

确认删除?
VIP
微信客服
  • 扫码咨询
会员Q群
  • 会员专属群点击这里加入QQ群
客服邮箱
回到顶部