电脑桌面
添加小米粒文库到电脑桌面
安装后可以在桌面快捷访问

苏州河道水质监测站技术要求VIP免费

苏州河道水质监测站技术要求_第1页
1/14
苏州河道水质监测站技术要求_第2页
2/14
苏州河道水质监测站技术要求_第3页
3/14
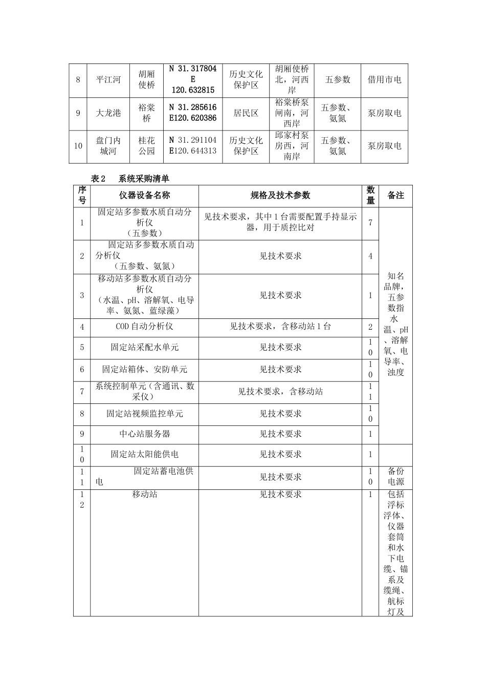
招标文件一、招标编号:SZRF2013-G-008二、采购要求:(本次采购中“多参数在线监测仪和COD在线分析仪”接受进口产品)。1招标项目简要说明本项目为苏州市城区主要河道水质自动监测系统建设,包含10个固定点和一个移动监测点的水质自动监测的系统。2采购内容和要求2.1项目概况“建设城区主要河道水质自动监测系统”被列为苏州市环境整治方面的一个实事项目,是苏州城区河道水质提升行动计划的重要组成部分,对“活水工程”的运行调度及改善苏州城区河道水环境具有重要意义。城区主要河道水质自动监测系统由水质监测子站、系统控制中心和相应的管理软件组成。水质监测子站分固定式和移动式两种类型,固定式子站配置分析单元、采配水单元、控制单元、供电和安防单元、视频监控单元及箱体;移动式子站配置分析单元、数采通讯控制单元、太阳能供电单元和浮标浮体等。系统控制中心通过无线网络与各监测子站联网,实现实时控制、监测评价、数据传输和信息发布等功能。响应单位由招标代理公司组织于2013年6月3日上午10:00前往勘察现场,将由经办人签字盖章的勘察单原件附于投标文件中。未勘察现场的投标单位对现场的误差及错误估算负责,采购方不再为此额外支付费用。2.2采购内容本次采购的项目包括10个固定监测子站和1个移动监测子站的建设,固定监测子站基本情况见表1,采购清单见表2。表1固定监测子站基本情况序号河流名称子站名称GPS坐标所在区域功能类别安装位置监测因子备注1山塘河天赐广场N31.330983E120.58187历史文化保护区天赐广场桥西,河南岸五参数、氨氮太阳能供电2平门小河平四闸N31.326987E120.61544居民区平四闸内五参数泵房取电3外塘河官渎桥N31.327165E120.65107居民区河东变电所附近五参数、氨氮、COD泵站取电4白莲浜白莲桥N31.582872E120.311981居民区白莲桥泵房与白莲桥间五参数泵站取电5中市河中市河N31.315806E120.607407居民区阊门社区居委会旁五参数水泥平台,居委会取电6干将河渡子桥N31.304821E120.612101居民区渡子闸边五参数靠闸右安装,闸变电箱取电。7临顿河醋坊桥N31.3145E120.6253商业区醋坊桥北,河东岸噪声监测点旁五参数噪声点取电8平江河胡厢使桥N31.317804E120.632815历史文化保护区胡厢使桥北,河西岸五参数借用市电9大龙港裕棠桥N31.285616E120.620386居民区裕棠桥泵闸南,河西岸五参数、氨氮泵房取电10盘门内城河桂花公园N31.291104E120.644313历史文化保护区邱家村泵房西,河南岸五参数、氨氮泵房取电表2系统采购清单序号仪器设备名称规格及技术参数数量备注1固定站多参数水质自动分析仪(五参数)见技术要求,其中1台需要配置手持显示器,用于质控比对7知名品牌,五参数指水温、pH、溶解氧、电导率、浊度2固定站多参数水质自动分析仪(五参数、氨氮)见技术要求43移动站多参数水质自动分析仪(水温、pH、溶解氧、电导率、氨氮、蓝绿藻)见技术要求14COD自动分析仪见技术要求,含移动站1台25固定站采配水单元见技术要求106固定站箱体、安防单元见技术要求107系统控制单元(含通讯、数采仪)见技术要求,含移动站118固定站视频监控单元见技术要求109中心站服务器见技术要求110固定站太阳能供电见技术要求111固定站蓄电池供电见技术要求10备份电源12移动站见技术要求1包括浮标浮体、仪器套筒和水下电缆、锚系及缆绳、航标灯及雷达反射器、GPS。13笔记本电脑第三代英特尔酷睿i5-3210M处理器(2.5睿频至3.1GHz,3MB)/预装正版Windows7Professional64位/英特6205AGN,/14英寸HDLED背光显示屏GB(2GB/0GB)PC3-128001600MHzDDR3内存/500GB7200rpmSATA硬盘/双显卡可切换,NVIDIAOptimusNVS5400M,1GB独立显存/720pHD摄像头/6芯电池///3年部件和人工(系统电池1年),送3年有限上门,网上注册送3年意外保护1要求最新期政府采购目录产品14中心站监控管理软件见技术要求115质保期备品备件和1年运维报价(包含在投标总价中)详细列出确保本包仪器设备质保期正常运行所需的备品备件型号、数量和1年运维服务报价1质保期相关服务要求见服务与技术支持条款2.3工期要求要求合同签订后60天内完成系统所有建设内容。投标人应制订明确的合同交货进度表。3系统建设技术要...

1、当您付费下载文档后,您只拥有了使用权限,并不意味着购买了版权,文档只能用于自身使用,不得用于其他商业用途(如 [转卖]进行直接盈利或[编辑后售卖]进行间接盈利)。
2、本站所有内容均由合作方或网友上传,本站不对文档的完整性、权威性及其观点立场正确性做任何保证或承诺!文档内容仅供研究参考,付费前请自行鉴别。
3、如文档内容存在违规,或者侵犯商业秘密、侵犯著作权等,请点击“违规举报”。

碎片内容

苏州河道水质监测站技术要求

书海行舟+ 关注
实名认证
内容提供者

热爱教学事业,对互联网知识分享很感兴趣

确认删除?
VIP
微信客服
  • 扫码咨询
会员Q群
  • 会员专属群点击这里加入QQ群
客服邮箱
回到顶部