电脑桌面
添加小米粒文库到电脑桌面
安装后可以在桌面快捷访问

阀门的型号命名及选型方法VIP免费

阀门的型号命名及选型方法_第1页
1/9
阀门的型号命名及选型方法_第2页
2/9
阀门的型号命名及选型方法_第3页
3/9
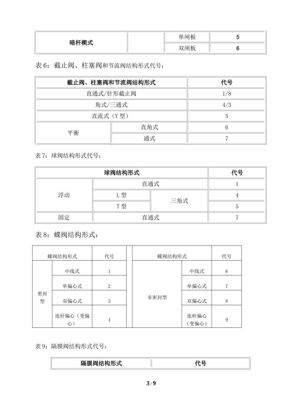
阀门的型号命名及选型方法阀门型号通常应表示出阀门类型、驱动方式、连接形式、结构特点、密封面材料、阀体材料和公称压力等要素。阀门型号的标准化对阀门的设计、选用、销售提供了方便。当今阀门的类型和材料越来越多,阀门的型号编制也愈来愈复杂。我国虽有阀门型号编制的统一标准,但愈来愈不能适应阀门工业发展的需要。目前,阀门制造厂一般采用统一编号方法;凡不能采用统一编号的方法,各制造厂均按自己的需要制订编号方法。一、阀门的型号编制方法:JB308-75《阀门型号编制方法》适用于工业管道用闸阀、节流阀、球阀、蝶阀、隔膜阀、柱塞阀、旋塞阀、止回阀、安全阀、减压阀、疏水阀。它包括阀门的型号编制和阀门的命名。1:阀门的型号编制阀门型号由7个单元组成,其含义(即1单元表示类型代号;2单元表示传动方式代号;以此类推)又如以Q941F-16P为例Q代表1单元(即阀门类型为球阀);9代表2单元(即传动方式其中的电动方式);4代表3单元(即连接方式其中的法兰连接);1代表4单元阀门的结构形式;F代表5单元(即密封材料其中的聚四氟乙烯密封圈);16代表6单元(即公称压力其中的一种,此示范为1.6MPa);P代表7单元(此示范为不锈钢1cr18Ni9Ti的材料);型号编制如表1所示。表1:1单元2单元3单元4单元5单元6单元7单元表示类型代号传动方式代号连接形式代号结构形式代号阀座密封面或衬里材料代号公称压力代号阀体材料代号2:类型代号(即表1的1单元):类型代号用汉语拼音字母表示。如表2所示:表2:类型代号类型代号闸阀Z隔膜阀G截止阀J止回阀和底阀H柱塞阀U安全阀A节流阀L减压阀Y球阀Q疏水阀S蝶阀D旋塞阀X排污阀P注:低温(低于-40度)、保温(带加热套)和带波纹管的法门,抗硫的阀门,早1/9类型代号前分别加汉语拼音字母D、B、W和K。3:传动方式代号(即表1的2单元):传动方式代号用阿拉伯数字表示。如表3所示:表3:传动方式代号传动方式代号电磁动0锥齿轮5电磁-液动1气动6电-液动2液动7蜗轮3气-液动8正齿轮4电动9注:1.手轮、手柄和扳手传动以及安全阀、减压阀、疏水阀省略本代号。2.对于气动或液动:常开式用6k、7k表示;常闭式用6B、7B表示;气动带手动用6S表示;防爆电动用“9B”表示。蜗杆-T型螺母,用3T表示。3、代号2和代号8是用在阀门启闭需由两种动力源同时对阀门进行动作的执行机构。4:连接形式代号(即表1的3单元):如表4所示:表4:连接形式代号连接形式代号内螺纹1对夹7外螺纹2卡箍8法兰4卡套9焊接(包括对焊和承插焊)6两不同连接35:结构形式代号(即表1的4单元):结构形式代号用阿拉伯数字表示,如表5~表14所示:表5:闸阀结构形式:闸阀结构形式代号明杆楔式弹性闸板0刚性单闸板1双闸板2平行式单闸板3双闸板42/9暗杆楔式单闸板5双闸板6表6:截止阀、柱塞阀和节流阀结构形式代号:截止阀、柱塞阀和节流阀结构形式代号直通式/针形截止阀1/8角式/三通式4/3直流式(Y型)5平衡直角式6通式7表7:球阀结构形式代号:球阀结构形式代号浮动直通式1L型三角式4T型5固定直通式7表8:蝶阀结构形式:蝶阀结构形式代号蝶阀结构形式代号密封型中线式1非密封型中线式6单偏心式2单偏心式7双偏心式3双偏心式8连杆偏心(变偏心)4连杆偏心(变偏心)9表9:隔膜阀结构形式代号:隔膜阀结构形式代号3/9屋脊式1截止式3直流板式5直通式6闸板式7角式Y形8角式T形9表10:旋塞阀结构形式代号:旋塞阀结构形式代号填料L形2直通式3T型三通式4四通式5油封L形6直通7T型三通式8静配直通9T型三通式0表11:止回阀和底阀结构形式代号:止回阀和底阀结构形式代号升降直通式1立升2角式3旋启单瓣式4多瓣式54/9双瓣式6回转蝶形止回式8截止止回式9表12:安全阀结构形式代号:安全阀结构形式代号弹簧封闭带散热片全启式0微启式1全启式2带扳手全启式4不封闭双弹簧微启式3微启式7全启式8带控制机构全启式6脉冲式/杠杆式9/5表13:减压阀结构形式代号:表14:蒸汽疏水阀结构形式代号:蒸汽疏水阀结构形式代号浮球式/浮桶式1/3钟形浮子式5双金属片式7脉冲式8热动力式9减压阀结构形式代号薄膜式1弹簧薄膜式2活塞式35/9波纹管式4杠杆式56:阀座密封面或衬里材料代号(即表1的5单元):阀座密封面...

1、当您付费下载文档后,您只拥有了使用权限,并不意味着购买了版权,文档只能用于自身使用,不得用于其他商业用途(如 [转卖]进行直接盈利或[编辑后售卖]进行间接盈利)。
2、本站所有内容均由合作方或网友上传,本站不对文档的完整性、权威性及其观点立场正确性做任何保证或承诺!文档内容仅供研究参考,付费前请自行鉴别。
3、如文档内容存在违规,或者侵犯商业秘密、侵犯著作权等,请点击“违规举报”。

碎片内容

阀门的型号命名及选型方法

书海行舟+ 关注
实名认证
内容提供者

热爱教学事业,对互联网知识分享很感兴趣

确认删除?
VIP
微信客服
  • 扫码咨询
会员Q群
  • 会员专属群点击这里加入QQ群
客服邮箱
回到顶部