电脑桌面
添加小米粒文库到电脑桌面
安装后可以在桌面快捷访问

冷轧滚珠丝杠的选择与使用VIP免费

冷轧滚珠丝杠的选择与使用_第1页
1/3
冷轧滚珠丝杠的选择与使用_第2页
2/3
冷轧滚珠丝杠的选择与使用_第3页
3/3
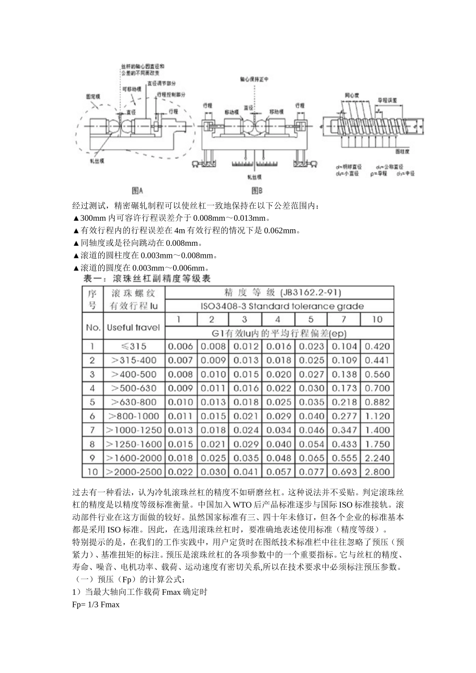
冷轧滚珠丝杠的选择与使用深圳市威远精密技术有限公司李敬宇(留英硕士)滚珠丝杠是智能自动化设备的关键执行部件。随着制成产品的精度要求不断提高,大大推动了工作母机的发展,使愈来愈多的设备制造厂采用CNC技术,将传动方式由T型丝杠、皮带、链条等改由滚珠丝杠来实现。虽然滚珠丝杠的发展只有八十多年历史,中国也只有四十多年,但滚珠丝杠以其精度高,使用寿命长,扭矩小(只有T型丝杠的三分之一),省电且符合环保要求,受到各行业的青睐。在选择使用滚珠丝杠时,一般人会首先考虑研磨滚珠丝杠而忽视了冷轧丝杠。为什么呢?因为冷轧丝杠的出现远远迟于研磨丝杠。虽然它有极强的经济性及市场价值。但是,由于采用过去的碾轧设备所生产的丝杠有一些难以克服的缺陷,以至丝杠的技术标准一直徘徊在P7级以下,使它的应用范围被限制在传动级别。冷轧滚珠丝杠的品质有无可能提高,将精度等级提高到P3~P5级?答案是肯定的,兹从以下几个方面作简略介绍。滚珠丝杠按规格型号区分有二、三百种,按加工工艺区分大致可分为研磨丝杠与轧制丝杠二大类。研磨丝杠的精度是按传统的机械加工方法来实现的。它是以丝杠中心孔为加工基准,通过车削、研磨……达到图纸设计要求。通常要进行二十几道工序,花费30~40天的时间。它的制造精度可以达到P1级。冷轧丝杠顾名思义是采用冷加工工艺制作。它的特点是耗材少,加工成本低,生产效率高,加工周期短,容易实现量产。因而比研磨丝杠价格更具竞争优势。特别是长径比系数达到1:50以上时,其优势尤为显著。滚珠丝杠的精度有多项指标。其中有二个参数是十分重要的,即同轴度与径向跳动。径向跳动重要性体现在轴承安装位置和螺母安装位置。径跳公差愈小,轴承座和螺母之间的同轴度就可以得到有效保证。另一方面,滚珠丝杠在工作母机使用中,保持由螺母预压(预紧力)产生的可重复往返运动转矩的容许误差。这个误差只与滚道的圆柱度密切相关。过量的直径误差会造成螺母运动中或松或紧。轧制丝杠的扭矩是靠丝杠的圆柱度和滚道直径的一致性决定。而过去的冷轧设备及加工工艺很难实现这一目标值。因为旧式冷轧设备只采用了一套可移动的轧丝模和一套固定的轧丝模(见图A)在碾轧过程中,丝杠的中轴会随着轧丝模的移动漂移,因而造成丝杠中轴线偏差。这一点要想单靠提高机械性能来克服,是难以实现的。近十几年来,在欧洲研发出的一种新型的冷轧设备已较好的解决了冷轧丝杠圆柱度与滚道直径一致性的问题。它除了提高冷轧设备的机械性能将旧式冷轧设备只有一套可移动轧丝模改为两套轧丝模均可移动外,还引入了CNC技术及传感技术(见图B)。主要关键是采用CNC控制着两套可移动的轧丝模。每只轧丝模被精度达到微米级的交流驱动器控制,CNC又控制每一个驱动器以决定每只轧丝模的位置。在碾轧过程中,通过传感系统跟踪丝杠中轴变量以适时调整每只轧丝模的进给位置,使轧机能够始终保持丝杠的中轴线。经过测试,精密碾轧制程可以使丝杠一致地保持在以下公差范围内:▲300mm内可容许行程误差介于0.008mm~0.013mm。▲有效行程内的行程误差在4m有效行程的情况下是0.062mm。▲同轴度或是径向跳动在0.008mm。▲滚道的圆柱度在0.003mm~0.008mm。▲滚道的圆度在0.003mm~0.006mm。过去有一种看法,认为冷轧滚珠丝杠的精度不如研磨丝杠。这种说法并不妥贴。判定滚珠丝杠的精度是以精度等级标准衡量。中国加入WTO后产品标准逐步与国际ISO标准接轨。滚动部件行业在这方面做的较好。虽然国家标准有三、四十年未修订,但各个企业的标准基本都是采用ISO标准。因此,在选用滚珠丝杠时,要准确地表述使用标准(精度等级)。特别提示的是,在我们的工作实践中,用户定货时在图纸技术标准栏中往往忽略了预压(预紧力)、基准扭矩的标注。预压是滚珠丝杠的各项参数中的一个重要指标。它与丝杠的精度、寿命、噪音、电机功率、载荷、运动速度有密切关系,所以在技术要求中必须标注预压参数。(一)预压(Fp)的计算公式:1)当最大轴向工作载荷Fmax确定时Fp=1/3Fmax2)当最大轴向工作载荷未能确定时Fp=ζCa(Ca表示额定动载荷,可在手册中检索)(二)基准扭矩的计算公式:Tp基准扭矩(N.m...

1、当您付费下载文档后,您只拥有了使用权限,并不意味着购买了版权,文档只能用于自身使用,不得用于其他商业用途(如 [转卖]进行直接盈利或[编辑后售卖]进行间接盈利)。
2、本站所有内容均由合作方或网友上传,本站不对文档的完整性、权威性及其观点立场正确性做任何保证或承诺!文档内容仅供研究参考,付费前请自行鉴别。
3、如文档内容存在违规,或者侵犯商业秘密、侵犯著作权等,请点击“违规举报”。

碎片内容

冷轧滚珠丝杠的选择与使用

您可能关注的文档

确认删除?
VIP
微信客服
  • 扫码咨询
会员Q群
  • 会员专属群点击这里加入QQ群
客服邮箱
回到顶部