电脑桌面
添加小米粒文库到电脑桌面
安装后可以在桌面快捷访问

耀江物业文欣苑管理处网络门禁系统方案VIP免费

耀江物业文欣苑管理处网络门禁系统方案_第1页
1/13
耀江物业文欣苑管理处网络门禁系统方案_第2页
2/13
耀江物业文欣苑管理处网络门禁系统方案_第3页
3/13
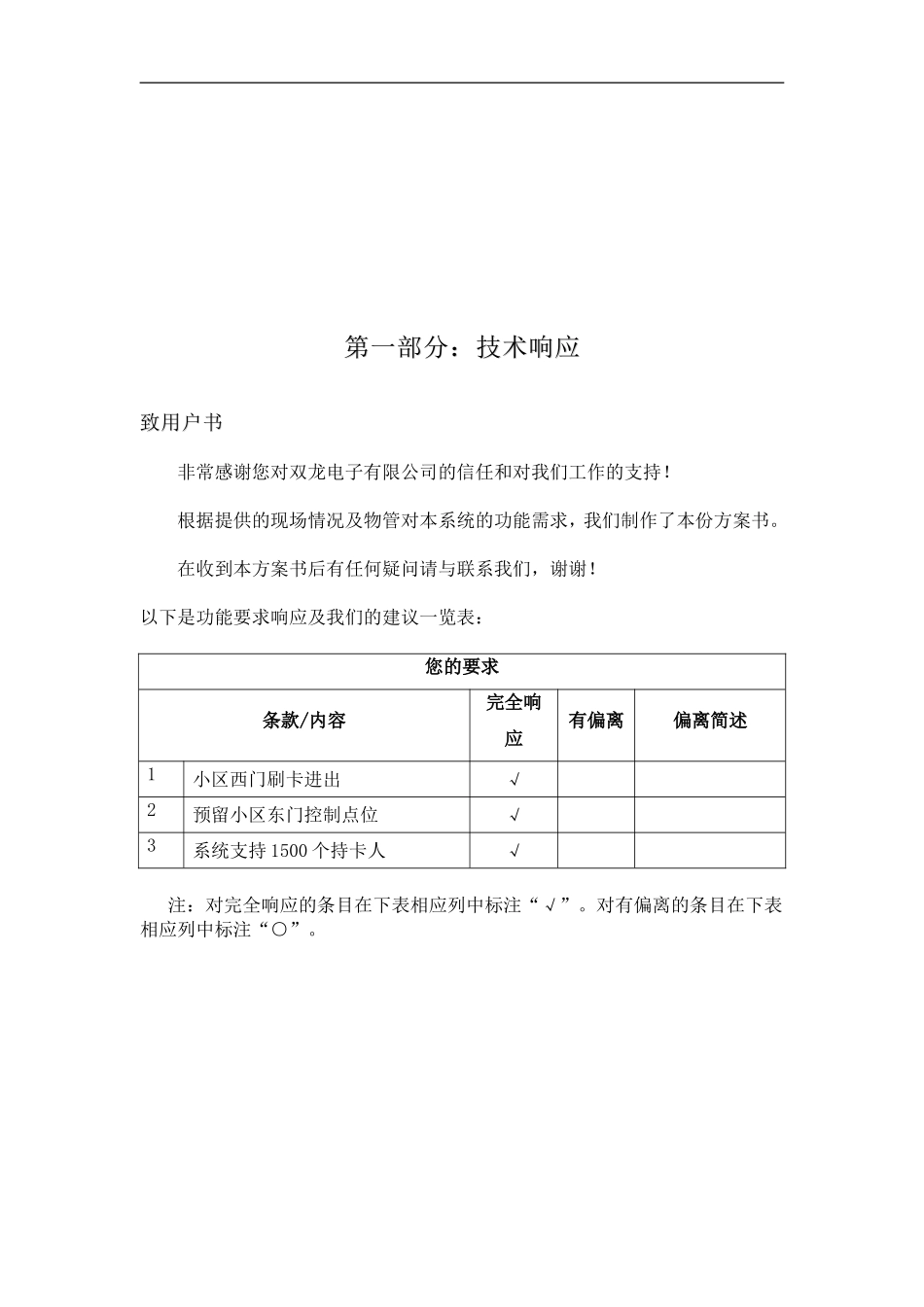
NITROSecNET网络门禁系统设计方案杭州双龙电子有限公司项目名称:网络门禁设计方案客户名称:浙江耀江物业管理有限公司文欣苑物业服务中心日期:2009-04-19项目编号.:ZJ09005方案编辑:王伟群备注:目录第一部分:技术响应................................................................................................................2致用户书....................................................................................................................................2第二部分:技术建议书内容....................................................................................................31.概述..............................................................................................................................32.设计原则......................................................................................................................33.设计规范和依据..........................................................................................................44.系统功能和特点..........................................................................................................55.方案设计......................................................................................................................55.1.系统构成及原理...................................................................................................65.2.用户需求分析及前端读卡器分布.......................................................................65.3.实施方案设备选型及配置...................................................................................75.4.设备配置清单:...................................................................................................95.5.设备报价...............................................................................错误!未定义书签。5.6选型设备性能及参数.........................................................................................10第三部分:产品品牌介绍......................................................................................................11NITRO简介..............................................................................................................11第一部分:技术响应第一部分:技术响应致用户书致用户书非常感谢您对双龙电子有限公司的信任和对我们工作的支持!根据提供的现场情况及物管对本系统的功能需求,我们制作了本份方案书。在收到本方案书后有任何疑问请与联系我们,谢谢!以下是功能要求响应及我们的建议一览表:您的要求条款/内容完全响应有偏离偏离简述1小区西门刷卡进出√2预留小区东门控制点位√3系统支持1500个持卡人√注:对完全响应的条目在下表相应列中标注“√”。对有偏离的条目在下表相应列中标注“○”。第二部分:技术建议书内容第二部分:技术建议书内容1.概述随着IT技术的发展,信息化、智能化管理已渗透到楼宇管理的方方面面,办公网络化、通信自动化、安居智能化等等,近年来,由於智能化楼宇不断增温,加上人们对安全防护的需求也逐渐扩大,智能化门禁管理应运而生,人们逐渐习惯以门禁替代传统钥匙的出入方式,门禁管理给企业管理带来的效益和便利,使它的使用越来越广泛。当前的门禁管理系统,是采用计算机、通信、网络、自控和IC卡技术,对出入控制区域的人员进行精确的身份辩识,只有“合法”身份才能通过,没有权限的人将会被拒之门外;通过管理员设定,可以限制每个人能够进出的地点和时间,并且所有的出入都会自动记录在电脑中,以供查看和统计。门禁管理系统为通道和出入口的管理提供智能化手段,达到正常出入、维护秩序、防入侵等目的,解决钥匙管理和人员管理的难题,减低保安人员的工作压力...

1、当您付费下载文档后,您只拥有了使用权限,并不意味着购买了版权,文档只能用于自身使用,不得用于其他商业用途(如 [转卖]进行直接盈利或[编辑后售卖]进行间接盈利)。
2、本站所有内容均由合作方或网友上传,本站不对文档的完整性、权威性及其观点立场正确性做任何保证或承诺!文档内容仅供研究参考,付费前请自行鉴别。
3、如文档内容存在违规,或者侵犯商业秘密、侵犯著作权等,请点击“违规举报”。

碎片内容

耀江物业文欣苑管理处网络门禁系统方案

您可能关注的文档

书海行舟+ 关注
实名认证
内容提供者

热爱教学事业,对互联网知识分享很感兴趣

确认删除?
VIP
微信客服
  • 扫码咨询
会员Q群
  • 会员专属群点击这里加入QQ群
客服邮箱
回到顶部