电脑桌面
添加小米粒文库到电脑桌面
安装后可以在桌面快捷访问

室外回填土技术交底2VIP免费

室外回填土技术交底2_第1页
1/13
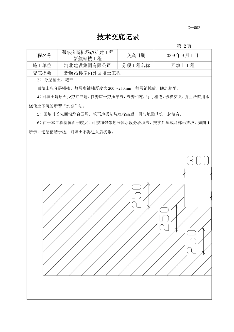
室外回填土技术交底2_第2页
2/13
室外回填土技术交底2_第3页
3/13
C--002技术交底记录第1页工程名称鄂尔多斯机场改扩建工程新航站楼工程交底日期2009年9月1日施工单位河北建设集团有限公司分项工程名称回填土工程交底提要新航站楼室内外回填土工程交底内容:一、材料要求:回填土采用素土,但不得含有有机杂质。使用前应过筛,其粒径不大于50mm。含水率以紧握成团,落地开花为宜。二、主要机具:自卸汽车、蛙式打夯机、气夯、手推车、筛子(孔径40~60mm)、木耙、铁锹(尖头及平头)、2m靠尺、小白线等。三、作业条件:1、回填前,应对基础进行检查验收。并要办好隐检手续。其基础混凝土强度应达到规定的要求,方可进行回填土。2、地梁顶或承台顶(取低者)下返500mm为回填2:8灰土的底标高进行控制,回填高度根据各区域房间做法填至建筑地面做法标高以下(即回填至“建筑地面标高-地面建筑做法厚度”),另外承台周边1米范围内自垫层底标高以上全部回填2:8灰土分层夯实。3、施工前,抄平做好标志,以控制回填土的高度或厚度。在基坑边坡上,每隔3m钉上水平橛;室内和散水在地坪上钉上标高控制桩。四、操作工艺:1、素土回填工艺流程:基坑底清理→检验土质→分层铺土、耙平→夯打密实→找平验收1)基坑底清理填土前应将基坑底的垃圾杂物等清理干净;2)检验土质①回填土采用素土,土要过筛,土粒不得大于50mm,回填时不得有大的土块,设专人进行挑拣。②回填前应检验土的含水率,检验方法,紧握成团,落地开花。回填土的含水量偏低,采用预先洒水润湿等措施。审核人交底人接受交底人C--002技术交底记录第2页工程名称鄂尔多斯机场改扩建工程新航站楼工程交底日期2009年9月1日施工单位河北建设集团有限公司分项工程名称回填土工程交底提要新航站楼室内外回填土工程3)分层铺土、耙平回填土应分层铺摊。每层虚铺铺厚度为200~250mm,每层铺摊后,随之耙平。4)回填土每层至少夯打三遍。打夯应一夯压半夯,夯夯相连,行行相连,纵横交叉。并且严禁用水浇使土下沉的所谓“水夯”法。5)回填时首先回填承台四周,填至地梁基坑底标高后,再与地梁基坑一起填夯。6)由于本工程基坑面积较大,可按加强带划分流水段分段填夯,交接处填成阶梯形放坡,如图-1所示,逐层留踏步槎,回填土不得进入后浇带。图-1回填土台阶状放坡示意图7)对于靠近基础的边缘地带,不能用蛙式打夯机时,可采用气夯并配合木夯来夯实。8)回填土每层填实后,应按规范规定进行环刀取样,测出干土的质量密度,达到要求后,再进行上一层的铺土。9)回填土高度填至承台顶、梁顶标高以下500mm处,填土全部完成后,应进行表面拉线找平,凡高出允许偏差的地方,及时依线铲平;凡低于标准高程的地方应补土夯实。10)雨期施工审核人交底人接受交底人C--002技术交底记录第3页工程名称鄂尔多斯机场改扩建工程新航站楼工程交底日期2009年9月1日施工单位河北建设集团有限公司分项工程名称回填土工程交底提要新航站楼室内外回填土工程基坑回填应连续进行,尽快完成。施工中应防止地面水流入基坑内,以免边坡塌方或基土遭到破坏。现场应有防雨排水措施。2、2:8灰土回填工艺流程:土料过筛↓消解石灰过筛→配置灰土→室内地面杂物清理→检验回填部位标高→铺设灰土→夯打密实→检测验收1)施工前应将地面上的垃圾杂物等清理干净,并注意回收钢管、扣件、钢筋头、方木、架板、砌块等,以免将其压在垫层下部。2)人工拌合灰土不少于三遍,使达到均匀,颜色一致。并适当控制含水量,现场以手握成团,两指轻捏即散为宜,一般最优含水量为14%~18%。如含水量过多或过少时,应稍晾干或洒水湿润,如有球团应打碎,要求灰土必须随拌随用。3)检验回填部位标高根据做好的水平控制桩(控制点),利用水准仪、小白线、靠尺等对底部回填土标高进行复测,核实无误后方可进行灰土回填施工,如回填土标高不符合图纸要求,须按要求进行补填或挖除,使之达到合适标高。不得直接用灰土取代回填土进行回填。4)回填土应分层铺摊。每层虚铺铺厚度为200~250mm,每层铺摊后,随之耙平。应先制作样板间,准确测量虚铺及压实后厚度,掌握准确数据后方可大面积进行施工。5)灰土铺设完毕拉线进行粗略找平,面积较大区域可...

1、当您付费下载文档后,您只拥有了使用权限,并不意味着购买了版权,文档只能用于自身使用,不得用于其他商业用途(如 [转卖]进行直接盈利或[编辑后售卖]进行间接盈利)。
2、本站所有内容均由合作方或网友上传,本站不对文档的完整性、权威性及其观点立场正确性做任何保证或承诺!文档内容仅供研究参考,付费前请自行鉴别。
3、如文档内容存在违规,或者侵犯商业秘密、侵犯著作权等,请点击“违规举报”。

碎片内容

室外回填土技术交底2

书海行舟+ 关注
实名认证
内容提供者

热爱教学事业,对互联网知识分享很感兴趣

确认删除?
VIP
微信客服
  • 扫码咨询
会员Q群
  • 会员专属群点击这里加入QQ群
客服邮箱
回到顶部