电脑桌面
添加小米粒文库到电脑桌面
安装后可以在桌面快捷访问

液体粘度系数的测定VIP免费

液体粘度系数的测定_第1页
1/5
液体粘度系数的测定_第2页
2/5
液体粘度系数的测定_第3页
3/5
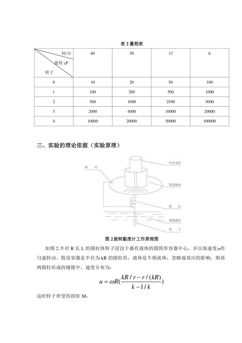
液体粘度系数的测定一、实验目的和内容1、掌握旋转式黏度计测量液体粘度的基本原理。2、学会使用旋转式黏度计测定液体粘度的方法。二、实验装置与流程示意图整个旋转式黏度计的装箱图主要包括电机、刻度盘机构和从大到小排列的0~4号五个转子,电机有调速机构,可产生6、12、30、60转/分四种转速,刻度盘机构和测量方法见图1。测定过程中指针在刻度盘上指示的读数乘以系数表上的特定系数即为被测液体的粘度(以厘泊表示)。不同转子、不同转速对应的测量系数不同,其量程也不一样。本实验配备的转子黏度计系数表和量程表如表1和表2。图1旋转式黏度计示意图表1系数表转/分转子603012600.10.20.51112510251025503204010020041002005001000表2量程表转/分量程cP转子6030126010205010011002005001000250010002500500032000400010000200004100002000050000100000三、实验的理论依据(实验原理)图2旋转黏度计工作原理图如图2.半径R长L的圆柱体转子浸没于盛有液体的圆筒形容器中心,并以角速度作匀速转动。假设容器是半径为kR的圆柱形,液体是牛顿流体,忽略端效应的影响,则再两圆柱形成的缝隙中,速度分布为://()()1/kRrrkRuRkk这时转子所受的扭矩M:222r|2()4/(1)rRMRLRLRkk一般容器比转子大得多,可认为k∞,从而24MLR式中r——半径,m;r——剪应力,N/m2;——粘度,kg/(m·s)。转子选定后,M,在一定的转速下,M与被测液体的粘度成正比,藉此原理可以测定液体的粘度。当同步电机以恒定速度旋转时,连接的刻度圆盘、游丝和转轴将带动转子旋转。若转子未受到任何液体阻力,则游丝、指针和刻度盘将同速转动,指针刻度盘读数为0;反之若转子受到液体的粘滞阻力,则游丝产生扭矩,与粘滞阻力达到平衡,这时与游丝连接的指针在刻度盘上指示出一定的读数。该读数表示游丝的扭转角,与扭矩相对应,乘以某一系数后即能得出液体的粘度值。四、实验步骤及注意事项(一)实验步骤1.准备被测液体(如硅油),置于直径不小于70㎜的烧杯或圆筒形容器中,控制被测液体温度,并记录下来;2.旋松连接螺杆下端的黄色螺钉,取下黄色包装套圈;3.将选好的转子旋入连接螺杆,旋转升降旋钮,使仪器缓慢的下降,转子逐渐浸入容器中心的被测液体中,直至转子液面标志和液面相平;4.调整仪器水平,然后按下指针控制杆,转动变速旋钮,使所需转速数向上,对转速度指示点;5.开启电机开关,使转子在液体中旋转,并放松指针控制杆,经过多次旋转(大约20—30秒),待指针趋于稳定,按下指针控制杆,使读数固定,再关闭电机,使指针停在读数窗内,读取读数,若电机关闭后指针不在读数窗内,可继续按住控制杆,反复开启和关闭电机,使指针落在读数窗内;6.重复测定3—5次,如数据波动不大,取平均值作为测定结果,否则重复步骤5、6;7.当指针所指的数值过高或过低时,可变换转速和转子,务使读数在30—70格之间;8.实验结束后应及时清洗转子,清洁后要妥善安放于转子架上,指针控制杆应用橡皮筋圈住,连接螺杆上应套入黄色包装套圈,然后用螺钉拧紧。(二)注意事项1、被测液体温度需要控制;2、将转子旋入连接螺杆时注意逆时针方向为旋入装上,顺时针为旋出卸下,以免损坏仪器;3、旋转升降旋钮时,用手托住仪器,防止自重坠落;4、在按下指针控制杆时,不能用力过猛,转速慢时也可不用控制杆,直接读数。5、实验结束后应清洗转子,但不得在仪器上进行。五、实验数据记录及处理经实验探索,得知2号转子为适用转子,共使用2号转子进行了4次实验得出下表表3原始数据记录表序号1234转速/(转/分)30121212转盘读数82.5333433黏度/cP825825850825黏度平均值/cP831.25(当时实验室温为33.5℃)将原始数据(刻度盘读数)乘以系数表上的特定系数后得到粘度/cP数据整理计算过程举例以第一组数据举例计算过程:2号转子在30转/分时的系数为10,则粘度为系数乘以读数μ=82.5×10=825cP六、实验结果及分析实验测得测得的黏度分别为:825cP、825cP、850cP和825cP,取平均值得μ平均=(825+825+850+825)/4=831.25cP误差分析:1、仪器本身误差、读数误差;2、转子未垂直...

1、当您付费下载文档后,您只拥有了使用权限,并不意味着购买了版权,文档只能用于自身使用,不得用于其他商业用途(如 [转卖]进行直接盈利或[编辑后售卖]进行间接盈利)。
2、本站所有内容均由合作方或网友上传,本站不对文档的完整性、权威性及其观点立场正确性做任何保证或承诺!文档内容仅供研究参考,付费前请自行鉴别。
3、如文档内容存在违规,或者侵犯商业秘密、侵犯著作权等,请点击“违规举报”。

碎片内容

液体粘度系数的测定

您可能关注的文档

书海行舟+ 关注
实名认证
内容提供者

热爱教学事业,对互联网知识分享很感兴趣

相关文档

确认删除?
VIP
微信客服
  • 扫码咨询
会员Q群
  • 会员专属群点击这里加入QQ群
客服邮箱
回到顶部