电脑桌面
添加小米粒文库到电脑桌面
安装后可以在桌面快捷访问

镀层钢板技术理论和参数资料VIP免费

镀层钢板技术理论和参数资料_第1页
1/9
镀层钢板技术理论和参数资料_第2页
2/9
镀层钢板技术理论和参数资料_第3页
3/9
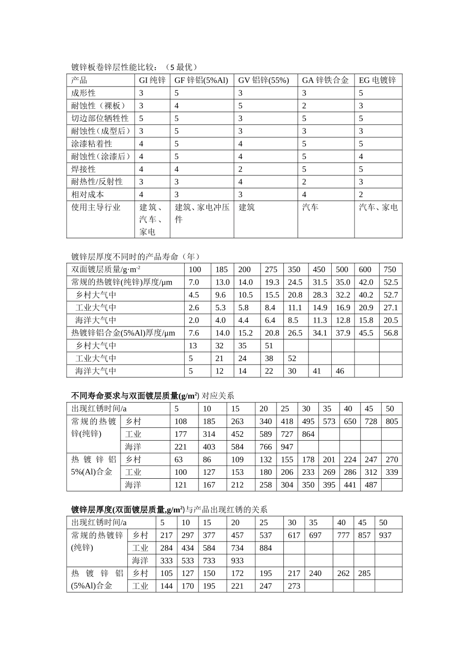
镀锌板卷锌层性能比较:(5最优)产品GI纯锌GF锌铝(5%Al)GV铝锌(55%)GA锌铁合金EG电镀锌成形性35335耐蚀性(裸板)34523切边部位牺牲性55355耐蚀性(成型后)35333涂漆粘着性45455耐蚀性(涂漆后)45454焊接性44255耐热性/反射性33423相对成本43342使用主导行业建筑、汽车、家电建筑、家电冲压件建筑汽车汽车、家电镀锌层厚度不同时的产品寿命(年)双面镀层质量/g·m-2100185200275350450500600750常规的热镀锌(纯锌)厚度/μm7.013.014.019.324.531.535.042.052.5乡村大气中4.59.610.515.520.828.332.240.252.7工业大气中2.65.35.88.411.114.916.920.927.1海洋大气中2.04.04.46.48.511.312.815.820.5热镀锌铝合金(5%Al)厚度/μm7.614.015.220.826.534.137.945.556.8乡村大气中13323551工业大气中521243852海洋大气中5121422304146不同寿命要求与双面镀层质量(g/m2)对应关系出现红锈时间/a5101520253035404550常规的热镀锌(纯锌)乡村108185263340418495573650728805工业177314452589727864海洋221403584766947热镀锌铝5%(Al)合金乡村6386109132155178201224247270工业100127153180206233269286312339海洋121167212258304350395441487镀锌层厚度(双面镀层质量,g/m2)与产品出现红锈的关系出现红锈时间/a5101520253035404550常规的热镀锌(纯锌)乡村217297377457537617697777857937工业284434584734884海洋333533733933热镀锌铝(5%Al)合金乡村105127150172195217240262285工业144170195221247273海洋158203249295不同镀层质量与出现红锈年数的对应关系双面镀层质量/g·m-2100185200275350450500600750常规的热镀锌(纯锌)厚度/μm7.013.014.019.324.531.535.042.052.5乡村大气中3.03.78.112.919.823.431.043.1工业大气中1.72.14.57.010.612.516.322.3海洋大气中1.31.73.45.38.19.512.416.9热镀锌铝(5%Al)合金厚度/μm7.614.015.220.826.534.137.945.556.8乡村大气中4232643工业大气中313163045海洋大气中281018263742热镀锌板卷应用实例:行业应用实例建筑外部屋顶、外侧墙板、门窗、檐沟、卷帘门窗、落水槽及管建筑内部墙体龙骨架、吊顶龙骨架、通风管、暖气片、冷弯型钢、脚蹋板、架子家电冰箱底座、外壳、洗衣机外壳、净气机、厨房设备、冷冻室、收音机、收录音机底座电气开关柜、电缆地沟托架、桥架、挂件汽车外壳、内面板、底盘、支柱、内部装饰结构、地板、翼子板、门、行李箱盖、导水槽、油箱、挡泥板、消音器、散热器、排气管、滤气管、输油管、制动管、发动机部件、车底和车内部件、供暖系统零件农牧业粮仓(筒仓)、畜舍、饲料槽、水槽、温室大棚棚架、烘烤设备交通运输火车车棚盖、内部框架型材、车箱内壁,船舶集装箱、通风道、冷弯框架,飞机库,路标牌土木水利高速公路护栏、波纹管道、庭院护栏、隔音壁、水库闸门、水道河槽石油化工汽油桶、保温管道外壳、化工包装桶冶金焊管坯料、钢窗坯料、彩涂基板食品包装干湿罐头盒、茶叶桶、油漆桶、包装带、饮料桶、各类瓶盖轻工业民用烟囱、儿童玩具、各类灯具、办公用品、家具热镀锌板卷主要应用领域技术数据:行业比例应用领域厚度宽度表面结构表面质量锌层重量轻工业30%家电、小家电橱具0.25-1.5(0.3-0.8)650-1250光整、无锌花大、小锌花FB、FC120-275建筑40%商业建筑、民用施工围护0.35-3.0(0.25-1.5)1000-1250大、小锌花、光整FA、FB120-275商业10%储运、包装、冷冻大、小锌花FA、FB汽车10%轿车0.4--4.0(0.7-1.5)最大1950光整、无锌花FB、FC180-450其它10%大型电器柜1.2-2.0大、小锌花FA热镀锌钢板品种和用途:分类依据分类名称主要特点主要用途基板材质性能热轧板镀锌热轧钢板单张板或较厚钢板工业,民用建筑普通冷轧板热镀锌冷轧钢板冷轧镀锌板卷或切板工业,民用建筑高强度钢板高强度镀锌钢板强度高建筑、汽车IF钢板IF级热镀锌钢板深冲好、强度高汽车工业表面外观大锌花大锌花镀锌板小锌花小锌花镀锌板无锌花无锌花镀锌板镀锌层成分含少量Pb、Al有锌花镀锌板有锌花工业,民用建筑不含Pb无铅镀锌板无锌花,耐蚀性好家电Fe-Zn合金锌铁合金表面无光,耐蚀性好汽车,轻工业Zn-5%AlGalfan钢板耐大气耐蚀工业,民用建筑Z...

1、当您付费下载文档后,您只拥有了使用权限,并不意味着购买了版权,文档只能用于自身使用,不得用于其他商业用途(如 [转卖]进行直接盈利或[编辑后售卖]进行间接盈利)。
2、本站所有内容均由合作方或网友上传,本站不对文档的完整性、权威性及其观点立场正确性做任何保证或承诺!文档内容仅供研究参考,付费前请自行鉴别。
3、如文档内容存在违规,或者侵犯商业秘密、侵犯著作权等,请点击“违规举报”。

碎片内容

镀层钢板技术理论和参数资料

您可能关注的文档

确认删除?
VIP
微信客服
  • 扫码咨询
会员Q群
  • 会员专属群点击这里加入QQ群
客服邮箱
回到顶部