电脑桌面
添加小米粒文库到电脑桌面
安装后可以在桌面快捷访问

基础、主体资料步骤VIP免费

基础、主体资料步骤_第1页
1/9
基础、主体资料步骤_第2页
2/9
基础、主体资料步骤_第3页
3/9
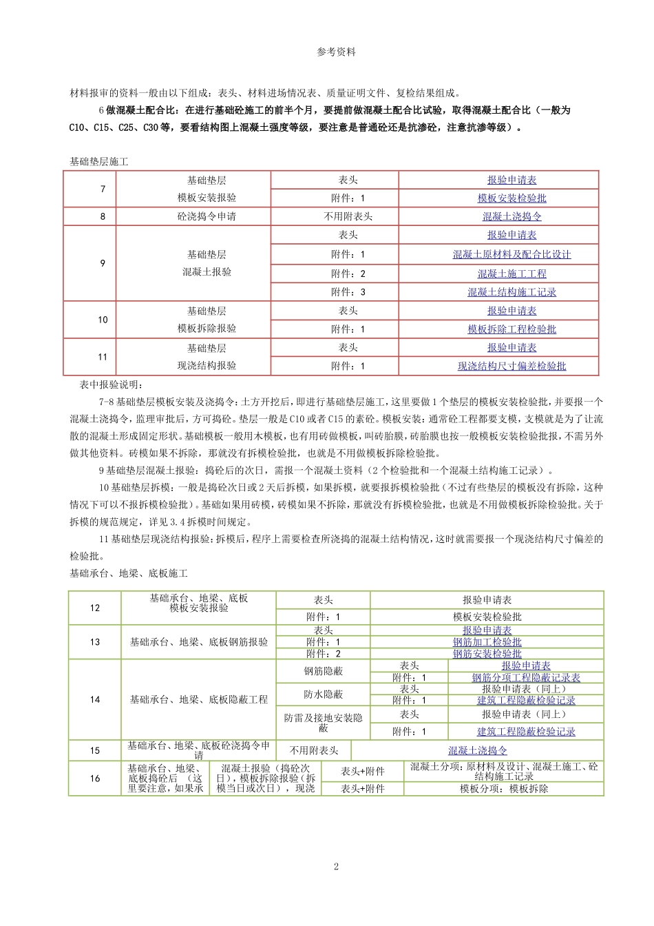
参考资料基础资料整理基础工程报验报验顺序报验内容资料组成资料所含内容1测量报验表头施工测量放线报审表JL-A005附件:1放线的依据材料(一般是图纸,或者自己依据图纸绘制的放线图)附件:2放线成果表(主要是一些测量数据)2技术交底施工技术交底记录3土方开挖报验(所有的报验申请表表格基本一样,只是抬头写法稍微不同)表头报验申请表附件:1土方开挖检验批附件:2地基验槽记录4材料见证取样(材料)见证取样单(取样方式方法参3.1)5材料报审(材料报审,最大的忌讳就是材料使用部位写得太模糊,以钢材为例,就要指明钢材用于那一栋,并且指明用于基础还是主体,最好不要笼统的写用于某栋基础、主体。通常,材料使用部位要分单位工程报审,各个单位工程的资料应尽量做到独立。表头工程材料/构配件/设备报审表附件:1材料、构配件、设备到场情况表附件:2质量证明文件(产品合格证)附件:3复检结果(试验报告)6混凝土配合比报验表头报验申请表(稍微改一下)附件1配合比报告表中报验说明:1测量放线:从甲方手中获得永久性控制点后(一般业主交2个控制性点),进行测量放线,放出房子基础。这里要做一个测量工程报验。2技术交底:技术交底就是为了搞好施工,在施工前把一些技术要求和要点用书面方式跟施工人员交代清楚。这个资料一般不需要报监理,但需要进档。需要进行技术交底的有:1、重要分项工程,比如土方开挖、回填、钢筋、模板、混凝土、砖砌体等;2、重要的、技术难度比较大的工艺流程,比如钢结构吊装等等。技术交底虽然不要报监理,但一般都要存档的,所以常见的技术交底和重要的分项都要做。常见的土建技术交底见:土建技术交底资料库3土方开挖:土方开挖后要做土方开挖检验批及地基验槽记录。土方回填不急着报,要等基础回填后才能报。有时候,回填是主体搞完后才进行,那也就只能那个时候报。4材料报审:是指材料进场后,要向监理单位报验,申请验收,经过验收后方可用于项目。一般主材除了有材料的质量证明文件(合格证和质量检验报告)外,项目施工方还应送其试验室进行复检,但并非所有材料都需要复检,具体应复检的材料详见《试验室见证取样送检教程》。5所谓见证取样:就是在监理或业主的见证下,对材料按照见证取样的规定取样,封存后送往试验室做检验。期间填写的证明这一过程的文件,就是见证取样单。材料送检请详见《试验室见证取样送检教程》1参考资料材料报审的资料一般由以下组成:表头、材料进场情况表、质量证明文件、复检结果组成。6做混凝土配合比:在进行基础砼施工的前半个月,要提前做混凝土配合比试验,取得混凝土配合比(一般为C10、C15、C25、C30等,要看结构图上混凝土强度等级,要注意是普通砼还是抗渗砼,注意抗渗等级)。基础垫层施工7基础垫层模板安装报验表头报验申请表附件:1模板安装检验批8砼浇捣令申请不用附表头混凝土浇捣令9基础垫层混凝土报验表头报验申请表附件:1混凝土原材料及配合比设计附件:2混凝土施工工程附件:3混凝土结构施工记录10基础垫层模板拆除报验表头报验申请表附件:1模板拆除工程检验批11基础垫层现浇结构报验表头报验申请表附件:1现浇结构尺寸偏差检验批表中报验说明:7-8基础垫层模板安装及浇捣令:土方开挖后,即进行基础垫层施工,这里要做1个垫层的模板安装检验批,并要报一个混凝土浇捣令,监理审批后,方可捣砼。垫层一般是C10或者C15的素砼。模板安装:通常砼工程都要支模,支模就是为了让流散的混凝土形成固定形状。基础模板一般用木模板,也有用砖做模板,叫砖胎膜,砖胎膜也按一般模板安装检验批报,不需另外做其他资料。砖模如果不拆除,那就没有拆模检验批,也就是不用做模板拆除检验批。9基础垫层混凝土报验:捣砼后的次日,需报一个混凝土资料(2个检验批和一个混凝土结构施工记录)。10基础垫层拆模:一般是捣砼次日或2天后拆模,如果拆模,就要报拆模检验批(不过有些垫层的模板没有拆除,这种情况下可以不报拆模检验批)。基础如果用砖模,砖模如果不拆除,那就没有拆模检验批,也就是不用做模板拆除检验批。关于拆模的规范规定,详见3.4拆模时间规定。11基础垫层现浇结构报验:...

1、当您付费下载文档后,您只拥有了使用权限,并不意味着购买了版权,文档只能用于自身使用,不得用于其他商业用途(如 [转卖]进行直接盈利或[编辑后售卖]进行间接盈利)。
2、本站所有内容均由合作方或网友上传,本站不对文档的完整性、权威性及其观点立场正确性做任何保证或承诺!文档内容仅供研究参考,付费前请自行鉴别。
3、如文档内容存在违规,或者侵犯商业秘密、侵犯著作权等,请点击“违规举报”。

碎片内容

基础、主体资料步骤

您可能关注的文档

确认删除?
VIP
微信客服
  • 扫码咨询
会员Q群
  • 会员专属群点击这里加入QQ群
客服邮箱
回到顶部