电脑桌面
添加小米粒文库到电脑桌面
安装后可以在桌面快捷访问

生活泵房技术要求VIP免费

生活泵房技术要求_第1页
1/12
生活泵房技术要求_第2页
2/12
生活泵房技术要求_第3页
3/12
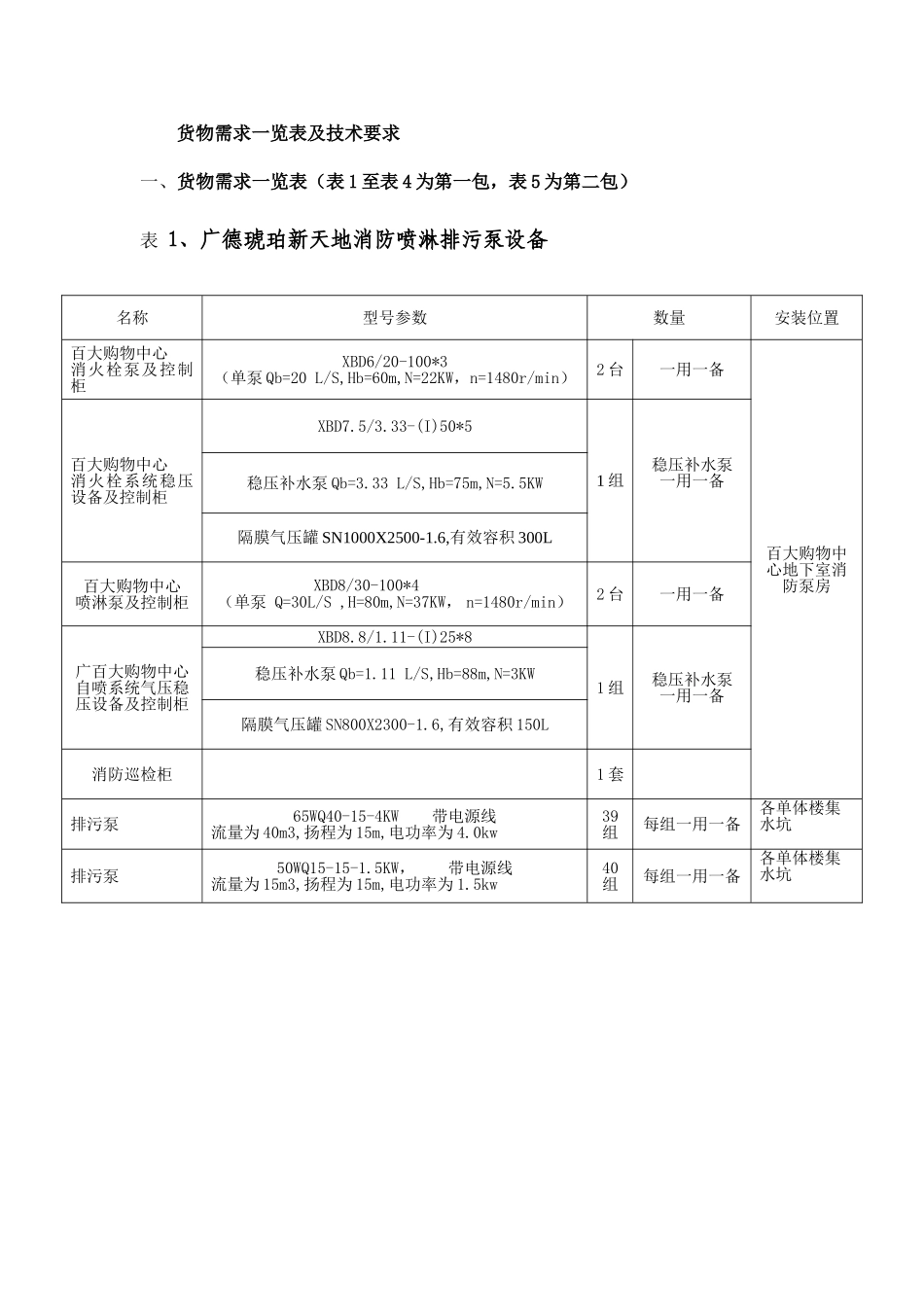
货物需求一览表及技术要求一、货物需求一览表(表1至表4为第一包,表5为第二包)表1、广德琥珀新天地消防喷淋排污泵设备名称型号参数数量安装位置百大购物中心消火栓泵及控制柜XBD6/20-100*3(单泵Qb=20L/S,Hb=60m,N=22KW,n=1480r/min)2台一用一备百大购物中心地下室消防泵房百大购物中心消火栓系统稳压设备及控制柜XBD7.5/3.33-(I)50*51组稳压补水泵一用一备稳压补水泵Qb=3.33L/S,Hb=75m,N=5.5KW隔膜气压罐SN1000X2500-1.6,有效容积300L百大购物中心喷淋泵及控制柜XBD8/30-100*4(单泵Q=30L/S,H=80m,N=37KW,n=1480r/min)2台一用一备广百大购物中心自喷系统气压稳压设备及控制柜XBD8.8/1.11-(I)25*81组稳压补水泵一用一备稳压补水泵Qb=1.11L/S,Hb=88m,N=3KW隔膜气压罐SN800X2300-1.6,有效容积150L消防巡检柜1套排污泵65WQ40-15-4KW带电源线流量为40m3,扬程为15m,电功率为4.0kw39组每组一用一备各单体楼集水坑排污泵50WQ15-15-1.5KW,带电源线流量为15m3,扬程为15m,电功率为1.5kw40组每组一用一备各单体楼集水坑表2、蚌埠琥珀新天地排污泵招标数量统计表3、琥珀名城和园三期排污泵材料表名称型号参数数量安装位置备注排污泵80WQ40-15-4(型号说明:接口口径8.0cm,流量40立方/小时,扬程15米,电功率4KW)22台1、2、3、4、5、8、10、15、18#该项招标只包括泵本体、电源线(从泵坑到控制箱),不含控制柜和液位仪。排污泵80WQ45-22-5.5(型号说明:接口口径8.0cm,流量45立方/小时,扬程22米,电功率5.5KW)4台2#地库(6#、11#)排污泵50WQ15-15-1.5(型号说明:接口口径5cm,流量15立方/小时,扬程15米,电功率1.5KW)10台4#排污泵50WQ10-15-1.5(型号说明:接口口径5cm,流量10立方/小时,扬程15米,电功率1.5KW)94台3、5、15#、1#地库、2#地库(6#、11#)排污泵50WQ20-15-2.2(型号说明:接口口径5cm,流量20立方/小时,扬程15米,电功率2.2KW)4台1#地库说明:1、双泵不锈钢智能污水提升设备基坑尺寸1.5*1.5*1.5米,不锈钢箱体及排污接口、提升接口需依据现场实际尺寸和现场预埋排水管道标高现场定制。对于提升设备的招标含成套提升设备及相应配套的配电箱、液位电极等。表4、琥珀五环城和雅阁排污泵材料表序号名称型号参数数量安装位置名称1排污泵50JYWQ15-15-1.5P1,P9,P13,P18,P375组每组一用一备琥珀名城和园三期地下车库2排污泵50WQ15-15-1.5P14,P22~P25,P27,P29,P31~P35,P3913组每组一用一备3排污泵65JYWQ37-13-3.0P2,P21,2组每组一用一备4排污泵65WQ37-13-3.0P81组每组一用一备5排污泵65WQ25-15-2.2P171组每组一用一备6排污泵65WQ40-15-4.021#楼消防电梯,22#楼消防电梯,23#PL-1,23#PL-2,24#PL-1,PL-2,25#PL-1,25#PL-210组每组一用一备7排污泵50WQ20-15-2.223#PL-3,23#PL-6,24#PL-3,24#PL-64组每组两用8排污泵50WQ15-15-1.523#PL-4,23#PL-5,24#PL-4,24#PL-54组每组一用一备9排污泵TJP-10-15-1.5/2双泵不锈钢智能污水提升设备一套23#WL-1,24#WL-13套每组一用一备表5、琥珀五环城和雅阁生活加压泵房材料表序号名称型号参数数量安装位置名称1排污泵65QW25-18-3.0H1~H88台和雅阁地下车库平战合用2排污泵65QW25-18-3.0H9、H102台3排污泵80WQ40-23-7.5H11~H199组每组一用一备4排污泵65QW25-18-3.0H201组每组一用一备5排污泵65QW25-18-3.0P1、P3、P5、P6、P8、P116台和雅阁地下车库地下二层平时专用6排污泵80WQ40-23-7.5P2、P4、P7、P104组每组一用一备7排污泵65QW25-18-3.0P9、P122组每组一用一备8排污泵80WQ40-23-7.5Y1~Y4、Y6~Y2928台和雅阁地下车库地下一层平时专用9排污泵80WQ40-23-7.5Y51组每组一用一备10排污泵80WQ40-23-7.5Y30~Y3910组每组一用一备11排污泵,带搅匀JYWQ50-15-15-1200-1.51#、2#、3#3组每组一用一备和雅阁10#集水井12排污泵,带搅匀JYWQ50-15-15-1200-1.5地下室走道集水坑1组每组一用一备和雅阁11#集水井13排污泵,带搅匀JYWQ80-40-15-1600-4.0消防电梯积水坑1组每组一用一备14排污泵,带搅匀JYWQ50-15-15-1200-1.51#、2#、3#3组每组一用一备和雅阁12#集水井15污水提升装置MULI-PE/1duo污水提升装置Q=2.0L/S,扬程13.5m,P=2.01kw...

1、当您付费下载文档后,您只拥有了使用权限,并不意味着购买了版权,文档只能用于自身使用,不得用于其他商业用途(如 [转卖]进行直接盈利或[编辑后售卖]进行间接盈利)。
2、本站所有内容均由合作方或网友上传,本站不对文档的完整性、权威性及其观点立场正确性做任何保证或承诺!文档内容仅供研究参考,付费前请自行鉴别。
3、如文档内容存在违规,或者侵犯商业秘密、侵犯著作权等,请点击“违规举报”。

碎片内容

生活泵房技术要求

确认删除?
VIP
微信客服
  • 扫码咨询
会员Q群
  • 会员专属群点击这里加入QQ群
客服邮箱
回到顶部