电脑桌面
添加小米粒文库到电脑桌面
安装后可以在桌面快捷访问

叉车保养计划表VIP免费

叉车保养计划表_第1页
1/10
叉车保养计划表_第2页
2/10
叉车保养计划表_第3页
3/10
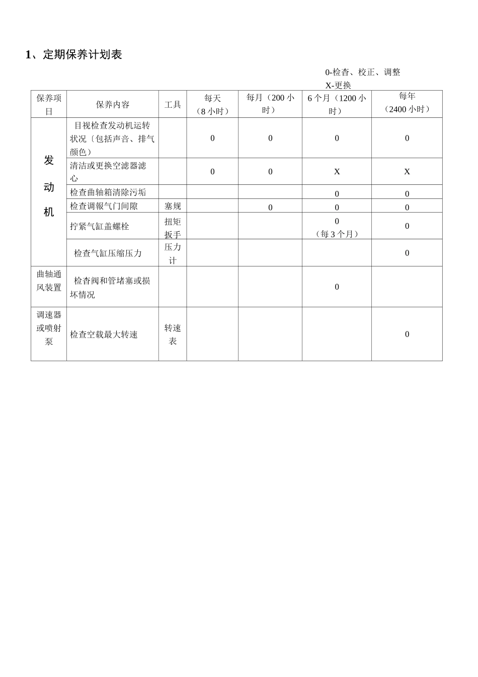
1、定期保养计划表0-检杳、校正、调整X-更换保养项日保养内容工具每天(8小时)每月(200小时)6个月(1200小时)每年(2400小时)发动机目视检查发动机运转状况〔包括声咅、排气颜色)0000清洁或更换空滤器滤心00XX检查曲轴箱清除污垢00检查调報气门间隙塞规000拧紧气缸盖螺栓扭矩扳手0(每3个月)0检查气缸压缩压力压力计0曲轴通风装置检杳阀和管堵塞或损坏情况0调速器或喷射泵检查空载最大转速转速表0发动机保养项口保养内容工具每天(8小时)每月(200小时)6个月(1200小时)每年(2400小时)润滑系统发动机是否漏汕0()0()检查汕最、清洁度0000更换发动机机汕XXX更换发动机机汕滤芯XXXft系目视检査汕管、汕泵、邮箱是否漏汕0000检杏燃汕滤清器是否堵塞000清洁燃汕滤清器(汽汕机)00X清洁燃汕滤清器(柴油机)X(初次3个月)X检查喷嘴,调整压力状态(柴汕机)喷射试验台00检查汽化器连接机构松动情况及清洁度(汽汕机)0(每3个月)0点火正时(汽汕机)计时器0(每3个月)0喷射时刻(柴汕机)0燃油箱排水0(每3个月)0清洗燃汕箱00检查燃油箱0000冷却系统冷却液量0000渗漏情况0000清理、更换冷却液X(每3个月)X使川防冻液为2-4年检查风扇皮带张力及损坏情况0000清理水箱外部000水箱盖性能和安装情况000进出胶管老化情况00传动系统保养项口保养内容丁具每天(8小时)每月(200小时)6个月(1200小时)每年(2400小时)离合器检查离合踏板空行程和离合器脱开时踏板面与底板间隙刻度尺0000声-音和操作情况0000分离和结合情况0000机速箱变速杆操作情况和是否松动00检杏渗漏0000换汕XX液力变箱更换吸汕滤芯X初次(200h)XX渗漏情况0000检查汕量或换汕X初次(200h)XX微动踏板空行程和运行情况0000控制阀和液力离合器性能0000微动阀性能0000换挡杆的操作及松动情况000驱动桥(前桥检杏轮毂轴承松动和噪音000擦净并重加齿轮汕XX渗漏检杳0000检杳桥体变形裂缝或损伤情况0(每3个月)0检查与车架连接处螺栓松动情况0(每3个月)0检查轮毂螺栓拧紧力扭力扳手0000注:液力变速箱初次200小时更换液力传动汕o但CPCD20/25/30/35HW15A、CPQD20/25/30/35HW1IA除外。车轮(前、后轮)保养项U保养内容丁具每天(8小时)每月(200小时)6个月(1200小时)每年(2400小时)充气压力气压表0000轮磨损、裂缝或损伤0000轮胎上是否有钉子、石头或其它界物000轮網损伤情况0000分体式轮網螺栓松动检测0000情况锤转向系统保养项日保养内容工具每沢(8小时)每月(200小时)6个月(1200小时)每年(2400小时)检查间隙0000检杳轴向松动0000检杳径向松动0000检杳操作状况0000转向器检杳安装螺栓是否松动000后桥转向节检杏上销是否松动或损伤000检查弯曲、变形、裂缝或损伤情况000检查安装情况检测锤000转向缸检杳操作情况0000检杏是否渗漏0000检杏安装时和较接时是占松动000制动系统保养项口保养内容丁具每天(8小时)每月(200小时)6个月(1200小时)每年(2400小时)制动踏板空行穩刻度尺0000踏板行程0000操作情况0000制动管路是否有空气0000停车制动操纵制动是否安全可靠并有足够行程0000操纵性能0000杆、拉索等操纵性能()00连接是省松动000t损伤、渗漏、破裂000连接、夹紧部位、松动情况000制动B泵分泵渗漏情况000检查汕位、换汕00XX总泵、分泵动作情况0总泵、分泵渗漏、损伤情况0总泵、活塞皮碗、单向阀磨损损伤情况,更换X制鼓及制动制动鼓安装零件是否松动检测锤000摩擦片磨损情况游标卡尺0制动蹄动作情况0固定销是否锈蚀0回位弹簧损坏情况刻度尺0检査自调装置操作间隙是占适当0制动鼓磨损、损伤情况0制动器底板底板是占变形0是否开裂探伤检测0安装时是否松动检测锤0液压系统保养项U保养内容丁具每人(8小时)每月(200小时)6个月(1200小时)每年(2400小时)液压油箱油量检査、换汕000()清理吸汕滤芯00排除异物00控制阀杆连接是否松动0000操作情况0000麥路阀漏汕0000安全阀和倾斜自锁阀操作情况000测量安全阀压力汕压表00管路接头渗漏、松动、破裂、变形、损伤情况000更换管子X1-2年电气系统保养项目保养内容工具每天(8小时)每月(200小时)6个月(1200小时)每年(2400小时)启动马达小齿轮齿合...

1、当您付费下载文档后,您只拥有了使用权限,并不意味着购买了版权,文档只能用于自身使用,不得用于其他商业用途(如 [转卖]进行直接盈利或[编辑后售卖]进行间接盈利)。
2、本站所有内容均由合作方或网友上传,本站不对文档的完整性、权威性及其观点立场正确性做任何保证或承诺!文档内容仅供研究参考,付费前请自行鉴别。
3、如文档内容存在违规,或者侵犯商业秘密、侵犯著作权等,请点击“违规举报”。

碎片内容

叉车保养计划表

您可能关注的文档

确认删除?
VIP
微信客服
  • 扫码咨询
会员Q群
  • 会员专属群点击这里加入QQ群
客服邮箱
回到顶部