电脑桌面
添加小米粒文库到电脑桌面
安装后可以在桌面快捷访问

钢材(碳钢)进料检验规范-2VIP免费

钢材(碳钢)进料检验规范-2_第1页
1/6
钢材(碳钢)进料检验规范-2_第2页
2/6
钢材(碳钢)进料检验规范-2_第3页
3/6
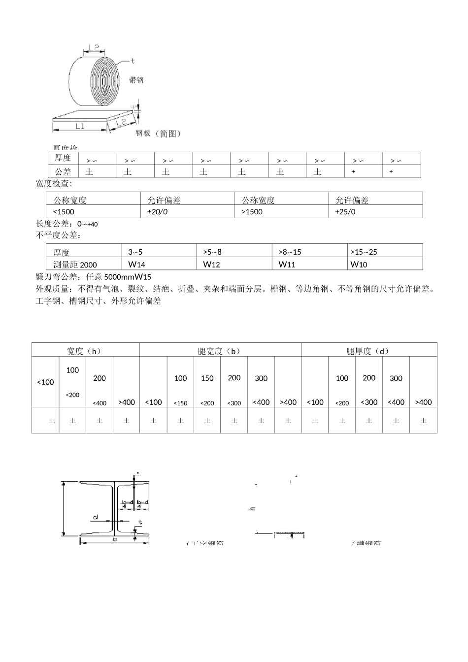
Number:编号版本:VS/QT-WF-24A1版Page:页数1/9FortheAttentionof:Source:品质部Issued:发至:来源发布日期Subject:主题原材料(碳钢)检验规范Approved:批准:1.目的对本公司的原材料检验标准进行规范,确保原材料符合本公司产品要求。2•范围适用于本公司生产用的圆管、方管、矩形管、钢板、钢带、槽钢、角钢、H型钢的检验。3.检验依据化学成分、力学性能参照GB/T700-2006;GB/T1591-2008圆管、方管、矩形管尺寸允许偏差参照GB/T6728-2002;钢板、钢带尺寸允许偏差参照GB/T709-2006;工字钢、槽钢、等边角钢、不等角钢尺寸允许偏差参照GB/T706-2008;热轧H型钢尺寸允许偏差参照GB/T11263-2005;高频焊接薄壁H型钢尺寸允许偏差参照JGT137-20074.抽样检查原则上外观采用按GB/正常II级标准(AQL:0/的抽样方案抽检;批量小于100pcs时则采用全检方式检验特殊检查项(如尺寸、特性、硬度等)每批来料数为1〜100件时,抽检2件,来料数大于100件时,抽检5件,执行0收1退的标准;5•检验要求化学成分、力学性能检查供方提供的材质证明是否满足产品所规定的材质要求(见下表),一般的材料为Q235B、Q345.材质碳(C)硅(Si)锰(Mn)磷(P)硫(S)屈服强度ReH抗拉强度Rm断后伸长率Q235B三235370〜500三26Q345B三345470〜630三20圆管、方管、矩形管尺寸允许偏差。DEE血圆形冷弯空心型钢取斤形冷g空社型钢耶矩形冷弯空心型钢(简图)厚度检查:tW10,公差为±10%t;t>10,公差为土8%t。外形尺寸检查①圆管外径040060076089//公差土土土土//②方管边长4050608090100公差土土土土土土③矩形管边长H50608090100120边长B403040405080406060公差土土土土土土长度长度偏差:0〜+70方管、矩形管平面度应符合:%twXW,测量处:大于距端部100mm。弯曲度:①每米W2mm②W%L冷弯型钢的弯角外圆弧半径R或(Ci,CzH直应符合表4的规定。R或(C1,C2)值的测量方法按图4规定或用圆角规进行测量。表4外圆弧半径R或(CI,C2)值厚度t/mmR或(C1、C2)值碳素钢(ORW320MPa)低合金钢(a>320MPa)tW3〜t1.5〜t3102.0〜3.5t注:a值指标准中规定的最低值。热轧钢板和钢带的尺寸允许偏差。边长(直径)W1002mm100<边长(直径)W3004mm300<边长(直径)W5006mm表面质量:不得有气泡、裂纹、结疤、折叠、夹杂和端面分重错位,焊接处的外毛刺不允许有,内毛刺允许有。搭焊、烧穿及11J.!济T:沁:1:才:(工字钢简(槽钢简厚度t>〜>〜>〜>〜>〜>〜>〜>〜>〜公差土土土土土土土++宽度检查:公称宽度允许偏差公称宽度允许偏差<1500+20/0>1500+25/0长度公差:0〜+40不平度公差:厚度3〜5>5〜8>8〜15>15〜25测量距2000W14W12W11W10镰刀弯公差:任意5000mmW15外观质量:不得有气泡、裂纹、结疤、折叠、夹杂和端面分层。槽钢、等边角钢、不等角钢的尺寸允许偏差。工字钢、槽钢尺寸、外形允许偏差宽度(h)腿宽度(b)腿厚度(d)<100100<200200<400>400<100100<150150<200200<300300<400>400<100100<200200<300300<400>400土土土土土土土土土土土土土土土厚度检■七(简项目允许偏差咼度H<400土t1(按型A400〜<600土<5号)>600土>5〜<16宽度B(按<100土>16〜<25>100〜<200土>25〜<40号)>200土>40厚度长度允许偏差t2允许偏差<74-60土<5土m0土>5〜<16土长度每增加土>16〜<25土>71m或不足1m土>25〜<40土时,正偏差在土>40土m上述基础上加5mm长度<8000mm,允许偏差+50/0;长度>8000mm,允许偏差+80/0.角钢尺寸、外形允许偏差等边角钢的边宽度b,边厚度d尺寸允许偏差应符合下表规定(参照GB/T706—2008)型号允许偏差(mm)弯曲度(mm)边宽度L边厚度L3长度允许偏差每米总长弯曲度2〜土土+50/-0mmW3mmw总长度的%9土土不等边角钢边宽度B、b,边厚度d尺寸允许偏差应符合下表规定(参照GB/T706—2008)型号允许偏差(mm)长度允许偏差弯曲度边宽度L1、L2边厚度L3每米弯曲度总长弯曲度土土+50/-0mmW3mmW总长度的%4〜9/土土外观质量:不得有气泡、裂纹、结疤、折叠、夹杂和端面分层。热轧H型钢的尺寸、外形允许偏差项目允许偏差图示翼缘斜高度(型号)W300TW%B。但允许偏差的最小值为度T高度(型号)>300TW%BO但允许偏差的最小值为弯曲度高度(型号)W300W长度的%高度(型号)>300W长度的%适用于上下、左右大弯曲中心偏高度(型号)W300且宽差S度(型号)W200土a呼亠k表I~J高频焊接薄壁H型钢尺寸允许偏差型钢的表面质量:不得有气泡、裂纹、结疤、折叠、夹杂和端面分层,焊接质量要求光滑连接。

1、当您付费下载文档后,您只拥有了使用权限,并不意味着购买了版权,文档只能用于自身使用,不得用于其他商业用途(如 [转卖]进行直接盈利或[编辑后售卖]进行间接盈利)。
2、本站所有内容均由合作方或网友上传,本站不对文档的完整性、权威性及其观点立场正确性做任何保证或承诺!文档内容仅供研究参考,付费前请自行鉴别。
3、如文档内容存在违规,或者侵犯商业秘密、侵犯著作权等,请点击“违规举报”。

碎片内容

钢材(碳钢)进料检验规范-2

确认删除?
VIP
微信客服
  • 扫码咨询
会员Q群
  • 会员专属群点击这里加入QQ群
客服邮箱
回到顶部