电脑桌面
添加小米粒文库到电脑桌面
安装后可以在桌面快捷访问

2013年高考物理二轮复习_专题四_电磁感应与电路之经典考题VIP专享VIP免费

2013年高考物理二轮复习_专题四_电磁感应与电路之经典考题_第1页
1/4
2013年高考物理二轮复习_专题四_电磁感应与电路之经典考题_第2页
2/4
2013年高考物理二轮复习_专题四_电磁感应与电路之经典考题_第3页
3/4
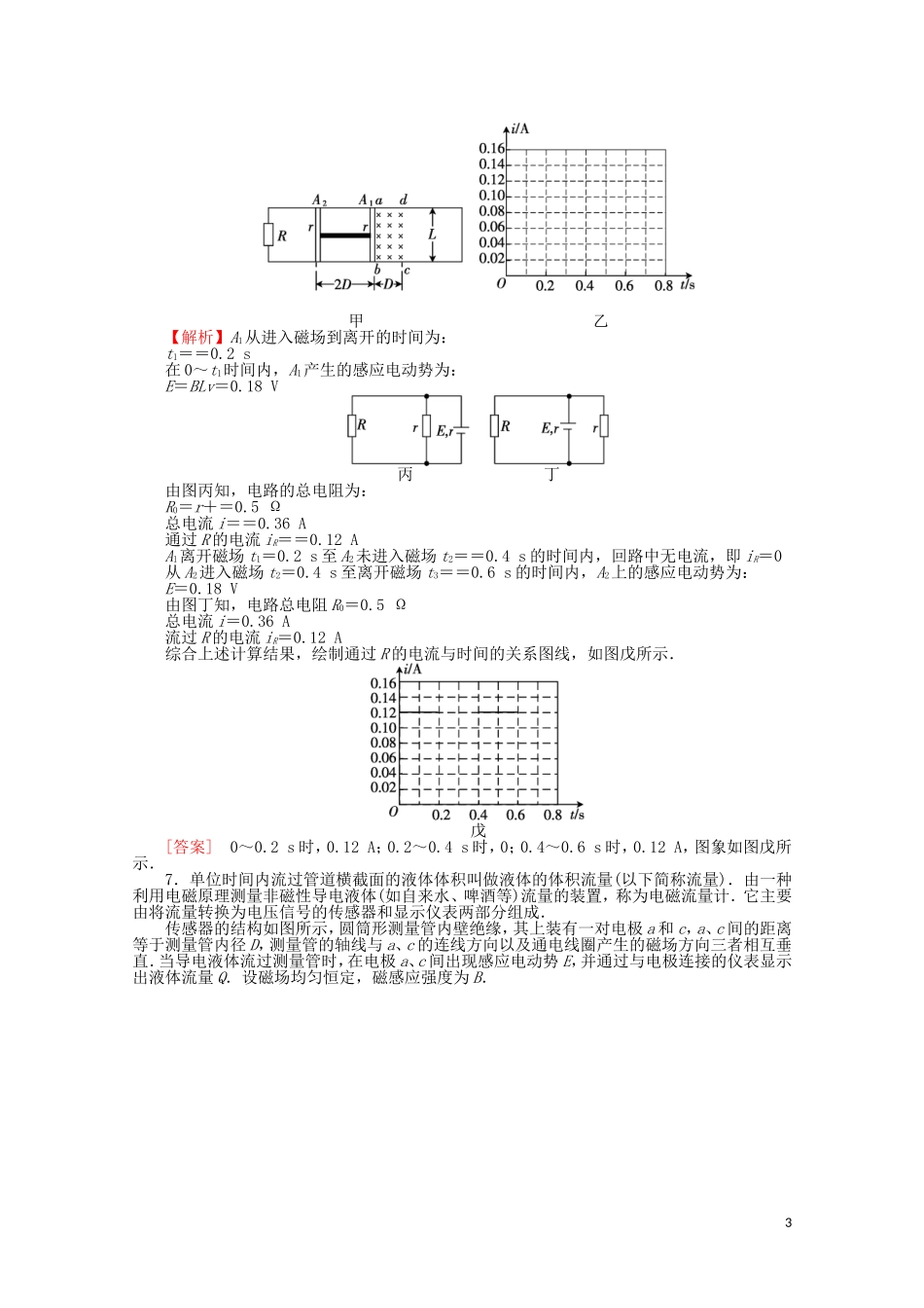
2013年高考二轮复习专题四电磁感应与电路之经典考题1.某实物投影机有10个相同的强光灯L1~L10(24V200W)和10个相同的指示灯X1~X10(220V2W),将其连接在220V交流电源上,电路图如图所示.若工作一段时间后L2灯丝烧断,则[2009年高考·重庆理综卷]()A.X1的功率减小,L1的功率增大B.X1的功率增大,L1的功率增大C.X2的功率增大,其他指示灯的功率减小D.X2的功率减小,其他指示灯的功率增大【解析】显然L1和X1并联、L2和X2并联……然后他们再串联接在220V交流电源上.L2灯丝烧断,则总电阻变大,电路中电流I减小,又L1和X1并联的电流分配关系不变,则X1和L1的电流、功率都减小.同理可知,除X2和L2外各灯功率都减小,A、B均错.由于I减小,各并联部分的电压都减小,交流电源电压不变,则X2上电压增大,根据P=可知,X2的功率变大,C正确、D错误.[答案]C2.一台小型发电机产生的电动势随时间变化的正弦规律图象如图甲所示.已知发电机线圈内阻为5.0Ω,现外接一只电阻为95.0Ω的灯泡,如图乙所示,则[2009年高考·福建理综卷]()A.电压表的示数为220VB.电路中的电流方向每秒钟改变50次C.灯泡实际消耗的功率为484WD.发电机线圈内阻每秒钟产生的焦耳热为24.2J【解析】电压表的示数为灯泡两端电压的有效值,由图象知电动势的最大值Em=220V,有效值E=220V,灯泡两端电压U==209V,A错误;由图象知T=0.02s,一个周期内电流方向变化两次,可知1s内电流方向变化100次,B错误;灯泡的实际功率P==W=459.8W,C错误;电流的有效值I==2.2A,发电机线圈内阻每秒钟产生的焦耳热Q=I2rt=2.22×5×1J=24.2J,D正确.[答案]D3.如图所示,理想变压器的原、副线圈匝数比为1∶5,原线圈两端的交变电压为u=20sin100πtV.氖泡在两端电压达到100V时开始发光,下列说法中正确的有[2009年高考·江苏物理卷]()A.开关接通后,氖泡的发光频率为100HzB.开关接通后,电压表的示数为100VC.开关断开后,电压表的示数变大D.开关断开后,变压器的输出功率不变【解析】由交变电压的瞬时值表达式知,原线圈两端电压的有效值U1=V=20V,由=得,副线圈两端的电压U2=100V,电压表的示数为交变电流的有效值,B项正确;交变电压的频率f==50Hz,一个周期内电压两次大于100V,即一个周期内氖泡能发两次光,所以其发光频率为100Hz,A项正确;开关断开前后,输入电压不变,变压器的变压比不变,故输出电压不变,C项错误;断开后,电路消耗的功率减小,输出功率决定输入功率,D项错误.[答案]AB4.如图甲所示,一个电阻为R、面积为S的矩形导线框abcd,水平放置在匀强磁场中,磁场的磁感应强度为B,方向与ad边垂直并与线框平面成45°角,O、O′分别是ab边和cd边的中点.现将线框右半边ObcO′绕OO′逆时针旋转90°到图乙所示位置.在这一过程中,导线中通1过的电荷量是[2009年高考·安徽理综卷]()甲乙A.B.C.D.0【解析】线框的右半边(ObcO′)未旋转时,整个回路的磁通量Φ1=BSsin45°=BS;线框的右半边(ObcO′)旋转90°后,穿进跟穿出的磁通量相等,如图丁所示,整个回路的磁通量Φ2=0,所以ΔΦ=Φ2-Φ1=BS.根据公式得q==,A正确.丙丁[答案]A5.如图甲所示,一个电阻值为R、匝数为n的圆形金属线圈与阻值为2R的电阻R1连接成闭合回路,线圈的半径为r1.在线圈中半径为r2的圆形区域内存在垂直于线圈平面向里的匀强磁场,磁感应强度B随时间t变化的关系图线如图乙所示,图线与横纵轴的截距分别为t0和B0.导线的电阻不计.求0~t1时间内(1)通过电阻R1上的电流大小和方向.(2)通过电阻R1上的电荷量q及电阻R1上产生的热量.[2009年高考·广东物理卷]甲乙【解析】(1)由图象分析可知,0~t1时间内,=由法拉第电磁感应定律有:E=n=n·S而S=πr22由闭合电路的欧姆定律有:I1=联立解得:通过电阻R1上的电流大小I1=由楞次定律可判断,通过电阻R1上的电流方向为从b到a.(2)通过电阻R1上的电荷量q=I1t1=电阻R1上产生的热量Q=I12R1t1=.[答案](1)方向从b到a(2)6.如图甲所示,水平放置的两根平行金属导轨,间距L=0.3m,导轨左端连接R=0.6Ω的电阻,区域abcd内存在垂直于导轨平面B=0.6T的匀强磁...

1、当您付费下载文档后,您只拥有了使用权限,并不意味着购买了版权,文档只能用于自身使用,不得用于其他商业用途(如 [转卖]进行直接盈利或[编辑后售卖]进行间接盈利)。
2、本站所有内容均由合作方或网友上传,本站不对文档的完整性、权威性及其观点立场正确性做任何保证或承诺!文档内容仅供研究参考,付费前请自行鉴别。
3、如文档内容存在违规,或者侵犯商业秘密、侵犯著作权等,请点击“违规举报”。

碎片内容

2013年高考物理二轮复习_专题四_电磁感应与电路之经典考题

您可能关注的文档

精品文库+ 关注
实名认证
内容提供者

中小学课件教案大全

确认删除?
VIP
微信客服
  • 扫码咨询
会员Q群
  • 会员专属群点击这里加入QQ群
客服邮箱
回到顶部