电脑桌面
添加小米粒文库到电脑桌面
安装后可以在桌面快捷访问

各种混合器产品简介VIP免费

各种混合器产品简介_第1页
1/14
各种混合器产品简介_第2页
2/14
各种混合器产品简介_第3页
3/14
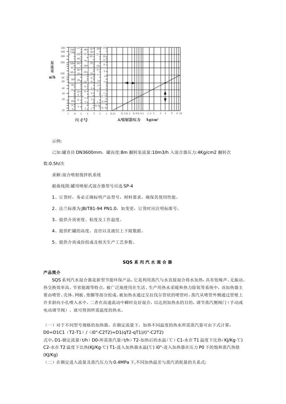
SP系列混合喷射搅拌系统SP系列混合喷射搅拌系统是一种用于混合和翻转液体的高效混合喷射泵,其最大优点在于:可靠、简洁、无须保养、环保、节能。SP系列混合喷射搅拌系统适用范围广阔,可以说,只要用离心泵可以传送翻转液体,就可以使用这种混合喷射搅拌系统,其主要用于容器、贮存罐和中和池,如油品调合,酸碱中和反应等工艺过程,成为理想的混合设备。工作原理从混合喷射器喷嘴中喷出的液流以其高速度在其锥形入口内形成低压,从而从罐中吸附并带动一股液流,使其加速,在喷射器内高度涡漩,产生了一个内部混合的混合液。在混合喷射出口处,这种混合速度部分被转换为压力,使从喷射器中喷出的混合液成圆锥状扩散,并将其周围的液体带起来,达到罐内液体混合、中和的目的。技术指标:液-液混合不均匀度系数a×x-2≤7.5%,最高分散度5~20μm。如果一个或几个SP系列混合喷射器排列正确的话,在罐中就产生了一个三维射流,它把整个罐内的物质进行均匀混合,而不产生剧列的运动。混合喷射器与ISHG化工离心泵、正推进器组成SP混合喷射搅拌系统(工艺流程图如下)。说明:系统液位顶部没有自动液位控制装置,与上部喷头联锁,当液位低于警戒线时自动液位控制装置发出信号使上部喷头停止工作。型号标注产品安装SP系列混合器喷射器应尽可能安装在最深的位置,这样在液体量少的情况下也能保证取得有效的混合效果。对于一些容易形成泡沫的液体来说,可以使液面高于混合喷射器1至2m,就可避免产生泡沫。上图显示SP系列混合喷射器在罐中安装一般位置,敬请用户参考。产品选型SP系列混合喷射搅拌系统型号和尺寸号的安排十分巧妙,对于一般的工艺要求来说,总能找到理想的设备,根据下列功率曲线,您总能得到满意的答案。示例:已知:罐直径DN3600mm,罐高度:8m翻转泵流量:10m3/h入混合器压力:4Kg/cm2翻转次数:0.5h/次求解:混合喷射搅拌机系统据曲线图:罐用喷射式混合器型号应选SP-41、订货时,务必正确标明产品型号,材料要求,确保其使用性能。2、法兰标准为JB/T81-94PN1.0,如变更,订货时应注明标准号。3、提供介质密度、粘度及工作温度。4、提供贮罐的高度、直径以及液位上下限数据。5、提供介质成份组成及相关生产工艺参数。SQS系列汽水混合器产品简介SQS系列汽水混合器是新型节能环保产品,它是利用蒸汽与水直接混合将水加热,具有低噪声、无振动、热交换效率高、节省能源等特点,被广泛地使用在生活、生产用热水采暖和热力除氧等系统中,该加热器主要由喷管、壳体、网板、垫圈等部分组成。被加热水通过呈拉伐尔管状的喷管时,蒸汽从喷管外侧通过管壁上许多斜向小孔喷入水中,二者在高速流动中瞬时良好混合,以达到加热水的目的,调节蒸汽侧阀门(手动或电动调节阀),就可得到所需温度的热水。(一)对于不同型号规格的加热器,在额定流量下,加热不同温度的热水所需蒸汽量可由下式计算:D0=D1C1(T2-T1)/(i0"-C2T2)=D1(qT2-qT1)/(i"-C2T2)式中:D1-额定流量(t/h)D0-所需蒸汽量(t/h)T2-加热后的水温(℃)C1-水在T1温度下比热(KJ/Kg·℃)C2-水在T2温度下比热(KJ/Kg·℃)T1-进入加热器水温(℃)i0"-进入加热器在压力P0下的饱和蒸汽热焓(KJ/Kg)(二)在额定进入流量及蒸汽压力为0.4MPa下,不同加热温差与蒸汽消耗量的关系式:●开式系统蒸汽消耗量t/hSQS-4681012162024324048额定进水流量D11.22.54.57.01016253560105165加热温差℃200.0390.0810.1460.2280.3250.5200.8131.1381.9513.1455.366400.0810.1880.3030.4710.6721.0761.6812.3534.0347.50711.092600.1250.2610.4690.7301.0431.6692.6093.6526.26110.95217.217800.1730.3600.6491.0091.4412.3063.6035.0458.64915.13523.784●循环系统蒸汽消耗量t/hSQS-4681012162024324048额定进水流量D11.22.54.57.01016253560105165加热温差℃70-950.0540.1120.2010.3120.4460.7141.1161.5622.6784.6877.36670-1100.0880.1830.3300.5140.7341.1741.8302.5694.4047.70612.11070-1300.1370.2860.4540.8001.1431.8292.8574.0006.85712.00018.807安装使用说明(一)本设备的使用条件:1.安全运行条件:进入加热器的蒸汽压力---SQS-4~SQS-24P0≤1.6MP...

1、当您付费下载文档后,您只拥有了使用权限,并不意味着购买了版权,文档只能用于自身使用,不得用于其他商业用途(如 [转卖]进行直接盈利或[编辑后售卖]进行间接盈利)。
2、本站所有内容均由合作方或网友上传,本站不对文档的完整性、权威性及其观点立场正确性做任何保证或承诺!文档内容仅供研究参考,付费前请自行鉴别。
3、如文档内容存在违规,或者侵犯商业秘密、侵犯著作权等,请点击“违规举报”。

碎片内容

各种混合器产品简介

您可能关注的文档

确认删除?
VIP
微信客服
  • 扫码咨询
会员Q群
  • 会员专属群点击这里加入QQ群
客服邮箱
回到顶部