电脑桌面
添加小米粒文库到电脑桌面
安装后可以在桌面快捷访问

岩石的分类、风化、软化系数、破碎表VIP免费

岩石的分类、风化、软化系数、破碎表_第1页
1/5
岩石的分类、风化、软化系数、破碎表_第2页
2/5
岩石的分类、风化、软化系数、破碎表_第3页
3/5
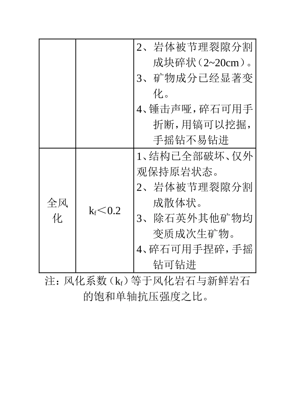
岩石的分类岩石按强度分类表岩石类别饱和单轴极限抗压强度(MPa)代表性岩石硬质岩石>30花岗岩、花岗片麻岩、闪长岩、玄武岩、石灰岩、石英砂岩、石英岩、大理岩、硅质砾岩等软质岩石5~30泥质砂岩、钙质页岩、千枚岩、片岩等极软岩石<5粘土岩、泥质页岩、泥灰岩等注:1、本表适用于确定天然地基容许承载力的分类。2、当地基为软质岩石时,在确保不浸水的条件下,可用天然湿度的单轴极限抗压强度。当受水浸时,软质岩的强度按浸水后的强度考虑。3、岩石试件直径为7~10cm,试件高度与其直径相同。岩石风化程度岩石风化程度表风化程度风化系数(kf)野外特征微风化kf>0.8岩质新鲜、表面稍有风化迹象弱风化0.4<kf≤0.81、结构未破坏、构造层理清晰。2、岩体被节理裂隙分割成块碎状(20~40cm),裂隙中填充少量风化物。3、矿物成分基本未变化,仅沿节理面出现次生矿物。4、锤击声脆,石块不易击碎,不能用镐挖掘,岩心钻方可钻进强风化0.2≤kf≤0.41、结构已部分破坏、构造层理不甚清晰。2、岩体被节理裂隙分割成块碎状(2~20cm)。3、矿物成分已经显著变化。4、锤击声哑,碎石可用手折断,用镐可以挖掘,手摇钻不易钻进全风化kf<0.21、结构已全部破坏、仅外观保持原岩状态。2、岩体被节理裂隙分割成散体状。3、除石英外其他矿物均变质成次生矿物。4、碎石可用手捏碎,手摇钻可钻进注:风化系数(kf)等于风化岩石与新鲜岩石的饱和单轴抗压强度之比。岩石在水中的软化系数岩石在水中的软化系数表岩石名称软化系数(kR)不软化的岩石kR>0.75软化的岩石kR<0.75注:软化系数(kR)等于饱和状态与风干状态的岩石单轴极限抗压强度之比。岩石破碎程度岩石破碎程度表岩块名称野外观察特征大块状岩体多数分割成40cm以上的岩块碎块状岩体多数分割成20~40cm以上的岩块碎石状岩体多数分割成2~20cm以上的岩块

1、当您付费下载文档后,您只拥有了使用权限,并不意味着购买了版权,文档只能用于自身使用,不得用于其他商业用途(如 [转卖]进行直接盈利或[编辑后售卖]进行间接盈利)。
2、本站所有内容均由合作方或网友上传,本站不对文档的完整性、权威性及其观点立场正确性做任何保证或承诺!文档内容仅供研究参考,付费前请自行鉴别。
3、如文档内容存在违规,或者侵犯商业秘密、侵犯著作权等,请点击“违规举报”。

碎片内容

岩石的分类、风化、软化系数、破碎表

您可能关注的文档

确认删除?
VIP
微信客服
  • 扫码咨询
会员Q群
  • 会员专属群点击这里加入QQ群
客服邮箱
回到顶部