电脑桌面
添加小米粒文库到电脑桌面
安装后可以在桌面快捷访问

高中化学 第四章 电化学基础 4.4 金属的电化学腐蚀与防护学案设计 新人教版选修4-新人教版高二选修4化学学案VIP免费

高中化学 第四章 电化学基础 4.4 金属的电化学腐蚀与防护学案设计 新人教版选修4-新人教版高二选修4化学学案_第1页
1/7
高中化学 第四章 电化学基础 4.4 金属的电化学腐蚀与防护学案设计 新人教版选修4-新人教版高二选修4化学学案_第2页
2/7
高中化学 第四章 电化学基础 4.4 金属的电化学腐蚀与防护学案设计 新人教版选修4-新人教版高二选修4化学学案_第3页
3/7
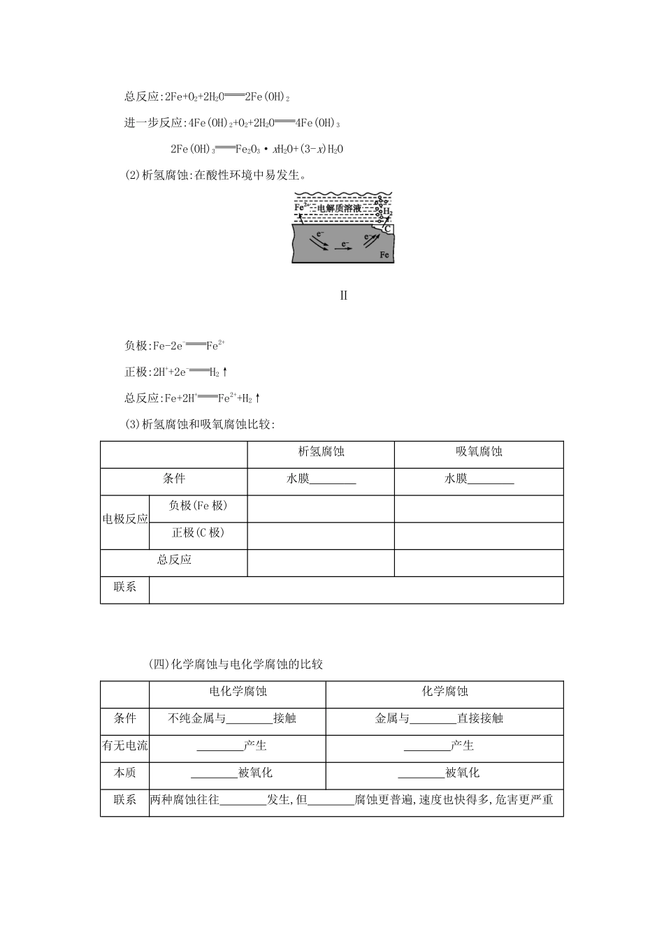
第四节金属的电化学腐蚀与防护学习目标1.了解金属腐蚀的危害及金属腐蚀的本质原因。2.了解金属腐蚀的种类,及金属发生电化学腐蚀的电极反应式的书写。3.掌握金属防护的方法。学习过程一、金属的电化学腐蚀(一)金属腐蚀1.定义:金属与周围的气体或者液体物质发生而引起损耗的现象。2.本质:M-ne-Mn+(氧化反应)。3.类型:一般可分为腐蚀和腐蚀。(二)化学腐蚀1.定义:金属与接触到的干燥气体(如、、等)或非电解质液体(如石油)等直接发生化学反应而引起的腐蚀。2.影响因素:温度越高,化学腐蚀的速度越。(三)电化学腐蚀1.定义:不纯的金属跟电解质溶液接触时,会发生反应,的金属失去电子而被的腐蚀。如在潮湿的空气中生锈。2.钢铁的电化学腐蚀:(1)吸氧腐蚀:中性或酸性很弱条件下易发生。Ⅰ负极:2Fe-4e-2Fe2+正极:O2+2H2O+4e-4OH-总反应:2Fe+O2+2H2O2Fe(OH)2进一步反应:4Fe(OH)2+O2+2H2O4Fe(OH)32Fe(OH)3Fe2O3·xH2O+(3-x)H2O(2)析氢腐蚀:在酸性环境中易发生。Ⅱ负极:Fe-2e-Fe2+正极:2H++2e-H2↑总反应:Fe+2H+Fe2++H2↑(3)析氢腐蚀和吸氧腐蚀比较:析氢腐蚀吸氧腐蚀条件水膜水膜电极反应负极(Fe极)正极(C极)总反应联系(四)化学腐蚀与电化学腐蚀的比较电化学腐蚀化学腐蚀条件不纯金属与接触金属与直接接触有无电流产生产生本质被氧化被氧化联系两种腐蚀往往发生,但腐蚀更普遍,速度也快得多,危害更严重二、金属的电化学防护(一)防护方法1.牺牲阳极的阴极保护法(1)原理:原电池原理。原电池的负极(阳极)的金属被腐蚀;原电池的正极(阴极)的金属被保护。(2)装置示意图:【科学探究】实验验证牺牲阳极的阴极保护法。实验操作实验现象电流计指针,铁电极上,但铁极附近实验结论(1)Zn、Fe和经过酸化的NaCl溶液构成;(2)电极反应:负极:;正极:;(3)该装置中铁2.外加电流阴极保护法(1)原理:电解池原理。(2)装置示意图:3.改变金属的内部结构(如钢制成不锈钢)。4.覆盖保护膜(涂油漆、电镀、钝化等)。(二)金属被保护的效果比较外加电流的阴极保护法>牺牲阳极的阴极保护法>一般保护三、影响金属腐蚀快慢比较1.金属作原电池正极、电解池阴极时受到保护;2.在同一电解质溶液中,金属腐蚀的快慢规律如下:电解原理引起的腐蚀>原电池原理引起的腐蚀>化学腐蚀>牺牲阳极的阴极保护法>外加电流的阴极保护法随堂检测1.下列有关纯铁的描述正确的是()A.熔点比生铁的低B.与相同浓度的盐酸反应生成氢气的速率比生铁的大C.在潮湿空气中比生铁容易被腐蚀D.在冷的浓硫酸中可钝化2.下列叙述中正确的是()①锌与稀硫酸反应制取氢气,加入少量硫酸铜溶液能加快反应②镀层破坏后,白铁(镀锌的铁)比马口铁(镀锡的铁)更易腐蚀③钢铁表面常易锈蚀生成Fe2O3·xH2OA.都正确B.①③C.①D.②③3.下列事实不能用电化学原理解释的是()A.常温条件下,在空气中铝不容易被腐蚀B.镀层破损后,镀锌铁片比镀锡铁片更耐腐蚀C.用锌与硫酸反应制氢气时,往硫酸中滴少量硫酸铜D.远洋海轮的尾部装上一定数量的锌板4.X、Y、Z、M代表四种金属,金属X和Y用导线连接放入稀硫酸中,X溶解,Z上有氢气放出;若电解Y2+离子和Z2+离子共存的溶液时,Y先析出;又知M2+离子的氧化性强于Y2+离子。则这四种金属的活动性由强到弱的顺序为()A.X>Z>Y>MB.X>Y>Z>MC.M>Z>X>YD.X>Z>M>Y5.钢铁在锈蚀过程中,下列5种变化可能发生的是()①Fe由+2价转化为+3价②O2被还原③产生H2④Fe(OH)3失水形成Fe2O3·xH2O⑤杂质碳被氧化除去A.①②B.③④C.①②③④D.①②③④⑤6.如图所示的装置,在盛水的烧杯中,铁圈和银圈的连接处吊着一根绝缘的细丝,使之平衡。小心地向烧杯中央滴入CuSO4溶液。(1)片刻后可看到悬吊的金属圈(填序号)。A.铁圈和银圈左右摇摆不定B.保持平衡状态不变C.铁圈向下倾斜D.银圈向下倾斜(2)产生上述现象的原因是。参考答案学习过程一、(一)1.氧化还原反应3.电化学化学(二)1.O2、Cl2、SO22.快(三)1.原电池比较活泼氧化钢铁2.(3)析氢腐蚀吸氧腐蚀条件呈酸性酸性很弱或呈中性电极反应负极(Fe极)Fe-2e-Fe2+¿¿2Fe-4e-2Fe2+¿¿正极(C极)2H++2e-H2↑2H2O+O2+4e-4OH-总反应Fe+2H+Fe2++H2↑2Fe+O2+2H2O2Fe(OH)2联系钢铁的电化学腐蚀以吸氧腐蚀为主,若所处环境显酸性时,则发生析氢腐蚀(四)电化学腐蚀化学...

1、当您付费下载文档后,您只拥有了使用权限,并不意味着购买了版权,文档只能用于自身使用,不得用于其他商业用途(如 [转卖]进行直接盈利或[编辑后售卖]进行间接盈利)。
2、本站所有内容均由合作方或网友上传,本站不对文档的完整性、权威性及其观点立场正确性做任何保证或承诺!文档内容仅供研究参考,付费前请自行鉴别。
3、如文档内容存在违规,或者侵犯商业秘密、侵犯著作权等,请点击“违规举报”。

碎片内容

高中化学 第四章 电化学基础 4.4 金属的电化学腐蚀与防护学案设计 新人教版选修4-新人教版高二选修4化学学案

您可能关注的文档

;绿洲书城+ 关注
实名认证
内容提供者

从事历史教学,热爱教育,高度负责。

确认删除?
VIP
微信客服
  • 扫码咨询
会员Q群
  • 会员专属群点击这里加入QQ群
客服邮箱
回到顶部