电脑桌面
添加小米粒文库到电脑桌面
安装后可以在桌面快捷访问

发那科数控系统的编程与操作VIP免费

发那科数控系统的编程与操作_第1页
1/35
发那科数控系统的编程与操作_第2页
2/35
发那科数控系统的编程与操作_第3页
3/35
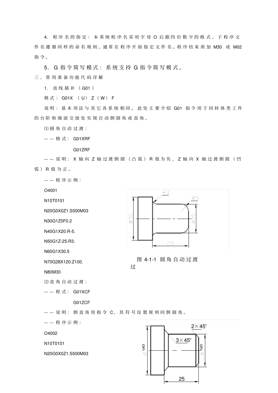
第一节指令详解一、FANUC系统准备功能表表4-1FANUC0iMATE-TB数控系统常用G代码(A类)一览表序号代码组群功能简介1G0001定位(快速进给)2G01直线插补(直线切削)3G02圆弧插补(顺时针)4G03圆弧插补(逆时针)5G0400暂停(延时)6G10可编程数据输入(资料设定)7G2006英制输入单位8G21公制输入单位(美制)9G2204存储行程检查接通10G23存储行程检查断开11G2508主轴速度波动检测断12G26主轴速度波动检测开13G2700自动返回参考点确认14G28返回参考位置15G30第2、3、4参考位置返回16G3201螺纹切削17G34变螺距螺纹切削18G4007取消刀尖半径补偿19G41刀尖半径左补偿20G42刀尖半径右补偿21G5000坐标系设定或主轴最大速度设定22G52局部坐标系设定23G53机床坐标系设定24G5414工件坐标系选择125G55工件坐标系选择226G56工件坐标系选择327G57工件坐标系选择428G58工件坐标系选择529G59工件坐标系选择630G6500调用宏指定31G6612模态宏调用32G67模态宏调用注销33G7000精车固定循环34G71外径粗车循环35G72端面粗车循环36G73固定形状粗车循环37G74Z向啄式钻孔及端面沟槽循环38G75外径断续切槽循环39G76多头螺纹切削循环40G9001外圆切削循环41G92螺纹切削循环42G94端面切削循环43G9605恒线速度控制有效44G97恒线速度控制取消45G9802进给速度按每分钟指定46G99进给速度按主轴每转进给量指定二、FANUC0iMATE-TB编程规则1.小数点编程:在本系统中输入的任何坐标字(包括X、Z、I、K、U、W、R等)在其数值后须加小数点。即X100须记作X100.0。否则系统认为所坐标字数值为100×0.001mm=0.1mm。2.绝对方式与增量方式:FANUC-0T数控车系统中用U或W表示增量方式。在程序段出现U即表示X方向的增量值,出现W即表示Z方向的增量值。同时允许绝对方式与增量混合编程。注意与使用G90和G91表示增量的系统有所区别。3.进给功能:系统默认进给方式为转进给。4.程序名的指定:本系统程序名采用字母O后跟四位数字的格式。子程序文件名遵循同样的命名规则。通常在程序开始指定文件名。程序结束须加M30或M02指令。5.G指令简写模式:系统支持G指令简写模式。三、常用准备功能代码详解1.直线插补(G01)格式:G01X(U)Z(W)F说明:基本用法与其它各系统相同。此处主要介绍G01指令用于回转体类工件的台阶和端面交接处实现自动倒圆角或直角。⑴圆角自动过渡:——格式:G01XRFG01ZRF——说明:X轴向Z轴过渡倒圆(凸弧)R值为负,Z轴向X轴过渡倒圆(凹弧)R值为正。——程序示例:O4001N10T0101N20G0X0Z1.S500M03N30G1Z0F0.2N40G1X20.R-5.N50G1Z-25.R3.N60G1X30.5N70G28X120.Z100.N80M30⑵直角自动过渡:——程式:G01XCFG01ZCF——说明:倒直角用指令C,其符号设置规则同倒圆角。——程序示例:O4002N10T0101N20G0X0Z1.S500M03图4-1-1圆角自动过渡过2×45°25303×45°20N30G1Z0F0.2N40G1X20.C-2.N50G1Z-25.R3.N60G1X30.5N70G28X120.Z100.N80M30提示:自动过渡倒直角和圆角指令在用于精加工编程时会带来方便,但要注意符号的正负要准确,否则会发生不正确的动作。另外,某些FANUC系统倒直角采用I和K指令来表示C值。2.暂停(G04)——格式:G04X(U)或G04P——说明:指令中出现X、U或P均指延时,X和U用法相同,在其后跟延时时间,单位是秒,其后需加小数点。P后面的数字为整数,单位是ms。如需延时2秒,该指令可表述为:G04X2.0或G04U2.0或G04P2000。3.返回参考位置(G28)——格式:G28X(U)Z(W)——说明:G28指令意义类似于西门子G74指定。它的作用效果是各轴以快速移动速度通过中间点回参考点。它与G74指令不同的是G28指令中的坐标字有效,此位置作为中间点。指定语句G28U0W0即直接回参考点(中间点为程序执行前坐标。4.等螺距螺纹加工(G32)——格式:G32X(U)Z(W)F——说明:G32指定为单刀切削螺纹指令,其中IP(即指X、Z坐标)指螺纹终点坐标。F指螺距,对端面螺纹,螺距采用半径值。提示:G32指令也可用于加工连续螺纹切削。参见第三章西门子系统图3-1-3。5.变螺距螺纹加工(G34)——格式:G34X(U)Z(W)FK——说明:G34螺纹用于加工增螺距螺纹或减螺距螺纹。所谓变螺距螺纹指的是以螺纹切入开...

1、当您付费下载文档后,您只拥有了使用权限,并不意味着购买了版权,文档只能用于自身使用,不得用于其他商业用途(如 [转卖]进行直接盈利或[编辑后售卖]进行间接盈利)。
2、本站所有内容均由合作方或网友上传,本站不对文档的完整性、权威性及其观点立场正确性做任何保证或承诺!文档内容仅供研究参考,付费前请自行鉴别。
3、如文档内容存在违规,或者侵犯商业秘密、侵犯著作权等,请点击“违规举报”。

碎片内容

发那科数控系统的编程与操作

您可能关注的文档

确认删除?
VIP
微信客服
  • 扫码咨询
会员Q群
  • 会员专属群点击这里加入QQ群
客服邮箱
回到顶部