电脑桌面
添加小米粒文库到电脑桌面
安装后可以在桌面快捷访问

合肥一六八教育集团2018届九年级第一次阶段检测化学试卷无答案VIP免费

合肥一六八教育集团2018届九年级第一次阶段检测化学试卷无答案_第1页
1/4
合肥一六八教育集团2018届九年级第一次阶段检测化学试卷无答案_第2页
2/4
合肥一六八教育集团2018届九年级第一次阶段检测化学试卷无答案_第3页
3/4
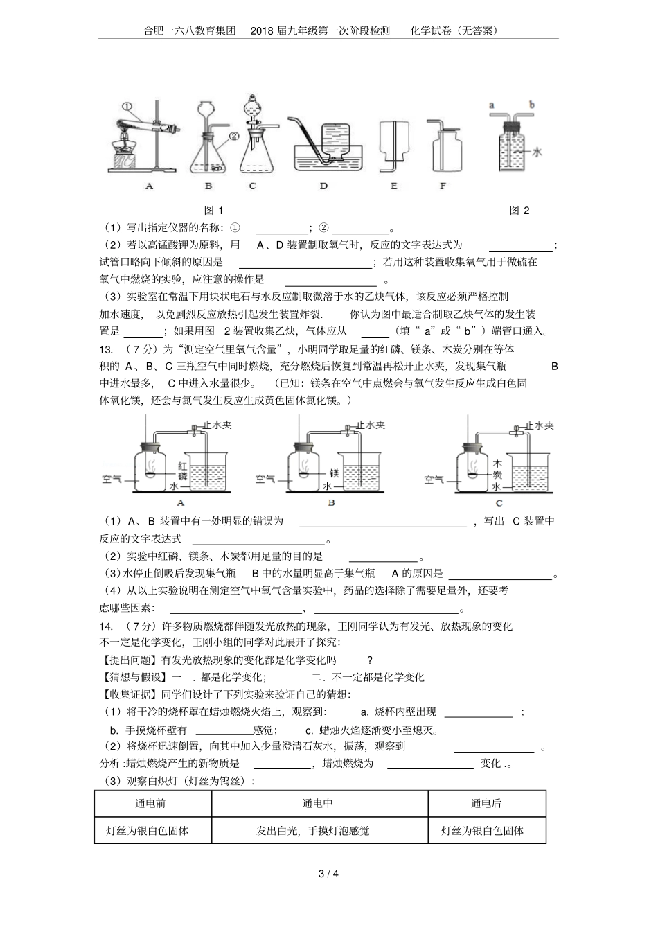
合肥一六八教育集团2018届九年级第一次阶段检测化学试卷(无答案)1/4合肥一六八教育集团2018届九年级第一次阶段检测化学试卷一、选择题(本题包括10小题,每小题2分,共20分。每小题只有一个选项符合题意)1.下列实验室中的交流,属于化学变化的是()A.锥形瓶:“同学们不爱惜我,我被摔碎了”B.铁架台:“好难受啊!我在潮湿的空气中生锈了”C.酒精灯:“帽子哪里去了?我的燃料越来越少了”D.干冰:“我在空气中放置一段时间就会变得无影无踪”2.下列物质的用途主要利用其化学性质的是()A.稀有气体用作多种用途的电光源B.液氧用作助燃剂C.石墨用作铅笔芯D.铜用于制造导线3.下列仪器的用途及使用注意事项都正确的是()加热:使用后吹灭并盖上灯帽吸取液体:滴管口向上防止液体流出测量液体体积:不能被加热称量药品:药品直接放置在天平上ABCD4.下列常见饮品中属于纯净物的是()A.纯牛奶B.可乐C.纯净水D.鲜榨橙汁5.6月5日是世界环境日,我国今年的主题为“绿水青山,就是金山银山”,下列做法不符合这一主题的是()A.开发电动汽车B.使用太阳能路灯C.分类回收垃圾D.汽车尾气直接排放6.空气是人类赖以存在的物质基础,也是人类生产活动的重要资源,下列有关空气的说法正确的是()A.空气中各成分都保持着它们各自的性质B.氧气的质量约占空气质量的五分之一C.空气质量报告中所列的空气质量级别数值越大,说明空气的质量越好D.空气中分离出氮气和氧气属于化学变化7.化学概念间有包含、并列、交叉等不同关系,下列选项符合合肥一六八教育集团2018届九年级第一次阶段检测化学试卷(无答案)2/4右图所示关系的是()ABCDX化合反应纯净物物理变化化学反应Y氧化反应混合物化学变化化合反应8.氧气的化学性质比较活泼,下列对有关反应的描述正确的是()A.红磷在空气中燃烧产生大量的白雾B.铁、硫、石蜡在氧气中的燃烧都是化合反应C.细铁丝在氧气中剧烈燃烧,火星四射,生成黑色的三氧化二铁D.物质与氧气发生的反应属于氧化反应,氧气具有氧化性9.下列各图为检查装置气密性的操作,其中漏气的装置是()ABCD10.实验室常用加热氯酸钾和二氧化锰固体混合物制取氧气,现对一定量混合物进行加热,加热过程中涉及的相关量随时间变化的图象正确的是()ABCD二.填空题(本题包括5小题,共34分)11.(6分)在下列物质中选择适当物质填空(填字母)。A.空气B.二氧化碳C.红磷D.二氧化硫E.氧气F.氮气(1)能使带火星木条复燃的气体是;(2)能使澄清石灰水变浑浊且参与植物光合作用的是;(3)在氧气中燃烧,产生大量白烟的是;(4)有刺激性气味且对环境造成污染的是;(5)制造氮肥的重要原料是;(6)属于混合物的是。12.(8分)图1是实验室制取氧气的一些装置,据图回答有关问题。(所选装置均填序号)合肥一六八教育集团2018届九年级第一次阶段检测化学试卷(无答案)3/4图1图2(1)写出指定仪器的名称:①;②。(2)若以高锰酸钾为原料,用A、D装置制取氧气时,反应的文字表达式为;试管口略向下倾斜的原因是;若用这种装置收集氧气用于做硫在氧气中燃烧的实验,应注意的操作是。(3)实验室在常温下用块状电石与水反应制取微溶于水的乙炔气体,该反应必须严格控制加水速度,以免剧烈反应放热引起发生装置炸裂.你认为图中最适合制取乙炔气体的发生装置是;如果用图2装置收集乙炔,气体应从(填“a”或“b”)端管口通入。13.(7分)为“测定空气里氧气含量”,小明同学取足量的红磷、镁条、木炭分别在等体积的A、B、C三瓶空气中同时燃烧,充分燃烧后恢复到常温再松开止水夹,发现集气瓶B中进水最多,C中进入水量很少。(已知:镁条在空气中点燃会与氧气发生反应生成白色固体氧化镁,还会与氮气发生反应生成黄色固体氮化镁。)(1)A、B装置中有一处明显的错误为,写出C装置中反应的文字表达式。(2)实验中红磷、镁条、木炭都用足量的目的是。(3)水停止倒吸后发现集气瓶B中的水量明显高于集气瓶A的原因是。(4)从以上实验说明在测定空气中氧气含量实验中,药品的选择除了需要足量外,还要考虑哪些因素:、。14.(7分)许多物质燃烧都伴随发光放热的...

1、当您付费下载文档后,您只拥有了使用权限,并不意味着购买了版权,文档只能用于自身使用,不得用于其他商业用途(如 [转卖]进行直接盈利或[编辑后售卖]进行间接盈利)。
2、本站所有内容均由合作方或网友上传,本站不对文档的完整性、权威性及其观点立场正确性做任何保证或承诺!文档内容仅供研究参考,付费前请自行鉴别。
3、如文档内容存在违规,或者侵犯商业秘密、侵犯著作权等,请点击“违规举报”。

碎片内容

合肥一六八教育集团2018届九年级第一次阶段检测化学试卷无答案

爱的疯狂+ 关注
实名认证
内容提供者

该用户很懒,什么也没介绍

相关文档

确认删除?
VIP
微信客服
  • 扫码咨询
会员Q群
  • 会员专属群点击这里加入QQ群
客服邮箱
回到顶部