电脑桌面
添加小米粒文库到电脑桌面
安装后可以在桌面快捷访问

吊车司机安全技术考试试题VIP免费

吊车司机安全技术考试试题_第1页
1/5
吊车司机安全技术考试试题_第2页
2/5
吊车司机安全技术考试试题_第3页
3/5
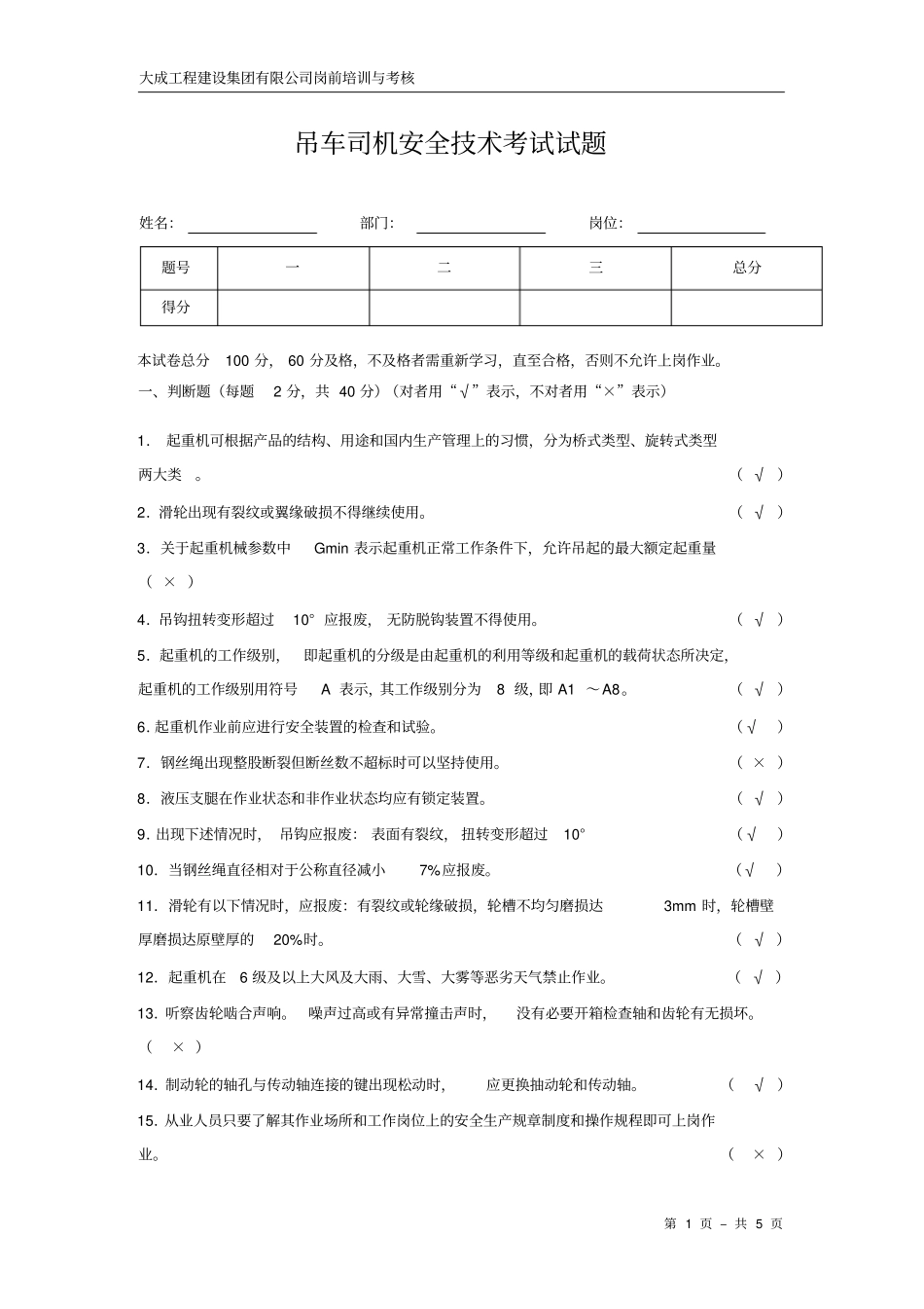
大成工程建设集团有限公司岗前培训与考核第1页–共5页吊车司机安全技术考试试题姓名:部门:岗位:题号一二三总分得分本试卷总分100分,60分及格,不及格者需重新学习,直至合格,否则不允许上岗作业。一、判断题(每题2分,共40分)(对者用“√”表示,不对者用“×”表示)1.起重机可根据产品的结构、用途和国内生产管理上的习惯,分为桥式类型、旋转式类型两大类。(√)2.滑轮出现有裂纹或翼缘破损不得继续使用。(√)3.关于起重机械参数中Gmin表示起重机正常工作条件下,允许吊起的最大额定起重量(×)4.吊钩扭转变形超过10°应报废,无防脱钩装置不得使用。(√)5.起重机的工作级别,即起重机的分级是由起重机的利用等级和起重机的载荷状态所决定,起重机的工作级别用符号A表示,其工作级别分为8级,即A1~A8。(√)6.起重机作业前应进行安全装置的检查和试验。(√)7.钢丝绳出现整股断裂但断丝数不超标时可以坚持使用。(×)8.液压支腿在作业状态和非作业状态均应有锁定装置。(√)9.出现下述情况时,吊钩应报废:表面有裂纹,扭转变形超过10°(√)10.当钢丝绳直径相对于公称直径减小7%应报废。(√)11.滑轮有以下情况时,应报废:有裂纹或轮缘破损,轮槽不均匀磨损达3mm时,轮槽壁厚磨损达原壁厚的20%时。(√)12.起重机在6级及以上大风及大雨、大雪、大雾等恶劣天气禁止作业。(√)13.听察齿轮啮合声响。噪声过高或有异常撞击声时,没有必要开箱检查轴和齿轮有无损坏。(×)14.制动轮的轴孔与传动轴连接的键出现松动时,应更换抽动轮和传动轴。(√)15.从业人员只要了解其作业场所和工作岗位上的安全生产规章制度和操作规程即可上岗作业。(×)大成工程建设集团有限公司岗前培训与考核第2页–共5页16.夏季野外作业应加强防止中署的防署降温措施。(√)17.超载限制器的综合误差,不应大于8%。当载荷达到额定载荷的90%时,应能发出报警信号。起重量超过额定起重量时,能自动切断起升动力源,并发出禁止性报警信号。(√)18.液压传动系统中“通”是表示阀的畅通状态的油口数。(×)19.风速风级报警器在露天工作的起重机,当风力大于7级时能发出报警信号并宜有瞬时风速风级的显示能力。(×)20.物体内部各点都要受到重力的作用,各点重力的合力作用点就是物体的重心,几何形状简单的圆柱形物体,其重心位置在中间横截面的圆心上。(√)二、单项选择题(每题2分,共30分,每题只有一个正确答案,请将正确答案的序号填写在括号里)1、走出可能产生跨步电压的区域应采用的错误方法是(A)。A、大步跨出B、双脚并拢跳出C、单脚跳出2、在用起重机的吊钩应定期检查,至少每(A)年检查一次。A、半B、1C、23、卷筒壁磨损至原壁厚的(C)%时卷筒应报废。A、5B、10C、204、常闭式制动器在制动装置静态时处于(B)状态。A、打开B、制动5、起升机构的制动器必须是(B)式的。A、常开B、制动6、在有腐蚀性的环境中工作时应选用(B)钢丝绳。A、镀铅B、镀锌7、为了避免冲击或过载,在液压回路应设置(C)阀。A、减压B、方向C、溢流8、通常使用环境下,在卷筒上单层排列时采用(A)钢丝绳。A、纤维芯B、石棉芯C、金属芯9、当吊钩处于工作位置最低点时,缠绕在卷筒上的钢丝绳除绳尾外,还必须有不少(B)圈的安全圈。大成工程建设集团有限公司岗前培训与考核第3页–共5页A、1B、2C、310、汽车起重机的安全方向有(C)。A、吊钩上升B、仰角减小C、幅度减小11、减速机构中齿轮传动的齿轮失效形式不包括(C)。A、齿面磨损B、齿面点蚀C、齿面变形12、起重机载高压线一侧工作时,吊物与线路的水平距离不小于(A)m。A、2B、6C、413、汽车(塔式)起重机上使用的滑轮直径越小,对钢丝绳的使用寿命(B)。A、越有利B、越不利C、没影响14、汽车起重机的回转机构应有(C)和回转定位装置。A、驱动装置B.传动装置C、制动装置15、吊臂在伸缩过程中,各节伸缩臂按照一定的伸缩顺序完成伸缩动作的是(A)。A、顺序伸缩机构B、同步伸缩机构C、独立伸缩机构16、下图起重吊运指挥信号中表示“预备"(注意)是(C)A、B、C、17、下图起重吊运指挥信号中表示“要主...

1、当您付费下载文档后,您只拥有了使用权限,并不意味着购买了版权,文档只能用于自身使用,不得用于其他商业用途(如 [转卖]进行直接盈利或[编辑后售卖]进行间接盈利)。
2、本站所有内容均由合作方或网友上传,本站不对文档的完整性、权威性及其观点立场正确性做任何保证或承诺!文档内容仅供研究参考,付费前请自行鉴别。
3、如文档内容存在违规,或者侵犯商业秘密、侵犯著作权等,请点击“违规举报”。

碎片内容

吊车司机安全技术考试试题

您可能关注的文档

确认删除?
VIP
微信客服
  • 扫码咨询
会员Q群
  • 会员专属群点击这里加入QQ群
客服邮箱
回到顶部