电脑桌面
添加小米粒文库到电脑桌面
安装后可以在桌面快捷访问

地下室SBS施工方案VIP免费

地下室SBS施工方案_第1页
1/18
地下室SBS施工方案_第2页
2/18
地下室SBS施工方案_第3页
3/18
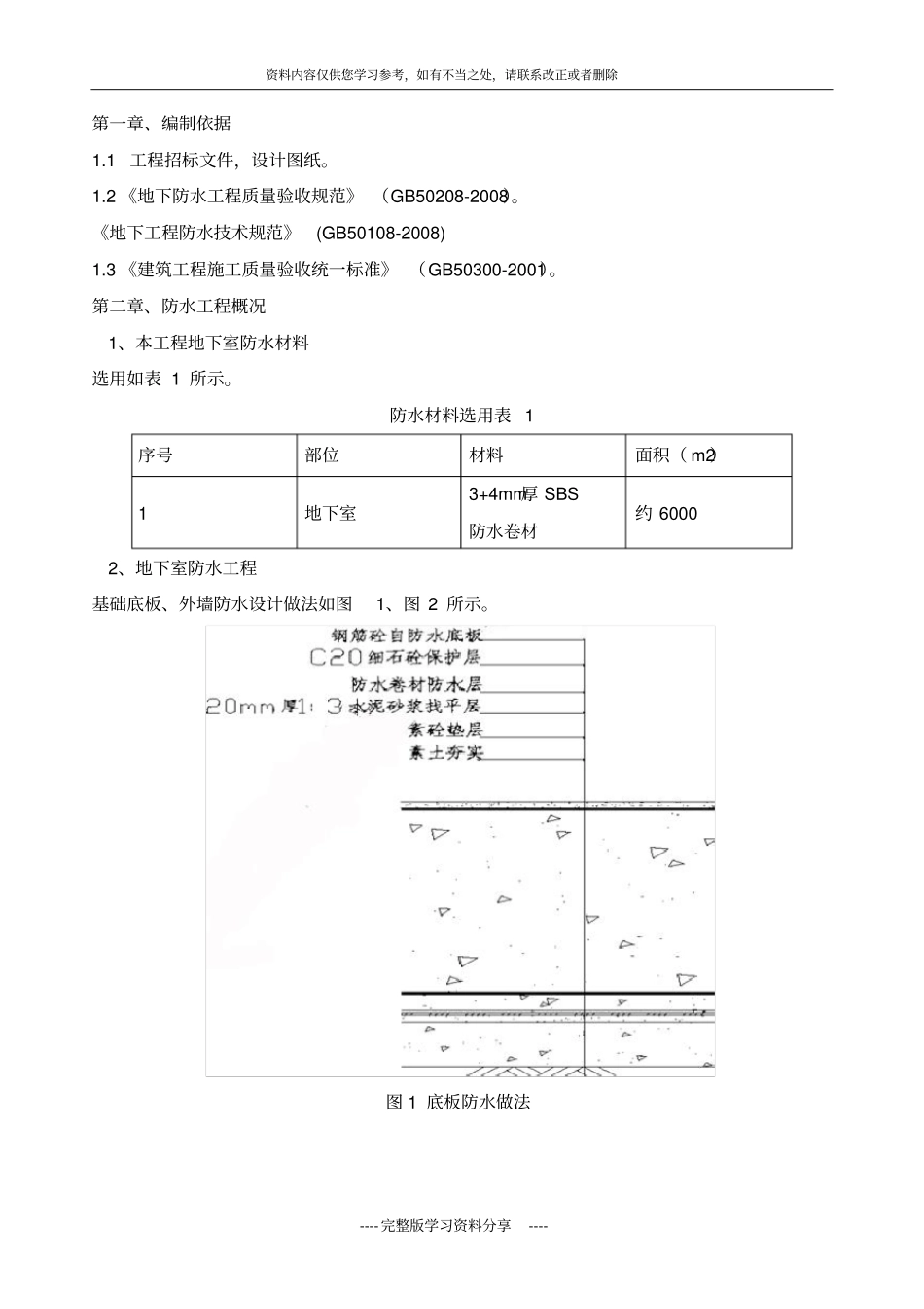
资料内容仅供您学习参考,如有不当之处,请联系改正或者删除----完整版学习资料分享----目录第一章编制依据.....................................................2第二章防水工程概况.................................................2第1节本工程地下室防水材料.......................................2第2节地下室防水工程.............................................2第三章施工条件.....................................................3第四章施工准备.....................................................4第1节技术及人员准备.............................................4第2节材料准备...................................................4第五章地下室底板防水施工...........................................7第1节工艺流程...................................................7第2节施工要点...................................................7第3节SBS防水卷材施工注意事项...................................10第4节细部做法..................................................11第六章地下室外墙防水施工..........................................13第1节作业条件..................................................14第2节操作工艺..................................................14第3节细部处理..................................................15第七章施工进度计划................................................17第八章防水工程施工安全技术要求....................................17第九章质量检查....................................................18第十章成品保护措施................................................18资料内容仅供您学习参考,如有不当之处,请联系改正或者删除----完整版学习资料分享----第一章、编制依据1.1工程招标文件,设计图纸。1.2《地下防水工程质量验收规范》(GB50208-2008)。《地下工程防水技术规范》(GB50108-2008)1.3《建筑工程施工质量验收统一标准》(GB50300-2001)。第二章、防水工程概况1、本工程地下室防水材料选用如表1所示。防水材料选用表1序号部位材料面积(m2)1地下室3+4mm厚SBS防水卷材约60002、地下室防水工程基础底板、外墙防水设计做法如图1、图2所示。图1底板防水做法资料内容仅供您学习参考,如有不当之处,请联系改正或者删除----完整版学习资料分享----第三章、施工条件基层必须牢固干净,无松动、起砂、空鼓、脱皮等缺陷;基层表面应平整光滑、均匀一致,其平整度用2m直尺检查,面层与直尺间最大空隙不得大于5mm;阴阳角应做成均匀一致,阴角为平整光滑的圆弧,阳角为钝角,如图3、图4所示。:图3防水基层阳角半径资料内容仅供您学习参考,如有不当之处,请联系改正或者删除----完整版学习资料分享----3.4防水层施工环境气温要求,因该工程采用热溶法,故环境温度不低于-10℃。第四章、施工准备技术及人员准备施工前应对图纸审核,了解本工程施工图中的防水细部构造和技术要求,并依据防水工程施工方案或技术措施,做好上岗前培训和技术交底。施工人员每组由7人组成,分工协作。材料准备4.2.1防水材料选用有出厂合格证和有性能检测报告的,并符合国家产品标准和设计要求的材料。有特种材料核准证的SBS防水卷材,材料进场后,防水卷材必须按规定进行抽样复验批量取样,要求如表2所示,以上材料复检合格后方可使用。表2资料内容仅供您学习参考,如有不当之处,请联系改正或者删除----完整版学习资料分享----4.2.1.1SBS防水卷材规格为10m×1m,聚酯胎体,用于地下室,产品主要技术指标如表3所示。产品主要技术指标表3材料性能项目单位防水卷材1拉伸强度N≥800(纵横向)2断裂伸长率%最大拉力时,≥40(纵横向)3耐热度(℃,2h)904低温柔度-25℃,r=25mm,3S弯180°,无裂纹5抗渗透性压力0.3MPa,不透水,保持120min4.2.2辅助材料4.2.2.1基层找平用108胶和32.5级普或矿渣水泥。4.2.2.2冷底子油,主要用于基层与防水卷材之间,起防水及粘结作用。4.2.2.3JS...

1、当您付费下载文档后,您只拥有了使用权限,并不意味着购买了版权,文档只能用于自身使用,不得用于其他商业用途(如 [转卖]进行直接盈利或[编辑后售卖]进行间接盈利)。
2、本站所有内容均由合作方或网友上传,本站不对文档的完整性、权威性及其观点立场正确性做任何保证或承诺!文档内容仅供研究参考,付费前请自行鉴别。
3、如文档内容存在违规,或者侵犯商业秘密、侵犯著作权等,请点击“违规举报”。

碎片内容

地下室SBS施工方案

您可能关注的文档

确认删除?
VIP
微信客服
  • 扫码咨询
会员Q群
  • 会员专属群点击这里加入QQ群
客服邮箱
回到顶部