电脑桌面
添加小米粒文库到电脑桌面
安装后可以在桌面快捷访问

地下室底板混凝土浇筑技术交底VIP专享VIP免费

地下室底板混凝土浇筑技术交底_第1页
1/7
地下室底板混凝土浇筑技术交底_第2页
2/7
地下室底板混凝土浇筑技术交底_第3页
3/7
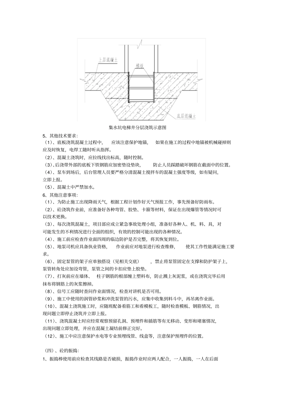
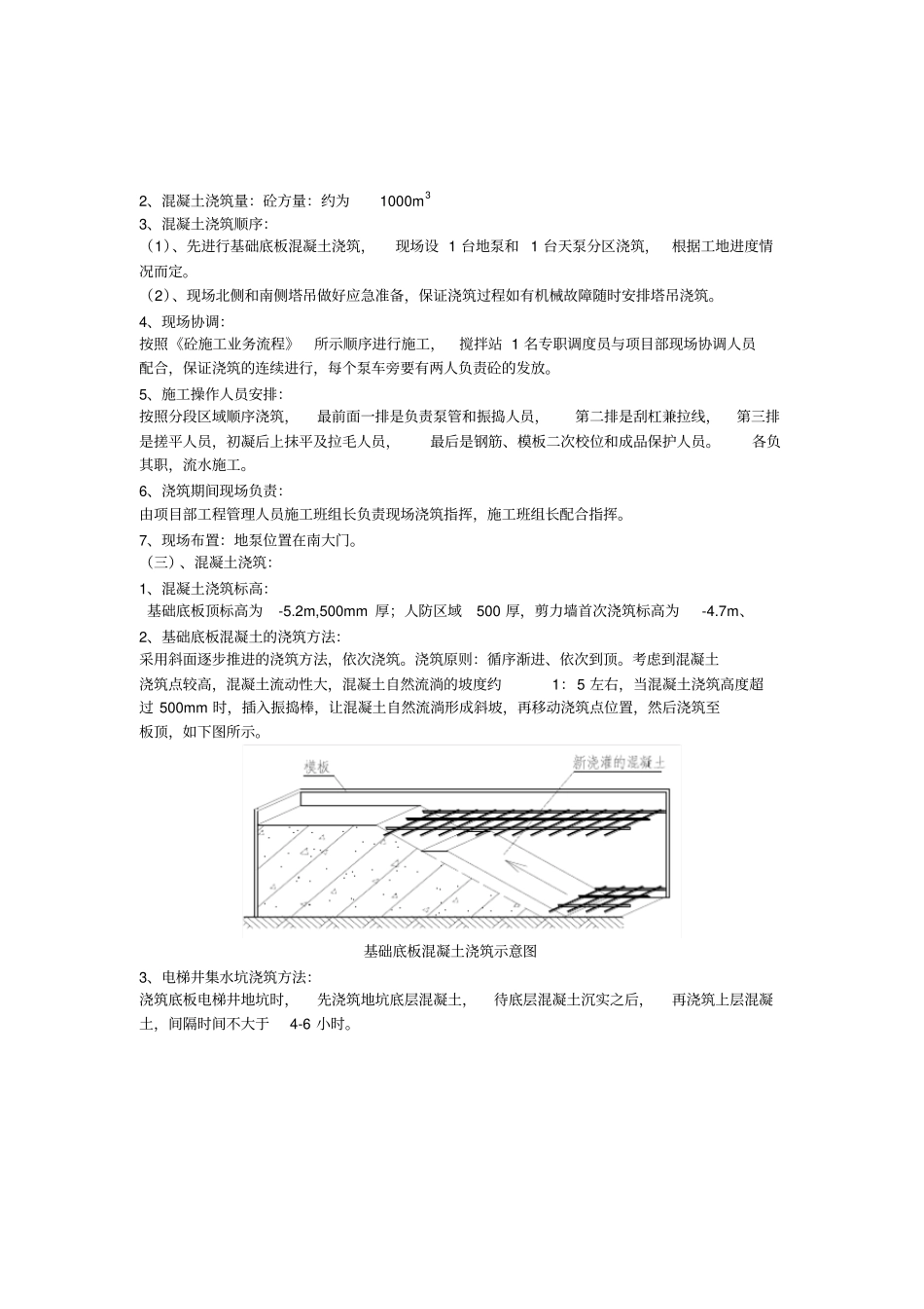
交底内容:一、施工准备:1、材料准备:商品混凝土:强度C30,抗渗等级P6、P8,坍落度140-160mm。混凝土到现场后,由试验员对坍落度进行测定。如不合格立即由项目部管理人员签认后退场,不能用在本工程上。2、机具准备:地泵1台、天泵1台、灰斗、铁锹、振捣棒(4根50振捣棒,1根30振捣棒)、木抹子、铁抹子、刮杠、塑料布、绝缘手套、绝缘鞋、钢丝刷等。3、技术准备:《混凝土施工方案》编制完成并经过审批,项目部召开专项会议,向管理人员进行方案交底,向操作人员进行专门技术交底。4、人力准备:基础底板混凝土浇筑指挥小组组长:项目经理副组长:生产经理,总工地泵负责人:班组队长现场质量巡视:质检员现场测量检测:测量员试验负责人:实验员机械负责人:工长临电负责人:电工二、作业条件:1、浇筑前铺好人行马道,以便人员行走,准备好所有机具,并检查其是否可用或漏电,若有坏掉的马上换上备用机具或现场修理。由专职电工检查电源等关键部位。2、底板的500mm控制线已完成,并做好标记,保证底板的标高。3、底板内的垃圾、木片、刨花、锯屑、泥土和钢筋上的油污等杂物,应清除干净。4、工程部人员熟悉现场情况,协调车辆进出,维持现场秩序,施工队应在出入口设一名调度人员,作业面及地泵、汽车泵应具备有效的联系方法,全场设一名总调度员。5、浇筑前,要作好劳动力和材料的准备工作,保证施工的顺利进行。6、开盘时间前一小时内各有关人员须做好各项准备待命。7、安全人员做好现场工人安全教育,并检查泵管等存在安全隐患的部位,排除不安全因素。夜间打灰要有足够的低压照明设备。8、需浇筑底板的模板、钢筋、预埋件及管线等全部安装完毕,经检查符合设计要求,并办完隐、预检手续以及会签记录并报旁站监理通知书。9、工长根据要求作好安全交底,混凝土浇灌申请书已被批准。10、打灰之前后浇带、施工缝检查合格。11、现场泵管连接完成。12、做好防雨的准备,了解当天天气情况。三、施工工艺:(一)、工艺流程:施工布署→混凝土搅拌→混凝土运输→混凝土浇筑振捣→混凝土找平压实→养护测温(二)、施工布署:1、底板混凝土浇筑顺序:1、本工程底板施工不能一次连续浇筑完成,所以分段,本次浇筑分界线为后浇带和施工缝(1-3轴交A-1/H轴,4-1/6轴交A-1/E轴).2、混凝土浇筑量:砼方量:约为1000m33、混凝土浇筑顺序:(1)、先进行基础底板混凝土浇筑,现场设1台地泵和1台天泵分区浇筑,根据工地进度情况而定。(2)、现场北侧和南侧塔吊做好应急准备,保证浇筑过程如有机械故障随时安排塔吊浇筑。4、现场协调:按照《砼施工业务流程》所示顺序进行施工,搅拌站1名专职调度员与项目部现场协调人员配合,保证浇筑的连续进行,每个泵车旁要有两人负责砼的发放。5、施工操作人员安排:按照分段区域顺序浇筑,最前面一排是负责泵管和振捣人员,第二排是刮杠兼拉线,第三排是搓平人员,初凝后上抹平及拉毛人员,最后是钢筋、模板二次校位和成品保护人员。各负其职,流水施工。6、浇筑期间现场负责:由项目部工程管理人员施工班组长负责现场浇筑指挥,施工班组长配合指挥。7、现场布置:地泵位置在南大门。(三)、混凝土浇筑:1、混凝土浇筑标高:基础底板顶标高为-5.2m,500mm厚;人防区域500厚,剪力墙首次浇筑标高为-4.7m、2、基础底板混凝土的浇筑方法:采用斜面逐步推进的浇筑方法,依次浇筑。浇筑原则:循序渐进、依次到顶。考虑到混凝土浇筑点较高,混凝土流动性大,混凝土自然流淌的坡度约1:5左右,当混凝土浇筑高度超过500mm时,插入振捣棒,让混凝土自然流淌形成斜坡,再移动浇筑点位置,然后浇筑至板顶,如下图所示。基础底板混凝土浇筑示意图3、电梯井集水坑浇筑方法:浇筑底板电梯井地坑时,先浇筑地坑底层混凝土,待底层混凝土沉实之后,再浇筑上层混凝土,间隔时间不大于4-6小时。集水坑电梯井分层浇筑示意图5、其他技术要求:(1)、底板浇筑混凝土过程中,应该注意保护地锚,如果在施工的过程中地锚被机械碰掉则应及时恢复,电焊工随时听从指挥。(2)、混凝土浇筑时,应拉线找出标高,随时控制。(3)、后浇带外部的底板下铁钢筋应加密垫设垫块,防止...

1、当您付费下载文档后,您只拥有了使用权限,并不意味着购买了版权,文档只能用于自身使用,不得用于其他商业用途(如 [转卖]进行直接盈利或[编辑后售卖]进行间接盈利)。
2、本站所有内容均由合作方或网友上传,本站不对文档的完整性、权威性及其观点立场正确性做任何保证或承诺!文档内容仅供研究参考,付费前请自行鉴别。
3、如文档内容存在违规,或者侵犯商业秘密、侵犯著作权等,请点击“违规举报”。

碎片内容

地下室底板混凝土浇筑技术交底

确认删除?
VIP
微信客服
  • 扫码咨询
会员Q群
  • 会员专属群点击这里加入QQ群
客服邮箱
回到顶部