电脑桌面
添加小米粒文库到电脑桌面
安装后可以在桌面快捷访问

地基的承载力试验记录簿表VIP免费

地基的承载力试验记录簿表_第1页
1/9
地基的承载力试验记录簿表_第2页
2/9
地基的承载力试验记录簿表_第3页
3/9
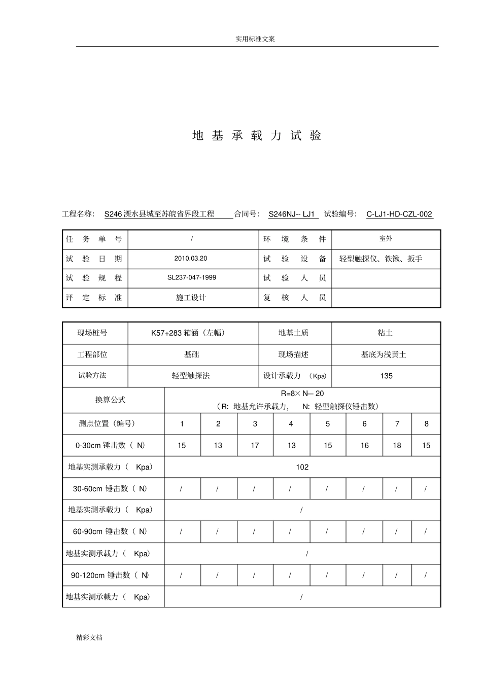
实用标准文案精彩文档地基承载力试验见证记录表工程名称:株洲北站货场南方快运跨线雨棚改造工程施工单位:中铁七局集团郑州工程有限公司监理单位:华南铁路建设监理长沙分公司长沙零星项目监理站实验条件室外试验设备试验规程试验人员评定标准施工图纸复核人员现场部位雨棚南头钢柱地基土质工程部位钢柱基础现场描述试验方法设计承载力(Kpa)150Kpa换算公式R=8×N—20(R:地基允许承载力,N:轻型触探仪锤击数)测点位置(编号)0-30cm锤击数(N)地基实测承载力(Kpa)测点位置(编号)0-30cm锤击数(N)地基实测承载力(Kpa)质量员:现场监理:日期:日期:实用标准文案精彩文档地基承载力试验工程名称:S246溧水县城至苏皖省界段工程合同号:S246NJ--LJ1试验编号:C-LJ1-HD-CZL-002任务单号/环境条件室外试验日期2010.03.20试验设备轻型触探仪、铁锹、扳手试验规程SL237-047-1999试验人员评定标准施工设计复核人员现场桩号K57+283箱涵(左幅)地基土质粘土工程部位基础现场描述基底为浅黄土试验方法轻型触探法设计承载力(Kpa)135换算公式R=8×N—20(R:地基允许承载力,N:轻型触探仪锤击数)测点位置(编号)123456780-30cm锤击数(N)1513171315161815地基实测承载力(Kpa)10230-60cm锤击数(N)////////地基实测承载力(Kpa)/60-90cm锤击数(N)////////地基实测承载力(Kpa)/90-120cm锤击数(N)////////地基实测承载力(Kpa)/实用标准文案精彩文档现场测点分布示意图结论根据《S246溧水县至苏皖省界段公路施工图设计》涵洞通用图中规定,该箱涵基础地基承载力不能满足设计要求。地基承载力试验工程名称:S246溧水县城至苏皖省界段工程合同号:S246NJ--LJ1试验编号:C-LJ1-HD-CZL-003任务单号/环境条件室外试验日期2010.04.06试验设备轻型触探仪、铁锹、扳手试验规程SL237-047-1999试验人员评定标准施工设计复核人员现场桩号K51+815箱涵(左幅)地基土质粘土工程部位基础现场描述基底为黄土试验方法轻型触探法设计承载力(Kpa)110换算公式R=8×N—20(R:地基允许承载力,N:轻型触探仪锤击数)测点位置(编号)123456780-30cm锤击数(N)3130313432292527地基实测承载力(Kpa)21930-60cm锤击数(N)////////地基实测承载力(Kpa)/60-90cm锤击数(N)////////地基实测承载力(Kpa)/90-120cm锤击数(N)////////实用标准文案精彩文档地基实测承载力(Kpa)/现场测点分布示意图结论根据《S246溧水县至苏皖省界段公路施工图设计》涵洞通用图中规定,该箱涵基础地基承载力满足设计要求,合格。地基承载力试验工程名称:S246溧水县城至苏皖省界段工程合同号:S246NJ--LJ1试验编号:C-LJ1-HD-CZL-004任务单号/环境条件室外试验日期2010.04.25试验设备轻型触探仪、铁锹、扳手试验规程SL237-047-1999试验人员评定标准施工设计复核人员现场桩号K51+815箱涵(右幅)地基土质粘土工程部位基础现场描述基底为黄土试验方法轻型触探法设计承载力(Kpa)110换算公式R=8×N—20(R:地基允许承载力,N:轻型触探仪锤击数)测点位置(编号)123456780-30cm锤击数(N)1827333028312528地基实测承载力(Kpa)20030-60cm锤击数(N)////////地基实测承载力(Kpa)/60-90cm锤击数(N)////////地基实测承载力(Kpa)/实用标准文案精彩文档90-120cm锤击数(N)////////地基实测承载力(Kpa)/现场测点分布示意图结论根据《S246溧水县至苏皖省界段公路施工图设计》涵洞通用图中规定,该箱涵基础地基承载力满足设计要求,合格。地基承载力试验工程名称:S246溧水县城至苏皖省界段工程合同号:S246NJ-LJ1试验编号:C-LJ1-HDCZL-005任务单号/环境条件室外试验日期2010.05.04试验设备轻型触探仪、铁锹、扳手试验规程SL237-047-1999试验人员评定标准施工设计复核人员现场桩号K52+486圆管涵地基土质粘土工程部位基础现场描述基底为黄土试验方法轻型触探法设计承载力(Kpa)135换算公式R=8×N—20(R:地基允许承载力,N:轻型触探仪锤击数)测点位置(编号)123456780-30cm锤击数(N)3024262630272825地基实测承载力(Kpa)19630-60cm锤击数(N)////////地基实测承载力(Kpa)/60-90c...

1、当您付费下载文档后,您只拥有了使用权限,并不意味着购买了版权,文档只能用于自身使用,不得用于其他商业用途(如 [转卖]进行直接盈利或[编辑后售卖]进行间接盈利)。
2、本站所有内容均由合作方或网友上传,本站不对文档的完整性、权威性及其观点立场正确性做任何保证或承诺!文档内容仅供研究参考,付费前请自行鉴别。
3、如文档内容存在违规,或者侵犯商业秘密、侵犯著作权等,请点击“违规举报”。

碎片内容

地基的承载力试验记录簿表

确认删除?
VIP
微信客服
  • 扫码咨询
会员Q群
  • 会员专属群点击这里加入QQ群
客服邮箱
回到顶部