电脑桌面
添加小米粒文库到电脑桌面
安装后可以在桌面快捷访问

天然气工商户安检表VIP免费

天然气工商户安检表_第1页
1/2
天然气工商户安检表_第2页
2/2
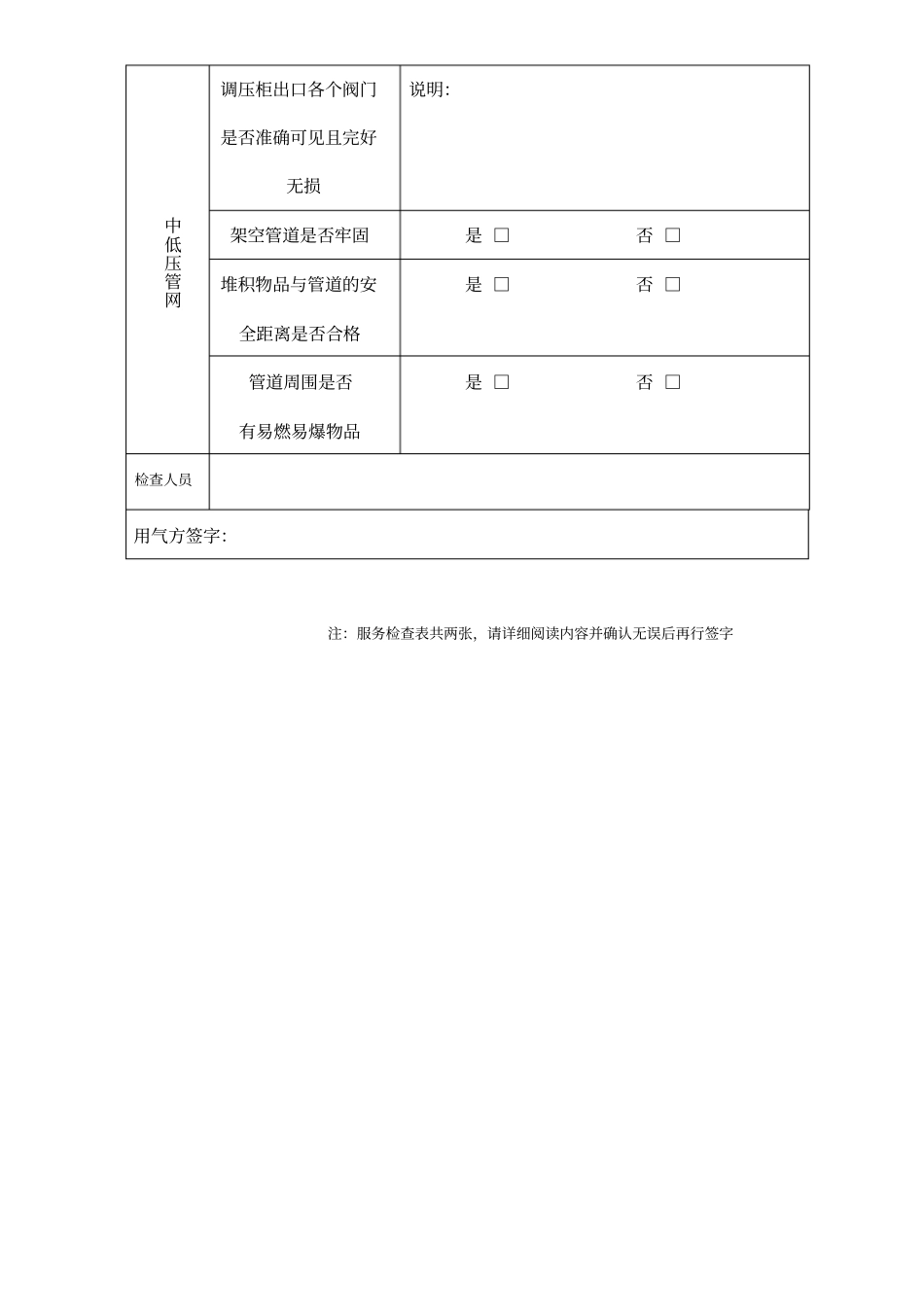
工商户安全用气检查时间:2014年月单位名称安全报警系统探头安装是否完好是□否□控制箱连接各部分是否牢固是□否□报警切断阀是否灵敏有效是□否□供电系统是否安全可靠是□否□调压柜调压系统压力仪表是否正常①进口压力_______②出口压力_______压力变送器是否吻合⑴调压进口□⑵调压中□⑶调压出口□调压器是否符合设备参数一级调压是否合格压前□压后□二级调压是否合格是□否□调压柜保温系统保温带是否完好完好□破损□断裂□各级调压器保温带是否完好是□否□流量计是否有保温装置是□否□供电系统是否正常是□否□管道气密性检查说明1、如有漏气请注明漏气点位置(如灶具、管件、接口、开关阀等)并做好记录2、查处漏气立即修复备注:中低压管网调压柜出口各个阀门是否准确可见且完好无损说明:架空管道是否牢固是□否□堆积物品与管道的安全距离是否合格是□否□管道周围是否有易燃易爆物品是□否□检查人员用气方签字:注:服务检查表共两张,请详细阅读内容并确认无误后再行签字

1、当您付费下载文档后,您只拥有了使用权限,并不意味着购买了版权,文档只能用于自身使用,不得用于其他商业用途(如 [转卖]进行直接盈利或[编辑后售卖]进行间接盈利)。
2、本站所有内容均由合作方或网友上传,本站不对文档的完整性、权威性及其观点立场正确性做任何保证或承诺!文档内容仅供研究参考,付费前请自行鉴别。
3、如文档内容存在违规,或者侵犯商业秘密、侵犯著作权等,请点击“违规举报”。

碎片内容

天然气工商户安检表

您可能关注的文档

确认删除?
VIP
微信客服
  • 扫码咨询
会员Q群
  • 会员专属群点击这里加入QQ群
客服邮箱
回到顶部