电脑桌面
添加小米粒文库到电脑桌面
安装后可以在桌面快捷访问

室内装饰六大工艺流程修改VIP专享VIP免费

室内装饰六大工艺流程修改_第1页
1/17
室内装饰六大工艺流程修改_第2页
2/17
室内装饰六大工艺流程修改_第3页
3/17
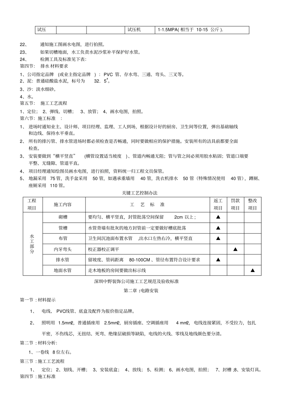
深圳中野装饰公司施工工艺规范及验收标准第一章:水工部分第一节:给水材料要求1、公司指定品牌(或业主指定品牌)联塑或金德PP—R冷、热水管、内牙弯、三通、直通、弯头、闸阀、码钉、过桥弯、堵头、生料带、大小头变通等;2、水泥:普通硅酸盐水泥,标号为32.5#;3、沙:淡水细砂;4、水。第二节:施工工艺流程1、定位,2、弹线、切槽,3、放管,4、固定,5、试压,6、画水电图、拍照,7、验收,8、封槽。第三节:施工标准1、进场时通知业主、设计师、项目经理、监理、工人到场,根据设计好的厨房、卫生间等位置,确认各用水阀门、水龙头、洗手台、洗衣机、座厕、拖地池的位置,以确定管的走向,备用水龙头靠近地漏,应定在人少走动的地方,再根据管的要求,划出线路。2、弹出基础轴线和边线、保持水平垂直。水管切槽宽度为4公分,深度以现场为准,沟槽均匀。3、安装要做到“横平竖直”,管道内畅通无阻,管与管之间必须用热熔器一次性焊接连接,热熔器的温度在1200C-1800C之间;管道口端要平整、无缝隙、管道平直;管线要对齐,红线对红线,蓝线对蓝线;冷水管与热水管距离15公分(特殊情况除外);4、蹲厕、马桶、水龙头、花洒笔安装位置以业主购买规格现场确定,安装水龙头、花洒等五金配件时要戴上白色手套,防止刮花物品;5、管跟管桥架时一定要加过桥弯,不得以其它工种材料相交叉;水管不得从铺设的木地板下穿越,确实需要穿越时,应根据现场情况协调处理。6、洗手间给水管走沉箱面,冷、热水龙头管必须水平及孔距准确(孔距正常保持在15-16CM左右)。7、冷、热水管均为入墙做法,开槽时须检查槽的深度,浴缸上的混合龙头的左右位置一定要装在浴缸中间(先确定浴缸尺寸)高度为浴缸上口150-200MM.8、坐便器的进水出口尽量安置在能被坐便器挡住视线的地方.9、台盆的1进水管离地高度为500-550。10、安装浴缸前应检查防水是否完整,如无防水或防水被破坏,防水应重做。11、厨房洗涤盆处角阀位离地高度为450MM。12、安装热水器进出水时,进水的阀门和进气的阀门一定要考虑,并应安装在相应的位置。13、进水管、煤气管、下水管安装接头严密,连接后清理干净。14、安装厨、卫管道时,管道在出墙的尺寸应考虑到到墙砖贴好后的最后尺寸,即预先考虑到墙砖的厚度。15、设计水管时应考虑到洗衣机的用水龙头安装位置,下水的布置。同时注意电源插座位置是否合适。16、立柱盆的冷、热水龙头离地高度为500-550,下水管一定要装在立柱内。17、到炉具的气阀门要安装在实用、安全的位置。18、冷、热水管上下平行安装时,热水管应在冷水管上方,安装混合龙头时,左热右冷。19、所有冷热水的弯头要用20CM长的单头螺纹的直管校正,包括水平试度,垂直度、间距。校好后再用水泥砂浆固牢。20、码钉距离是600-800mm,水管上必须加pvc防护垫。21、水管试压必须试四次,第一次是开工进场的时候,检查原有水管的质量及接头是否漏水,第二次是改造后试压,检查所有接头是否漏水,第三次是水龙头安装完毕进行检测是否漏水。第四次是在铺完木地板底板后、铺木地板前检测是否漏水。第二次试压必须经甲方和质检员签字验收合格后才可封闭,每次试压应为1-1.5MPA(相当于10-15公斤).试压检测要求:冷、热水管串连,试压时间半小时。项目允许偏差(MM)检验工具检测标准22、通知施工图画水电图,进行拍照。23、如果切槽地面,水工负责水泥沙浆补平保护好水管。24、检测工具及标准见下表:第四节:排水材料要求1、公司指定品牌(或业主指定品牌):PVC管、存水弯、三通、弯头、三叉等。2、泥:普通硅酸盐水泥,标号为32.5#。3、沙:淡水细砂。4、水。第五节:施工工艺流程1、定位;2、弹线、切槽;3、放管;4、画水电图,拍照。第六节:施工标准:1、进场时通知业主、设计师、项目经理、监理、工人到场,根据设计好的厨房、卫生间等位置,弹出基础轴线和边线、保持水平垂直。2、所有的排污管、排水管进场时都必须检查是否畅通,同时要做相应的保护措施。安装所有的洁具前都要全面检查。3、安装要做到“横平竖直”(横管设置适当坡度)、管道内畅通无阻;管与管之间必须用胶水粘固;管道口端要平整、无缝隙、管道平直。...

1、当您付费下载文档后,您只拥有了使用权限,并不意味着购买了版权,文档只能用于自身使用,不得用于其他商业用途(如 [转卖]进行直接盈利或[编辑后售卖]进行间接盈利)。
2、本站所有内容均由合作方或网友上传,本站不对文档的完整性、权威性及其观点立场正确性做任何保证或承诺!文档内容仅供研究参考,付费前请自行鉴别。
3、如文档内容存在违规,或者侵犯商业秘密、侵犯著作权等,请点击“违规举报”。

碎片内容

室内装饰六大工艺流程修改

确认删除?
VIP
微信客服
  • 扫码咨询
会员Q群
  • 会员专属群点击这里加入QQ群
客服邮箱
回到顶部