电脑桌面
添加小米粒文库到电脑桌面
安装后可以在桌面快捷访问

工序施工质量验收评定表VIP免费

工序施工质量验收评定表_第1页
1/34
工序施工质量验收评定表_第2页
2/34
工序施工质量验收评定表_第3页
3/34
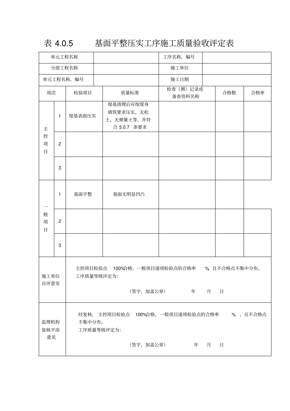
表4.0.4基面清理工序施工质量验收评定表单元工程名称工序名称、编号分部工程名称施工单位单元工程名称、编号施工日期项次检验项目质量标准检查(测)记录或备查资料名称合格数合格率主控项目1表层清理堤基表层的淤泥、腐殖土、泥炭土、草皮、树根、建筑垃圾等应清理干净2堤基内坑、槽、沟、穴等处理按设计要求清理后回填、压实,并符合本标准5.0.7条的要求3结合部处理清除结合部表面杂物,并将结合部挖成台阶状一般项目1清理范围基面清理包括堤身、戗台、铺盖、盖重、堤岸防护工程的基面,其边界应在设计边线外0.3~0.5m。老堤高培厚的清理尚应包括堤坡及堤顶等。23施工单位自评意见主控项目检验点100%合格,一般项目逐项检验点的合格率%,且不合格点不集中分布。工序质量等级评定为:(签字,加盖公章)年月日监理机构复核平淡意见经复核,主控项目检验点100%合格,一般项目逐项检验点的合格率%,且不合格点不集中分布。工序质量等级评定为:(签字,加盖公章)年月日表4.0.5基面平整压实工序施工质量验收评定表单元工程名称工序名称、编号分部工程名称施工单位单元工程名称、编号施工日期项次检验项目质量标准检查(测)记录或备查资料名称合格数合格率主控项目1堤基表面压实堤基清理后应按堤身填筑要求压实,无松土、无弹簧土等,并符合5.0.7条要求23一般项目1基面平整基面无明显凹凸23施工单位自评意见主控项目检验点100%合格,一般项目逐项检验点的合格率%,且不合格点不集中分布。工序质量等级评定为:(签字,加盖公章)年月日监理机构复核平淡意见经复核,主控项目检验点100%合格,一般项目逐项检验点的合格率%,且不合格点不集中分布。工序质量等级评定为:(签字,加盖公章)年月日表5.0.5-1土料摊铺工序施工质量验收评定表单元工程名称工序名称、编号分部工程名称施工单位单元工程名称、编号施工日期项次检验项目质量标准检查(测)记录或备查资料名称合格数合格率主控项目1土块直径符合表5.0.5-2的要求2铺土厚度符合碾压试验或表5.0.5-2的要求;允许偏差为-0.5~0cm一般项目1作业面分段长度人工作业不小于50m;机械作业不小于100m2铺填边线超宽值人工铺料大于10cm;机械铺料大于30cm防渗体:1~10cm包边盖顶:0~10cm施工单位自评意见主控项目检验点100%合格,一般项目逐项检验点的合格率%,且不合格点不集中分布。工序质量等级评定为:(签字,加盖公章)年月日监理机构复核平淡意见经复核,主控项目检验点100%合格,一般项目逐项检验点的合格率%,且不合格点不集中分布。工序质量等级评定为:(签字,加盖公章)年月日表5.0.6土料碾压工序施工质量验收评定表单元工程名称工序名称、编号分部工程名称施工单位单元工程名称、编号施工日期项次检验项目质量标准检查(测)记录或备查资料名称合格数合格率主控项目1压实度或相对密度符合设计要求和5.0.7条的规定一般项目1搭接碾压宽度平行堤轴线方向不小于0.5m;垂直堤轴线放心不小于1.5m2碾压作业程序应符合SL260的规定施工单位自评意见主控项目检验点100%合格,一般项目逐项检验点的合格率%,且不合格点不集中分布。工序质量等级评定为:(签字,加盖公章)年月日监理机构复核平淡意见经复核,主控项目检验点100%合格,一般项目逐项检验点的合格率%,且不合格点不集中分布。工序质量等级评定为:(签字,加盖公章)年月日表6.0.4工序施工质量验收评定表单元工程名称工序名称、编号分部工程名称施工单位单元工程名称、编号施工日期项次检验项目质量标准检查(测)记录或备查资料名称合格数合格率主控项目1铺土厚度符合表5.0.5-2的要求;允许偏差为-0.5~0cm2围堰压实符合设计要求和5.0.7条中老堤加高培厚合格率要求一般项目1铺填边线超宽值人工铺料大于10cm;机械铺料大于30cm2围堰取土坑距堰、堤脚距离不小于3m施工单位自评意见主控项目检验点100%合格,一般项目逐项检验点的合格率%,且不合格点不集中分布。工序质量等级评定为:(签字,加盖公章)年月日监理机构复核平淡意见经复核,主控项目检验点100%合格,一般项目逐项检验点的合格率%,且不合格点不集中分布。工序质量等级评定为:(签字,加盖公章)年月日表6.0.5土料...

1、当您付费下载文档后,您只拥有了使用权限,并不意味着购买了版权,文档只能用于自身使用,不得用于其他商业用途(如 [转卖]进行直接盈利或[编辑后售卖]进行间接盈利)。
2、本站所有内容均由合作方或网友上传,本站不对文档的完整性、权威性及其观点立场正确性做任何保证或承诺!文档内容仅供研究参考,付费前请自行鉴别。
3、如文档内容存在违规,或者侵犯商业秘密、侵犯著作权等,请点击“违规举报”。

碎片内容

工序施工质量验收评定表

确认删除?
VIP
微信客服
  • 扫码咨询
会员Q群
  • 会员专属群点击这里加入QQ群
客服邮箱
回到顶部