电脑桌面
添加小米粒文库到电脑桌面
安装后可以在桌面快捷访问

工序质量评定表VIP免费

工序质量评定表_第1页
1/22
工序质量评定表_第2页
2/22
工序质量评定表_第3页
3/22
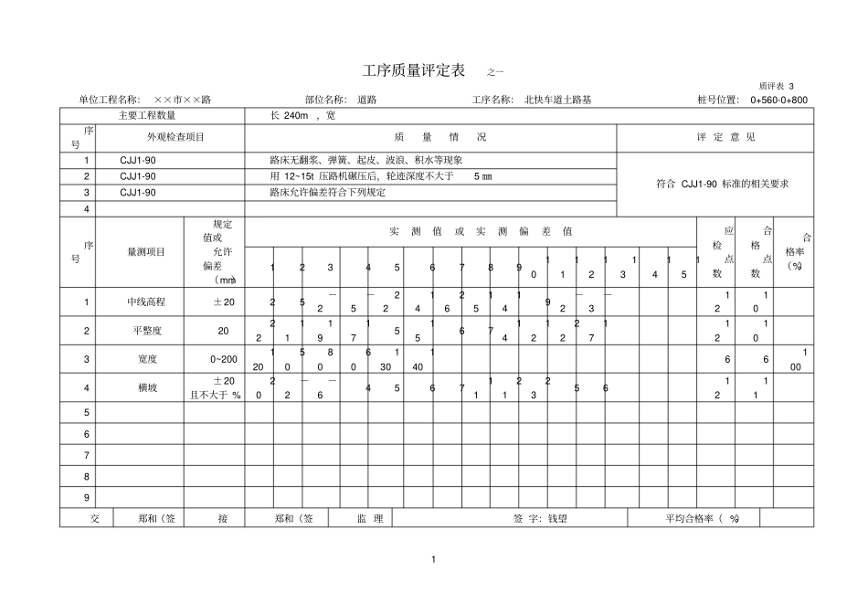
1工序质量评定表之一质评表3单位工程名称:××市××路部位名称:道路工序名称:北快车道土路基桩号位置:0+560-0+800主要工程数量长240m,宽序号外观检查项目质量情况评定意见1CJJ1-90路床无翻浆、弹簧、起皮、波浪、积水等现象符合CJJ1-90标准的相关要求2CJJ1-90用12~15t压路机碾压后,轮迹深度不大于5㎜3CJJ1-90路床允许偏差符合下列规定4序号量测项目规定值或允许偏差(mm)实测值或实测偏差值应检点数合格点数合格率(%)1234567891011121314151中线高程±2025-2-522142615149-2-312102平整度2022111917515671412221712103宽度0~200120508060130140661004横坡±20且不大于%20-2-6456711212356121156789交郑和(签接郑和(签监理签字:钱望平均合格率(%)2方班组字)方班组字)意见评定等级合格施工项目技术负责人:程如新(签字)施工员:张青(签字)质检员:王五(签字)××年6月15日工序质量评定表之二质评表3单位工程名称:××市××路部位名称:道路工序名称:北侧快车道塘渣桩号位置:0+560-0+800主要工程数量长240m,宽,厚度30㎝序号外观检查项目质量情况评定意见1CJJ1-90表面坚实、平整,嵌缝料无浮于表面或聚集形成一层情况符合CJJ1-90标准的相关要求2CJJ1-90用12t以上压路机碾压后,轮迹深度不大于5㎜3CJJ1-90碎石基层允许偏差符合下列规定4序号量测项目规定值或允许偏差(mm)实测值或实测偏差值应检点数合格点数合格率(%)1234567891011121314151厚度±10%358331002平整度1516246911421101541212103宽度不小于设计规定654中线高程±20-6923-4211001215671212105横坡±20且不大于6-2-46-37-8-211401012121003±%6压实密度2t/m337交方班组郑和(签字)接方班组赵灵(签字)监理意见签字:钱望平均合格率(%)评定等级合格施工项目技术负责人:程如新(签字)施工员:张青(签字)质检员:王五(签字)××年7月7日工序质量评定表之三质评表3单位工程名称:××市××路部位名称:道路工序名称:北快车道三渣基层桩号位置:0+480-0+800主要工程数量长320m,宽,厚30cm序号外观检查项目质量情况评定意见1CJJ1-90摊铺层无明显粗细颗粒离析现象符合CJJ1-90标准的相关要求2CJJ1-90用12t以上压路机碾压后,轮迹深度不大于5㎜,并无浮料、脱皮、松散现象3CJJ1-90石灰、粉煤灰类混合料基层允许偏差应符合下列规定4序号量测项目规定值或允许偏差(mm)实测值或实测偏差值应检点数合格点数合格率(%)1234567891011121314151平整度1059107912158641613117910462厚度±101612----8742073253宽度不小于设计规定771004中线高程±20-3-8-9-19-21-10-9-12-9-111614-8-326-22-55横坡±20且不大于±%11925-5-25-38616154-323-366压实度95%(重型)4交方班组赵灵(签字)接方班组赵灵(签字)监理意见签字:钱望平均合格率(%)评定等级合格施工项目技术负责人:程如新(签字)施工员:张青(签字)质检员:王五(签字)××年8月18日工序质量评定表之四A质评表3单位工程名称:××市××路部位名称:道路工程工序名称:混凝土面层桩号位置:K0+360-K0+475主要工程数量南北侧宽各,长115m序号外观检查项目质量情况评定意见1CJJ1-90模板支立牢固,不倾斜、漏浆符合CJJ1-90标准的相关要求2CJJ1-90板面边角整齐,无大于㎜的裂缝,无石子外露和浮浆、脱皮、印痕、积水等现象3CJJ1-90伸缩缝垂直,缝内无杂物。伸缩缝全部贯通,传力杆与缝面垂直4CJJ1-90切缝直线段线直,曲线段弯顺,无夹缝,灌缝无漏浆5CJJ1-90水泥混凝土面层允许偏差符合下列规定5序号量测项目规定值或允许偏差(mm)实测值或实测偏差值应检点数合格点数合格率(%)1234567891011121314151模板直顺度5201331002模板高程±5-2-52331003混凝土抗压强度不低于规定见试验单661004混凝土抗折强度不低于规定见试验单661005厚度+21,-51311-1853661006平整度5163041657相邻板高差32301441008宽度-20-14-10-9331009中线高程±206-71-811-2165交方班组赵灵(签字)接方班组赵灵(签字)监理意见签字:钱望平均合格率(%)评定等级施工项目技术负责人:程如新(签字)施工员:张青(签字)质检员:王五(签字)××年11月...

1、当您付费下载文档后,您只拥有了使用权限,并不意味着购买了版权,文档只能用于自身使用,不得用于其他商业用途(如 [转卖]进行直接盈利或[编辑后售卖]进行间接盈利)。
2、本站所有内容均由合作方或网友上传,本站不对文档的完整性、权威性及其观点立场正确性做任何保证或承诺!文档内容仅供研究参考,付费前请自行鉴别。
3、如文档内容存在违规,或者侵犯商业秘密、侵犯著作权等,请点击“违规举报”。

碎片内容

工序质量评定表

文库响当当+ 关注
实名认证
内容提供者

该用户很懒,什么也没介绍

确认删除?
VIP
微信客服
  • 扫码咨询
会员Q群
  • 会员专属群点击这里加入QQ群
客服邮箱
回到顶部