电脑桌面
添加小米粒文库到电脑桌面
安装后可以在桌面快捷访问

工程施工管理指导流程VIP免费

工程施工管理指导流程_第1页
1/27
工程施工管理指导流程_第2页
2/27
工程施工管理指导流程_第3页
3/27
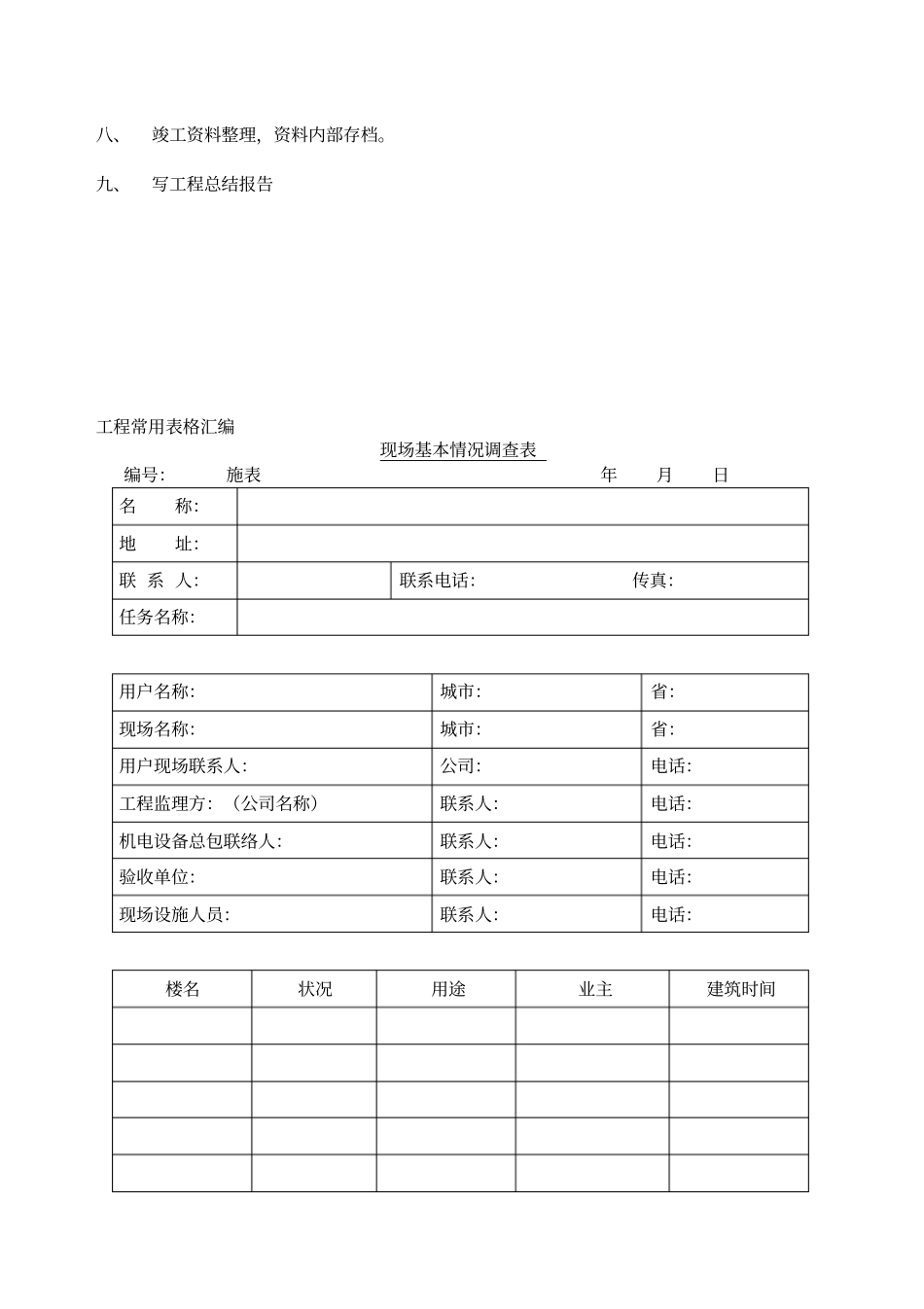
工程施工管理指导流程工程施工管理指导流程细节一、工程部在接到工程施工任务后,与设计人员共同进行现场勘察,交流现场实际情况与设计方案存在的出入,出图、并出勘察纪要,以备设计整改。二、提交施工组织设计方案,进行内部交底,施工方案应包括工期进度安排、材料准备、施工流程、设备安装量表、工期质量材料保障措施,内部交底后确定工程解决方案。三、对甲方进行施工技术交底,交底内容以设计思路为辅,施工方案为主,交底后编写可行的施工组织设计。四、向监理报审施工组织设计,打开工报告,准备施工资料,施工资料包括:1)落实水、电、库房、办公场地2)仓库管理须配备专职仓管员,仓管员须对施工中设备材料的进出仓做好登记、在设备开箱时对设备的外观、型号进行检查作好记录、设备材料堆放有续仓库内须做好防潮放火工作。2)施工队伍安全文明施工教育,施工队伍施工交底,落实施工队伍安全管理制度。3)设备材料报甲方认质,报监理材料审验。4)向公司提交人员、资金、材料计划。五、工程实施阶段:1)安全管理,对于危险、超高、易燃、易爆、高压等环境做好保障措施。2)进度管理,合理安排工作计划,按工程整体进度表进行规划,月底前报下月进度计划,包括资金、材料、人员的使用,报本月完成工作量,加强现场协调。3)质量控制,按照规范检查工作,控制成本,现场变更及时得到甲方及监理确认。4)同甲方、监理方定期进行现场例会,会后填写会议纪要4)施工资料及时整理积累,做好施工日志。5)催要阶段工程款。六、组织工程自检,发现工程中存在的问题及时解决。七、协同甲方、监理共同进行工程验收。八、竣工资料整理,资料内部存档。九、写工程总结报告工程常用表格汇编现场基本情况调查表编号:施表年月日名称:地址:联系人:联系电话:传真:任务名称:用户名称:城市:省:现场名称:城市:省:用户现场联系人:公司:电话:工程监理方:(公司名称)联系人:电话:机电设备总包联络人:联系人:电话:验收单位:联系人:电话:现场设施人员:联系人:电话:楼名状况用途业主建筑时间本表一式七份:建设单位、施工单位。商务部、工程部、财务部、施工人员、存档。签收:部门:日期:图纸会审记录编号:施表年月日建设单位单位工程设计单位分部工程施工单位会审日期主持人记录会审地点参加人员签名设计单位建设单位施工单位内容序号图号会审问题会审总论本表一式伍份:建设单位一份、设计单位一份、施工单位一份,工程部一份、存档一份。签收:部门:日期:技术、安全交底记录编号:施表MH—GC—006年月日建设单位单位工程及分部分项工程名称交底时间接受交底班组人数交底主要内容:施工单位:交底人:接受交底班组长:(签字)本表一式四份:工程部一份、项目主管一份、施工班组一份、存档一份。签收:部门:日期:工程返工表编号:施表年月日名称:地址:施工队:联系人:联系电话:传真:任务名称:序号返工项目原交货返工任务内容日期公司123456要求:解决办法:本表一式四份:建设单位一份、施工单位一份、工程部一份、存档一份。签收:部门:日期:工程质量检查记录表编号:施表年月日建设单位单位工程名称分部工程名称施工图号工序要求公差实际公差施工员检查简要说明建设单位:(公章)代表:(签章)施工单位(公章)质检员:(签章)工程负责人:(签章)本表一式四份:建设单位一份、施工单位一份,工程部一份、存档一份。签收:部门:日期:隐蔽工程验收单编号:施表年月日名称:地址:施工队:联系人:联系人:联系电话:传真:工程类别:□布线工程□管槽工程□其它工作时间:从年月日起至年月日止,共天工程内容完成情况验收单位签名本表一式四份:建设单位一份、施工单位一份,工程部一份、存档一份。签收:部门:日期:工程阶段进度报告编号:施表年月日名称:地址:施工队:联系人:联系人:联系电话:传真:序号时间工程内容1234512345存在问题及对策建议项目经理审核签字:本表一式三份:、施工单位一份、工程部一份、存档一份。签收:部门:日期:管槽施工验收记录编号:施表年月日名称:地址:施工队:联系人:联系人:联系电话:传真:...

1、当您付费下载文档后,您只拥有了使用权限,并不意味着购买了版权,文档只能用于自身使用,不得用于其他商业用途(如 [转卖]进行直接盈利或[编辑后售卖]进行间接盈利)。
2、本站所有内容均由合作方或网友上传,本站不对文档的完整性、权威性及其观点立场正确性做任何保证或承诺!文档内容仅供研究参考,付费前请自行鉴别。
3、如文档内容存在违规,或者侵犯商业秘密、侵犯著作权等,请点击“违规举报”。

碎片内容

工程施工管理指导流程

文库当当响+ 关注
实名认证
内容提供者

该用户很懒,什么也没介绍

确认删除?
VIP
微信客服
  • 扫码咨询
会员Q群
  • 会员专属群点击这里加入QQ群
客服邮箱
回到顶部