电脑桌面
添加小米粒文库到电脑桌面
安装后可以在桌面快捷访问

工程测量模拟卷A~CVIP免费

工程测量模拟卷A~C_第1页
1/9
工程测量模拟卷A~C_第2页
2/9
工程测量模拟卷A~C_第3页
3/9
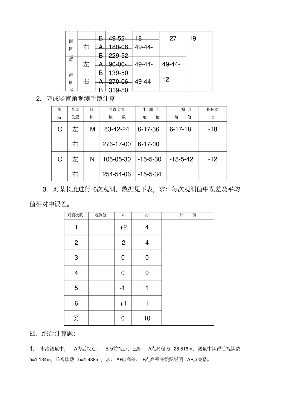
工程测量模拟卷A一、名词解释:1.水准面:地面上处处与重力方向垂直的连接曲线。2.海拔高程:地面点沿垂线到大地水准面的距离。3.水平角:地面上一点到两个目标点的方向线垂直投影到水平面的夹角。4.水准管轴:过零点与内壁圆弧相切的直线。5.地物:地面上的各种固定物件。二、填空:1.在观测水平角时,需观测2个测回,则每测回应按盘左、盘右配置度盘起始读数。2.在半径为10公里的范围内,可以不顾及地球曲率对距离和水平角的影响,直接将大地水准面看成水平面,但对高程的影响,则必须考虑。3.经纬仪使用时,调节物像清晰用对光螺旋,整平照准部水准管用角螺旋,配置水平度盘读数用转盘手轮。4.确定地面点相对位置的量是X、Y和Z。5.测量的基准面是大地水准面,基准线是铅垂线。6.图上长度为10cm,则在1:1000的比例时实际长度为100m。三、表格计算:1.完成测回法观测手簿计算测站竖盘位置目标水平度盘读数半测回角值一测回角值各测回平均角值第左A0-08-149-44-49-44-49-44-一测回OB49-52-182719右A180-0849-44-B229-52第二测回O左A90-06-49-44-49-44-12B139-50右A270-0649-44-B319-502.完成竖直角观测手簿计算测站竖盘位置目标竖直度盘读数半测回角值一测回角值指标差xO左右M83-42-24276-17-006-17-366-17-006-17-18-18O左右N105-05-30254-54-06-15-5-30-15-5-34-15-5-42-123.对某长度进行6次观测,数据见下表,求:每次观测值中误差及平均值相对中误差。观测次数观测值vvv计算1+242-243004005-116+11∑010四、综合计算题:1.水准测量中,A为后视点,B为前视点,已知A点高程为28.516m,测量中读得后视读数a=1.134m,前视读数b=1.438m,求:AB点高差、B点高程并绘图说明AB点关系。2.测得往返测距离分别为55.218m、55.224m。问相对较差为多少?3.闭合水准路线,自BMA经1,2,3点后又闭合于BMA,已知:BMA=65.238米,其各测段观测数据如下表,完成水准路线计算和调整,求出各水准点高程值并绘出草图示意。(允许闭合差为n12)4.角度观测四测回得平均值中误差为15",若观测九测回,则平均值中误差为多少?5.测设直角AOB,一般方法测设后,需要将B点向外移动3cm,已知OB=300m,问测设后精确测得的角值为多少?绘图示意。工程测量学模拟卷B一、名词解释1.高差:地面上两点间的高程差。2.比例尺精度:图上所表示的实地水平长度。3.地形图:即表示出各种地物又用等高线表示出地貌的图。4.平面控制测量:确定控制点的平面位置。5.竖直角:在同一竖直面内,某一方向线与水平线的夹角。二、填空题1.水准仪操作时,使水准管气泡居中用微倾螺旋,使圆水准气泡居中用仪器角螺旋。2.地形测量时,先要做_控制测量__然后进行_碎部测量_。3.观测水平角时,水平度盘固定,指标分划水平度盘。4.测量观测值所存在的误差主要呈现偶然误差的特性,因为系统误差可以采取一定的方法减弱和消除。5.表示地貌的符号为等高线。6.图上面积为50cm2,则在1:1000的比例时实际面积为5000m2。三、选择题:1.某点处真北方向与坐标北方向的夹角称为该点的A。A.子午线收敛角;B.象限角;C.磁偏角;D.磁坐偏角。2.某点位于20带中央子午线上,在北半球,该点沿中央子午线量至赤道的距离是3232500m,则该点在高斯平面直角坐标系的通用坐标为C。A.(3232500,);B.(3732500,);C.(3232500,);D.(,3232500)。3.水准测量前后视距相等可消除的误差是:①视准轴不平行于水准管轴;②水准尺零点差;③地球曲率与大气折光;。则正确的选择为:C。A.①②③;B.②③;C.①③;D.①②。4.用方向观测法测量水平角的限差不包括:_D_。A.半测回归零差;B.上下半测回同一方向值较差;C.各测回同一方向值较差;D.同一测站指标差之差。5.地物地貌的特征点,我们把它称之为B。A.测站点;B.碎部点;C.定位点。四、表格计算1.对某角度进行6次观测,数据见下表,求:算术平均值、每次观测值中误差及算术平均值中误差。观测次序观测值vvv计算150-48-54+525250-48-48-11350-48-42-749450-48-48-11550-49-00+11121650-48-42-749平均值∑=02462.完成测回法观测手簿计算3.完成水准观测手簿计算:测站测点水准尺读数高差高程后视前视(m)(m...

1、当您付费下载文档后,您只拥有了使用权限,并不意味着购买了版权,文档只能用于自身使用,不得用于其他商业用途(如 [转卖]进行直接盈利或[编辑后售卖]进行间接盈利)。
2、本站所有内容均由合作方或网友上传,本站不对文档的完整性、权威性及其观点立场正确性做任何保证或承诺!文档内容仅供研究参考,付费前请自行鉴别。
3、如文档内容存在违规,或者侵犯商业秘密、侵犯著作权等,请点击“违规举报”。

碎片内容

工程测量模拟卷A~C

文库当当响+ 关注
实名认证
内容提供者

该用户很懒,什么也没介绍

确认删除?
VIP
微信客服
  • 扫码咨询
会员Q群
  • 会员专属群点击这里加入QQ群
客服邮箱
回到顶部