电脑桌面
添加小米粒文库到电脑桌面
安装后可以在桌面快捷访问

帕萨特B5轿车全车电路剖析VIP免费

帕萨特B5轿车全车电路剖析_第1页
1/50
帕萨特B5轿车全车电路剖析_第2页
2/50
帕萨特B5轿车全车电路剖析_第3页
3/50
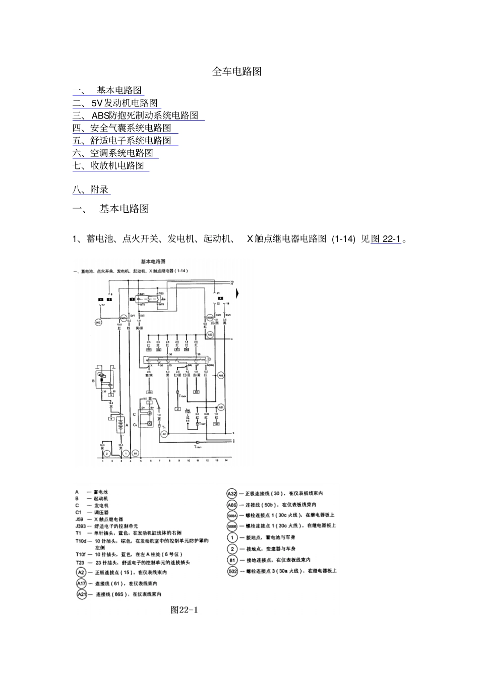
全车电路图一、基本电路图二、5V发动机电路图三、ABS防抱死制动系统电路图四、安全气囊系统电路图五、舒适电子系统电路图六、空调系统电路图七、收放机电路图八、附录一、基本电路图1、蓄电池、点火开关、发电机、起动机、X触点继电器电路图(1-14)见图22-1。2、电子防盗器、防盗器报警灯、自诊断接口、发电机充电指示灯电路图(15-28)见图22-2。3、仪表板、数字钟、里程表、灯光打开时的报警蜂鸣器等电路图(29-42)见图22-3。4、仪表板、制动系统警告灯、转向警告灯、远光指示灯、制动液位报警开关电路图等(43-56)见图22-4。5、仪表板、环境温度传感器、冷却液温度传感器、冷却液液位开关、燃油表传感器、CAN总线和机油状态传感器等电路图(57-70)见图22-5。6、手制动开关、清洗液位传感器、制动片磨损信号开关等电路图(71-84)见图22-6。7、转向开关、大灯变光开关、停车灯开关、左前灯电路图(85-98)见图22-7。8、带转向继电器的警告灯开关、右前灯电路图(99-112)见图22-8。9、制动灯开关、制动灯、尾灯电路图(113-126)见图22-9。10、收放机、点烟器、仪表板通风照明电路图(127-140)见图22-10。11、开关和仪表灯光控制、大灯调节、大灯调节马达电路图(141-154)见图22-11。12、灯光开关、雾灯开关、杂物箱灯、牌照灯电路图(155-168)见图22-12。13、前后雾灯、倒车灯电路图(169-182)见图22-13。14、双音喇叭及继电器电路图(183-196)见图22-14。15、新鲜空气鼓风机开关、鼓风机和空气循环开关、新鲜空气/循环叶板、定位马达电路图(197-210)见图22-15。16、后风窗加热开关、后风窗加热器电路图(211-224)见图22-16。17、雨刮器继电器、前风挡雨刮器马达电路图(225-238)见图22-17。18、雨刮器继电器、雨刮器开关、前风档玻璃清洗马达电路图(239-252)见图22-18。[TOP]二、5V发动机电路图1、蓄电池、起动机、发电机电路图(1-14)见图22-19。2、发动机控制单元、点火系统、发动机温度传感器和凸轮轴位置传感器(霍尔传感器)电路图(15-28)见图22-20。3、发动机控制单元、节气门控制部件、爆震传感器1和进气温度传感器(29-42)见图22-21。4、发动机控制单元,曲轴位置传感器(发动机转速传感器)和爆震传感器2(43-56)见图22-22。5、发动机控制单元、空气质量计、燃油泵继电器和喷嘴(57-70)见图22-23。6、发动机控制单元、氧传感器、活性碳罐电磁阀、可变路径进气管控制阀和凸轮轴调节阀(可变进气门相位)(71-84)见图22-24。7、发动机控制单元、四个气缸的点火线圈、火花塞连接器和火花塞(85-98)见图22-25。8、机油压力开关、燃油泵、燃油表传感器、里程表传感器、冷却液位开关和机油状态传感器(99-112)见图22-26。9、组合仪表、声光机油压力报警器、里程表、冷却液位和温度表、燃油表(113-126)见图22-27。[TOP]三、ABS防抱死制动系统电路图1、ABS控制单元、车轮转速传感器(1-14)见图22-28。2、ABS控制单元、ABS液压泵、电磁阀等(15-28)见图22-29。3、ABS控制单元、ABS警告灯(29-42)见图22-30。四、安全气囊系统电路图1、安全气囊控制单元(1-14)见图22-31。2、安全气囊控制单元、前气囊气体发生器、螺旋型电缆连接器和安全气囊报警灯(15-28)见图22-32。[TOP]五、舒适电子系统电路图1、驾驶员侧车门控制单元、电动摇窗机开关、车内中央闭锁开关(1-14)见图22-33。2、驾驶员侧车门控制单元、闭锁单元、左前闭锁“安全”警告灯(15-28)见图22-34。3、驾驶员侧车门控制单元、后视镜调节开关及驾驶员侧后视镜的加热器(29-42)见图22-35。4、左后车门控制单元、闭锁单元及左右电动摇窗机(43-56)见图22-36。5、右前车门控制单元、闭锁单元及右前门灯(57-70)见图22-37。6、右前车门控制单元、右前电动摇窗机开关及右前后视镜加热器(71-84)见图22-38。E43-后视镜调节开关E48-后视镜调节转换开关L78-后视镜调节开关照明灯E10e-10针插头,在后视镜调节开关上E10L-10针插头,黑色,在左A柱处(2号位)T12-12针插头V17-驾驶员侧后视镜调节马达V121-驾驶员侧后视镜复位马达V149-驾驶员侧后视镜调节马达Z4-驾驶员侧后侧镜加热器R27-连接线,在驾驶员侧车门线束内W20-连接线,(30a),在后线束内图22-387、右后车门控制单元...

1、当您付费下载文档后,您只拥有了使用权限,并不意味着购买了版权,文档只能用于自身使用,不得用于其他商业用途(如 [转卖]进行直接盈利或[编辑后售卖]进行间接盈利)。
2、本站所有内容均由合作方或网友上传,本站不对文档的完整性、权威性及其观点立场正确性做任何保证或承诺!文档内容仅供研究参考,付费前请自行鉴别。
3、如文档内容存在违规,或者侵犯商业秘密、侵犯著作权等,请点击“违规举报”。

碎片内容

帕萨特B5轿车全车电路剖析

文库响当当+ 关注
实名认证
内容提供者

该用户很懒,什么也没介绍

相关文档

确认删除?
VIP
微信客服
  • 扫码咨询
会员Q群
  • 会员专属群点击这里加入QQ群
客服邮箱
回到顶部