电脑桌面
添加小米粒文库到电脑桌面
安装后可以在桌面快捷访问

广西石化动力站试车总体方案VIP免费

广西石化动力站试车总体方案_第1页
1/45
广西石化动力站试车总体方案_第2页
2/45
广西石化动力站试车总体方案_第3页
3/45
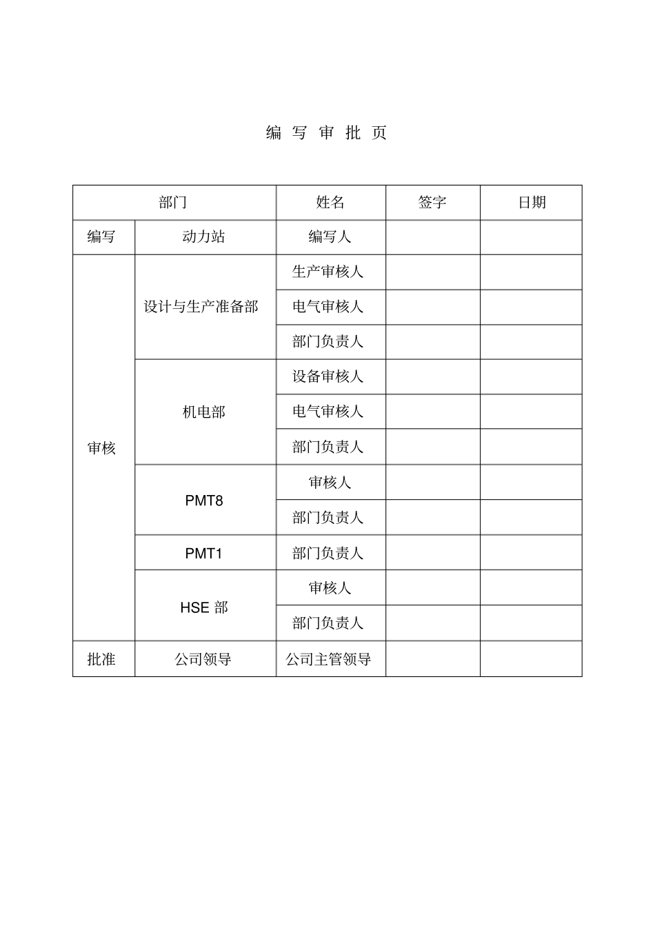
中国石油广西石化公司动力站总体试车方案2008年5月1日编写审批页部门姓名签字日期编写动力站编写人审核设计与生产准备部生产审核人电气审核人部门负责人机电部设备审核人电气审核人部门负责人PMT8审核人部门负责人PMT1部门负责人HSE部审核人部门负责人批准公司领导公司主管领导动力站总体试车方案目录第一章工程概况.........................................................................................................................................1一、装置规模及建设情况.....................................................................................................................1二、工艺简介.........................................................................................................................................1第二章总体试车方案的编制依据.............................................................................................................9第三章试车的指导思想和应达到的标准...............................................................................................10一、指导思想.......................................................................................................................................10二、应达到的标准...............................................................................................................................10第四章试车应具备的条件.......................................................................................................................11一、组织准备.......................................................................................................................................11二、人员准备.......................................................................................................................................11三、技术准备.......................................................................................................................................11四、公用工程配套准备.......................................................................................................................11五、物资准备.......................................................................................................................................12六、“三查四定”完成,“中交”完成...........................................................................................16第五章试车的组织与指挥系统...............................................................................................................20一、试车组织机构指挥.......................................................................................................................20二、广西电力调式所调试队...............................................................................错误!未定义书签。三、试车保运体系...............................................................................................错误!未定义书签。四、安全环保组...................................................................................................错误!未定义书签。第六章试车进度及分工...........................................................................................................................20第一节锅炉试车进度及分工.............................................................................................................20一、试车阶段划分如下:...............................................................................

1、当您付费下载文档后,您只拥有了使用权限,并不意味着购买了版权,文档只能用于自身使用,不得用于其他商业用途(如 [转卖]进行直接盈利或[编辑后售卖]进行间接盈利)。
2、本站所有内容均由合作方或网友上传,本站不对文档的完整性、权威性及其观点立场正确性做任何保证或承诺!文档内容仅供研究参考,付费前请自行鉴别。
3、如文档内容存在违规,或者侵犯商业秘密、侵犯著作权等,请点击“违规举报”。

碎片内容

广西石化动力站试车总体方案

您可能关注的文档

文库响当当+ 关注
实名认证
内容提供者

该用户很懒,什么也没介绍

确认删除?
VIP
微信客服
  • 扫码咨询
会员Q群
  • 会员专属群点击这里加入QQ群
客服邮箱
回到顶部