电脑桌面
添加小米粒文库到电脑桌面
安装后可以在桌面快捷访问

建筑施工手册系列之建筑工程造价VIP免费

建筑施工手册系列之建筑工程造价_第1页
1/9
建筑施工手册系列之建筑工程造价_第2页
2/9
建筑施工手册系列之建筑工程造价_第3页
3/9
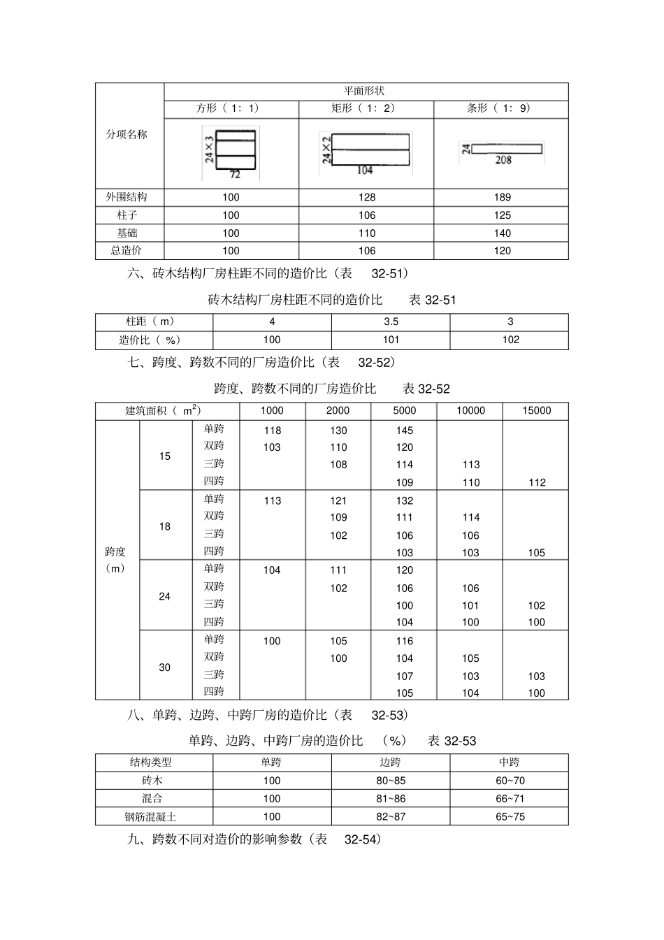
32-7-4工程造价比32-7-4-1民用建筑不同类型对工程造价影响参数一、不同层数对造价的影响参数(表32-37)不同层数对造价的影响参数表表32-37层数123456造价(%)1009084808285二、建筑外形对造价的影响参数(表32-38)建筑外形对造价的影响参数表表32-38外形U形长方形H形Y形L形圈形造价(%)105~109100102~105103~107103~108107~113三、不同平面形式的比较(同规模建筑面积)(表32-39)不同平面形式的比较(同规模建筑面积)表32-39平面形式内廊内外廊梯间外廊半内廊造价(%)100101106107110四、不同进深对造价的影响参数(表32-40)不同进深对造价的影响参数表表32-40进深(m)4.44.85.25.66.0造价(%)101100999897五、不同层高对造价的影响参数(表32-41)不同层高对造价的影响参数表表32-41层高(m)2.83.03.23.43.63.84.24.85.46.2造价(%)99100103107110113118.8128.7137.5146.3注:每±10cm层高约增减造价1.33%~1.5%。六、不同开间对造价的影响参数(表32-42)不同开间对造价的影响参数表表32-42开间(m)2.83.03.23.43.63.84.0造价(%)107104102100999796七、不同户内平均居住面积大小对造价的影响参数(表32-43)不同户内平均居住面积大小对造价的影响参数表表32-43面积(m2)24273144505557造价(%)10410210098979594八、单元组合不同对造价的影响参数(表32-44)单元组合不同对造价影响参数表表32-44单元数234567造价(%)10096.895.29493.492.8九、不同材质结构层高每增减10cm对造价影响参数(表32-45)不同材质结构层高每增减10cm对造价影响参数表表32-45类型混合砖木土木砖石木石木造价(%)1.11.70.60.61.132-7-4-2单层工业厂房不同类型对工程造价影响参数一、多跨建筑长度与宽度比例变化对造价的影响参数(表32-46)多跨建筑长度与宽度比例变化对造价的影响参数表表32-46宽:长1:31:41:51:61:71:8造价(%)100104105106110112二、高度不同对造价的影响参数(表32-47)高度不同对造价的影响参数表表32-47高度(m)3.64.24.85.46.0造价(%)100108.3116.6124.9133.3三、跨度不同对造价的影响参数(表32-48)跨度不同对造价的影响参数表表32-48跨度(m)91218243036造价(%)125115100888279四、面积大小对造价的影响参数(表32-49)面积大小对造价的影响参数表表32-49面积(m2)跨数10002000500010000150001跨1.000.951.000.940.982跨1.000.901.000.860.951.000.810.900.953跨1.000.911.000.870.961.000.830.910.944跨1.000.961.000.940.98五、平面不同对造价影响参数(表32-50)平面不同对造价影响参数表表32-50分项名称平面形状方形(1:1)矩形(1:2)条形(1:9)外围结构100128189柱子100106125基础100110140总造价100106120六、砖木结构厂房柱距不同的造价比(表32-51)砖木结构厂房柱距不同的造价比表32-51柱距(m)43.53造价比(%)100101102七、跨度、跨数不同的厂房造价比(表32-52)跨度、跨数不同的厂房造价比表32-52建筑面积(m2)1000200050001000015000跨度(m)15单跨双跨三跨四跨11810313011010814512011410911311011218单跨双跨三跨四跨11312110910213211110610311410610310524单跨双跨三跨四跨10411110212010610010410610110010210030单跨双跨三跨四跨100105100116104107105105103104103100八、单跨、边跨、中跨厂房的造价比(表32-53)单跨、边跨、中跨厂房的造价比(%)表32-53结构类型单跨边跨中跨砖木10080~8560~70混合10081~8666~71钢筋混凝土10082~8765~75九、跨数不同对造价的影响参数(表32-54)跨数不同对造价的影响参数表表32-54跨数2345造价(%)100989798.5十、吊车类型不同对造价的影响参数(表32-55)吊车类型不同对造价的影响参数表表32-55类别无吊车2t悬挂10t桥吊造价(%)100109127十一、柱距不同对造价的影响参数(表32-56)柱距不同对造价的影响参数表表32-56柱距(m)612无吊车及2t悬挂10010810t桥吊100113十二、跨度不同对柱的造价影响(表32-57)跨度不同对柱的造价影响表表32-57跨度(m)1215182430造价(%)10080725652十三、大型厂房各分部所占造价比大型厂房各分部所占造价比(%),见表32-58。大型厂房各...

1、当您付费下载文档后,您只拥有了使用权限,并不意味着购买了版权,文档只能用于自身使用,不得用于其他商业用途(如 [转卖]进行直接盈利或[编辑后售卖]进行间接盈利)。
2、本站所有内容均由合作方或网友上传,本站不对文档的完整性、权威性及其观点立场正确性做任何保证或承诺!文档内容仅供研究参考,付费前请自行鉴别。
3、如文档内容存在违规,或者侵犯商业秘密、侵犯著作权等,请点击“违规举报”。

碎片内容

建筑施工手册系列之建筑工程造价

确认删除?
VIP
微信客服
  • 扫码咨询
会员Q群
  • 会员专属群点击这里加入QQ群
客服邮箱
回到顶部