电脑桌面
添加小米粒文库到电脑桌面
安装后可以在桌面快捷访问

建筑电气工程资料表格VIP免费

建筑电气工程资料表格_第1页
1/43
建筑电气工程资料表格_第2页
2/43
建筑电气工程资料表格_第3页
3/43
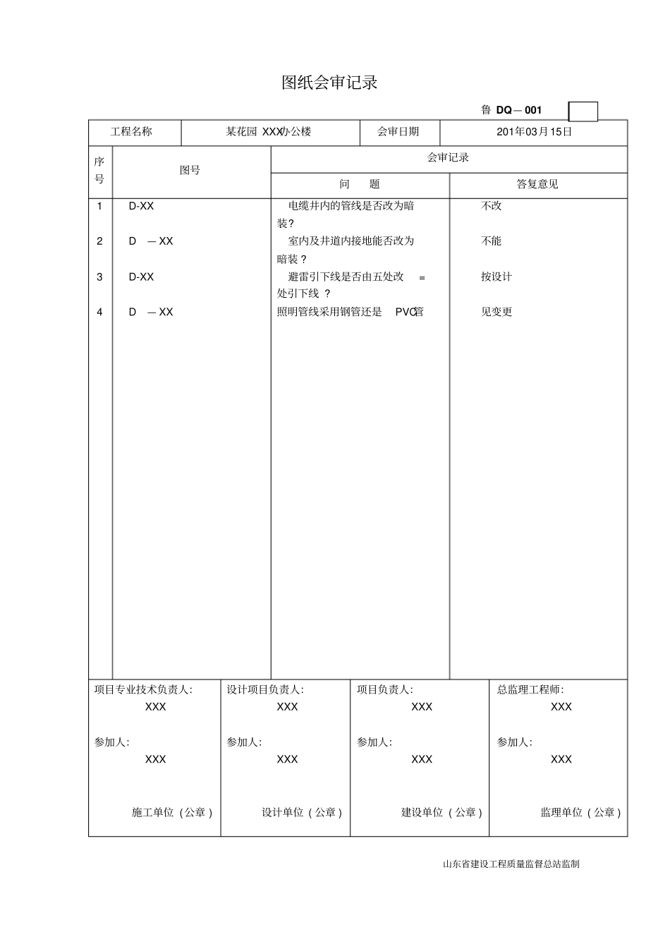
建筑电气工程施工技术资料核查表工程名称:某花园XXX办公楼序号名称编号份数核查意见核查人1图纸会审记录鲁DQ—0011齐全,符合要求XXX2设计变更(洽商)记录鲁DQ—0023齐全,符合要求XXX3施工组织设计(施工方案)内部审批表鲁DQ—003-11齐全,符合要求XXX4施工组织设计(施工方案)报审卡鲁DQ—003-21齐全,符合要求XXX5技术(安全)交底记录鲁DQ—00412齐全,符合要求XXX6施工日志鲁DQ—0051齐全,符合要求XXX7建筑安装工程设备、成品、半成品、材料合格证汇总表鲁DQ—0061齐全,符合要求XXX8设备(开箱)进场验收记录鲁DQ—0073齐全,符合要求XXX9材料、成品、半成品进场验收记录鲁DQ—0085齐全,符合要求XXX10合格证贴条鲁DQ—00925齐全,符合要求XXX11复印件(或抄件)贴条鲁DQ—01029齐全,符合要求XXX12电气工程隐蔽验收记录鲁DQ—0112齐全,符合要求XXX13电气接地装置隐蔽验收记录鲁DQ—01234齐全,符合要求XXX14避雷带支持件拉力测试记录鲁DQ—0133齐全,符合要求XXX15避雷装置隐蔽验收记录鲁DQ—0146齐全,符合要求XXX16幕墙及金属门窗避雷装置隐蔽验收记录鲁DQ—015/17电缆终端头(中间接头)制作记录鲁DQ—0163齐全,符合要求XXX18电缆敷设施工记录鲁DQ—017-12齐全,符合要求XXX19电缆敷设施工记录附页鲁DQ—017-23齐全,符合要求XXX20电缆隐蔽工程记录鲁DQ—0186齐全,符合要求XXX21电气等电位联结工程隐蔽验收记录鲁DQ—019-16齐全,符合要求XXX22等电位联结测试记录鲁DQ—019-21齐全,符合要求XXX23母线搭接螺栓的拧紧力矩施工记录鲁DQ—0201齐全,符合要求XXX24电气绝缘电阻测试记录鲁DQ—0211齐全,符合要求XXX25电气接地电阻测试记录鲁DQ—0221齐全,符合要求XXX26漏电保护器检测记录鲁DQ—02328齐全,符合要求XXX27电气照明通电试运行记录鲁DQ—024-11齐全,符合要求XXX28电气照明(动力)全负荷试运行记录鲁DQ—024-21齐全,符合要求XXX29工序交接记录鲁DQ—0255齐全,符合要求XXX30大型灯具安装过载试验记录鲁DQ—0261齐全,符合要求XXX31异步电动机试验报告单鲁DQ—0271齐全,符合要求XXX32大容量电气线路结点测温记录鲁DQ—0281齐全,符合要求XXX结论资料完整,符合要求,同意验收总监理工程师签字:XXX201年08月25日山东省建设工程质量监督总站监制图纸会审记录鲁DQ—001工程名称某花园XXX办公楼会审日期201年03月15日序号图号会审记录问题答复意见1234D-XXD—XXD-XXD—XX电缆井内的管线是否改为暗装?室内及井道内接地能否改为暗装?避雷引下线是否由五处改=处引下线?照明管线采用钢管还是PVC管不改不能按设计见变更项目专业技术负责人:XXX参加人:XXX施工单位(公章)设计项目负责人:XXX参加人:XXX设计单位(公章)项目负责人:XXX参加人:XXX建设单位(公章)总监理工程师:XXX参加人:XXX监理单位(公章)山东省建设工程质量监督总站监制设计变更(洽商)记录鲁DQ—002工程名称某花园XXX办公楼变更(洽商)日期201年10月27日记录内容:1、室内及井道内接地改为暗装2、火灾报警改为声光报警器。、电缆井内的管配线改为线槽。单位(项目)负责人:XXX设计单位(公章)项目专业技术负责人:XXX施工单位(公章)单位(项目)负责人:XXX建设单位单位(公章)总监:XXX监理单位(公章)山东省建设工程质量监督站监制施工组织设计(施工方案)内部审批表鲁DQ—003.1工程名称某花园XXX办公楼日期201年04月07日现报上下表中的文件,请予以审核批示分部工程名称编制人册数页数建筑电气工程XXX635申报简述:建筑电气工程施工方案已编制完毕,先报上请审批。申报部门(分包单位)XXXXX(公章)项目专业技术负责人:XXX审核意见:经审核该施工方案内容具体,施工方法得当,质量、安全保证措施得力,工期安排合理,同意按该方案施工。总承包单位名称:XXXXX(公章)审核人:XXX201年04月07曰山东省建设工程质量监督总站监制施工组织设计(施工方案)报审卡鲁DQ—003.2送审报告XXX监理公司建筑电气工程施工组织设计(施工方案)编制完毕并按单位内部要求审批完毕,今上报,请批示。申报单位XXX建筑公司(公章)201年05月17日审批结论经审核该施工组织设计编制内容基本齐全,组织结构合理,措施得力...

1、当您付费下载文档后,您只拥有了使用权限,并不意味着购买了版权,文档只能用于自身使用,不得用于其他商业用途(如 [转卖]进行直接盈利或[编辑后售卖]进行间接盈利)。
2、本站所有内容均由合作方或网友上传,本站不对文档的完整性、权威性及其观点立场正确性做任何保证或承诺!文档内容仅供研究参考,付费前请自行鉴别。
3、如文档内容存在违规,或者侵犯商业秘密、侵犯著作权等,请点击“违规举报”。

碎片内容

建筑电气工程资料表格

确认删除?
VIP
微信客服
  • 扫码咨询
会员Q群
  • 会员专属群点击这里加入QQ群
客服邮箱
回到顶部