电脑桌面
添加小米粒文库到电脑桌面
安装后可以在桌面快捷访问

建筑起重机械的维护保养制度起重机械应当经常进行检查、维护和保养VIP免费

建筑起重机械的维护保养制度起重机械应当经常进行检查、维护和保养_第1页
1/11
建筑起重机械的维护保养制度起重机械应当经常进行检查、维护和保养_第2页
2/11
建筑起重机械的维护保养制度起重机械应当经常进行检查、维护和保养_第3页
3/11
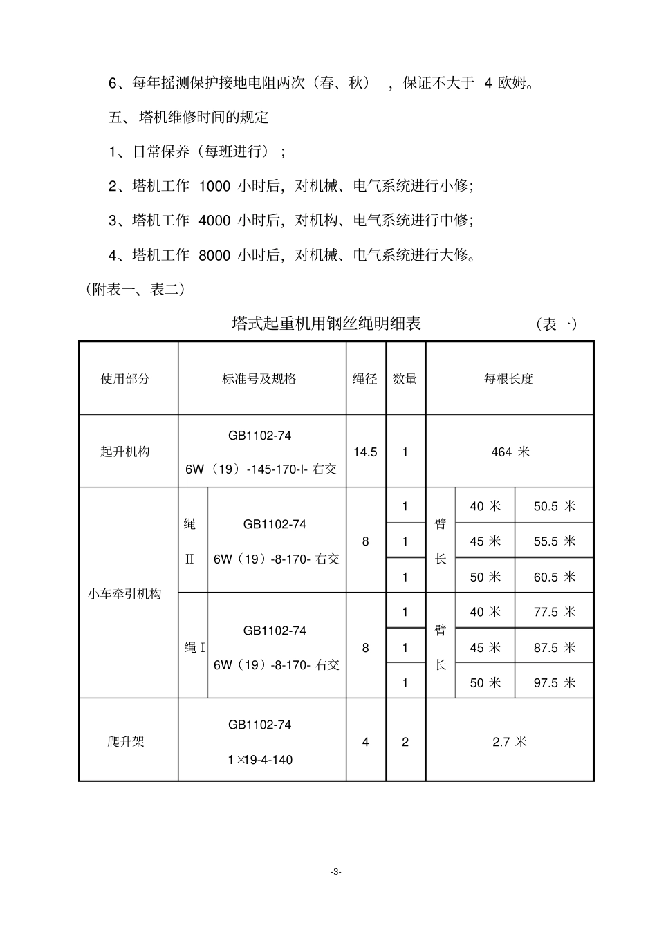
-1-建筑起重机械的维护保养制度起重机械应当经常进行检查、维护和保养,传动部分应有足够的润滑油,对易损件必须经常检查、维修或更换。对机械的螺栓,特别是经常振动的零件,如塔身连接螺栓应进行检查是否松动,如有松动则必须及时拧紧或更换。一、机械设备维护与保养1、各机构的制动器应经常进行检查和调整制动轮的问题,保证灵活、可靠,其间隙保证在0.5至1.0毫米之间。在磨擦面上,不应有污物存在,遇有污物必须用汽油或稀料洗掉;2、减速箱、变速箱、外啮合齿轮等各部分的润滑以及液压油均按润滑表中的要求进行;3、要注意检查和部钢丝绳和松股现象,如超过有关规定,必须立即更新。钢丝绳的维护、保养应严格按(GB5144—85)规定;4、凡开式齿轮传动必须有防护罩,行走开式齿轮因下部有外露部分,因此要经常检查轨道的清洁,使砂粒、泥土等不致进入齿轮,而损坏齿轮;5、经常检查各部连接情况,如有松动,应预拧紧。塔身连接螺栓应在塔身受压时检查松紧度(可采用旋转臂架的方法去造成受压状态)。所有连接销轴者必须有开口销,并需张开;6、经常检查各机构动转是否正常,有无噪音,如发现故障,必须及时排除;7、安装、拆卸和调整回转机构时,要注意保证回转机构行星减速器的中心线与齿轮的中心线平行,其啮合面不小于70%,啮合间隙要合适。二、液压爬升系统的维护和保养1、使用液压油润滑表中的规定进行加油和更换,并清洗油箱内部;-2-2、溢流阀的压力调整后,不得随意变动,每次进行爬升之前,应用油压表检查其压力是否正常;3、应经常检查各部分管接头是否坚固严密,不准有漏油现象;4、滤油器要经常检查有无堵塞,检查安全阀在使用后调整值是否变动;5、油泵、油缸和控制阀如发现渗漏应及时检修;6、安装和大修后初次起动油泵时,应先检查入口和出口是否接反,转动方向是否正确。吸油管路是否漏气,然后用手试转,最后在规定转速内起动和试动转;7、在冬季起动时,要开开停停往复数次,待油温上升和控制阀动作灵活后再正式使用。三、金属结构的维护与保养1、在运输中应尽量防止构件变形及碰撞损坏;2、在使用期间,必须定期检修和保养,以防锈蚀;3、经常检查结构连接螺栓,焊缝以及构件是否损坏,变形和松动等情况;四、电气系统的维护与保养1、经常检查所有的电线、电缆是否有无损伤,要及时包扎和更换已损伤的部分;2、遇到电动机有过热现象要及时停车,排除故障后再继续运行,电机轴承润滑要良好;3、各部分电刷,其接触面要保持清洁,调整电刷压力,使其接触面积不小于50%;4、各控制箱、配电箱等经常保持清洁,及时清扫电器设备上的灰尘;5、各安全装置的行程开关的触点开闭必须可靠,触点弧坑应及时磨光;-3-6、每年摇测保护接地电阻两次(春、秋),保证不大于4欧姆。五、塔机维修时间的规定1、日常保养(每班进行);2、塔机工作1000小时后,对机械、电气系统进行小修;3、塔机工作4000小时后,对机构、电气系统进行中修;4、塔机工作8000小时后,对机械、电气系统进行大修。(附表一、表二)塔式起重机用钢丝绳明细表(表一)使用部分标准号及规格绳径数量每根长度起升机构GB1102-746W(19)-145-170-I-右交14.51464米小车牵引机构绳ⅡGB1102-746W(19)-8-170-右交81臂长40米50.5米145米55.5米150米60.5米绳ⅠGB1102-746W(19)-8-170-右交81臂长40米77.5米145米87.5米150米97.5米爬升架GB1102-741×19-4-140422.7米-4-注:此表小车牵引机构一栏中,钢丝绳的长度变化是与选用何种起重臂臂长要相对应的。各部位润滑表(表二)序号润滑部位名称润滑点数润滑油种类润滑方法(小时)1起升机构制动器全部铰点机油每工作56小时用油壶加油2起升机构变速箱行走机构涡轮减速器3冬季HJ-20机械油夏季HJ-40机械油每工作240小时适当加油1500小时换油一次3所有滚动轴承ZG-II钙基润滑油每工作160小时适当加油,每半年清除一次4全部电机轴承冬季ZG-II钙基润滑脂夏季ZG-V钙基润滑脂每工作1500小时换油一次5全部钢丝绳石墨润滑脂每大、中修时油煮6所有滑轮冬季ZG-II钙基润滑脂夏季ZG-V钙基润滑脂每工作240小时换油一次7小车牵引机构减速器回转机构行量减速器340号机械油每工作...

1、当您付费下载文档后,您只拥有了使用权限,并不意味着购买了版权,文档只能用于自身使用,不得用于其他商业用途(如 [转卖]进行直接盈利或[编辑后售卖]进行间接盈利)。
2、本站所有内容均由合作方或网友上传,本站不对文档的完整性、权威性及其观点立场正确性做任何保证或承诺!文档内容仅供研究参考,付费前请自行鉴别。
3、如文档内容存在违规,或者侵犯商业秘密、侵犯著作权等,请点击“违规举报”。

碎片内容

建筑起重机械的维护保养制度起重机械应当经常进行检查、维护和保养

确认删除?
VIP
微信客服
  • 扫码咨询
会员Q群
  • 会员专属群点击这里加入QQ群
客服邮箱
回到顶部