电脑桌面
添加小米粒文库到电脑桌面
安装后可以在桌面快捷访问

微型计算机原理及应用试题及答案VIP免费

微型计算机原理及应用试题及答案_第1页
1/7
微型计算机原理及应用试题及答案_第2页
2/7
微型计算机原理及应用试题及答案_第3页
3/7
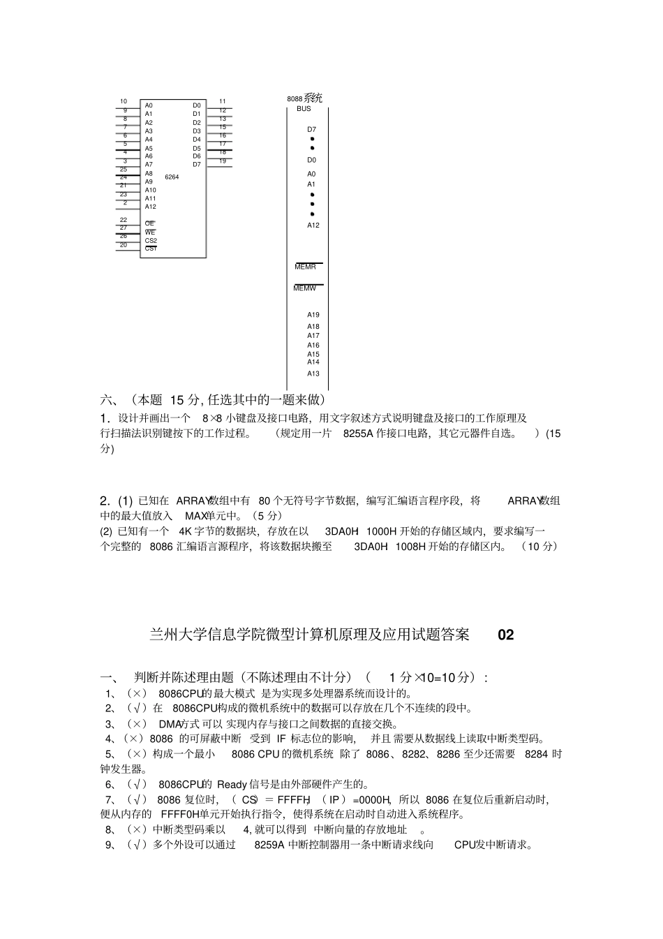
兰州大学信息学院微型计算机原理及应用试题02专业姓名题号一二三四五六合计分数一、判断并陈述理由题(不陈述理由不计分)(1分×10=10分):1、8086CPU的最小方式是为实现多处理器系统而设计的。()2、在8086CPU构成的微机系统中,数据可以存放在几个不连续的段中。()3、DMA方式不能实现内存与接口之间数据的直接交换。()4、8086的可屏蔽中断不受IF标志位的影响,但需要从数据线上读取中断类型码。()5、构成一个最小8086CPU的微机系统只需8086、8282、8286就够了。()6、8086CPU的Ready信号是由外部硬件产生的。()7、8086复位时,(CS)=FFFFH,(IP)=0000H,所以8086在复位后重新启动时,便从内存的FFFF0H单元开始执行指令,使得系统在启动时自动进入系统程序。()8、中断类型码乘以4,就可以得到中断服务程序入口地址。()9、多个外设可以通过一条中断请求线向CPU发中断请求。()10、8251是可编程并行通信接口芯片而8255是可编程串行通信接口芯片。()二、选择题(1分×10=10分)1、二进制数10010110.10B的十进制数值可表示为()A、96.8B、150.5C、96.5D、160.52、RAM6116芯片有2K×8位的容量,它的片内地址选择线和数据线分别是()A、A0~A15和D0~D15B、A0~A10和D0~D7C、A0~A11和D0~D7D、A0~A11和D0~D153、8086CPU在响应中断时顺序将()内容压入堆栈。A、CS.IP.PSWB、IP.CS.PSWC、PSW.CS.IPD、PSW.IP.CS4、8086能够访问的存储空间的大小是()。A.64kB.1MC.256D.16M5、8253是可编程定时、计数器芯片,它内部有()。A、三个定时器B、四个定时器C、二个计数器D、四个计数器6、相邻段地址之间的最小距离为()A、16个字节B、64K字节C、1K字节D、256字节7、8086CPU的NMI引脚上输入的信号是()A、可屏蔽中断请求B、非屏蔽中断请求C、中断相应D、总线请求8、8086CPU在()时刻采样READY信号决定是否插入等待周期。A、T3下降沿B、T3上升沿C、T2下降沿D、T2上升沿9、保护断点就是保存()。A.中断类型码B.中断服务程序入口地址C.现场D.当前CS、IP的值10、8086CPU采用()中断结构。A、单级B、多级C、级联D、矢量三、填空(每空1分×20=20分):1、每一条指令一般都由()和()来构成。2、8086CPU内部的四个专用寄存器是()、()和()及()。3、若某中断向量为08H,则该中断的中断服务子程序的入口地址在中断向量表中的物理地址范围为()~()。4、根据以下要求用一条指令写出相应的操作:(1)、把BX和DX的内容相加,结果送入DX中。()(2)、用寄存器BX和位移量0B2H的寄存器相对寻址方式把存贮器中的一个字和(CX)的内容相加,结果送入该存贮器中。()(3)、用寄存器BX和SI的基址变址寻址方式把存贮器中的一个字节与AL寄存器的内容相加,结果送入AL寄存器中。()(4)、用位移量为0524H的直接寻址方式把存贮器中的一个字与数2A59H相加,并把结果送入该存贮单元中。()5、CPU与外设传送的三种信息是()和()及()。6、CPU与外设交换信息时,有三种常见的输入输出方法,它们分别是:()和()及()。7、8255有两个控制字,它们分别是()和()。四.简答如下基本概念题:(5分×5=25分)1.I/O接口电路采用统一编址或独立编址时对微处理器有无特殊要求?2.8086系统中INTR中断与INTN中断有什么区别?3.什么是动态存储器的刷新?为什么需要刷新?4.如以下ASCII码串(包括空格符)依次存贮在起始地址为CSTRING?的字节单元内:CSTRINGDB'GOODMORNING'请编写指令将字符串中的第3个和第5个字符写入DX寄存器中。(第3个字符在高8位,第5个字符在低8位)5.如果TABLE为数据段中0020H单元的符号名,在该单元中存放着3412H,请指出以下两条指令有什么区别?每条指令执行后AX寄存器中的内容是多少?MOVAX,TABLELEAAX,TABLE五.硬件电路设计:(10分X2=20分)1.某以8088为CPU的微型计算机内存RAM区为00000H~3FFFFH,若采用6264(8KX8)、62256(32KX8)、2164(8KX4)、21256(32KX4)各需要多少芯片?其各自的片内和片间地址线分别是多少(全地址译码方式)?2.利用全地址译码将6264芯片接在8088系统总线上,地址范围为BE000H~BFFFFH,试画出连接电路图...

1、当您付费下载文档后,您只拥有了使用权限,并不意味着购买了版权,文档只能用于自身使用,不得用于其他商业用途(如 [转卖]进行直接盈利或[编辑后售卖]进行间接盈利)。
2、本站所有内容均由合作方或网友上传,本站不对文档的完整性、权威性及其观点立场正确性做任何保证或承诺!文档内容仅供研究参考,付费前请自行鉴别。
3、如文档内容存在违规,或者侵犯商业秘密、侵犯著作权等,请点击“违规举报”。

碎片内容

微型计算机原理及应用试题及答案

确认删除?
VIP
微信客服
  • 扫码咨询
会员Q群
  • 会员专属群点击这里加入QQ群
客服邮箱
回到顶部