电脑桌面
添加小米粒文库到电脑桌面
安装后可以在桌面快捷访问

微机原理及应用技术过程考核答案VIP免费

微机原理及应用技术过程考核答案_第1页
1/7
微机原理及应用技术过程考核答案_第2页
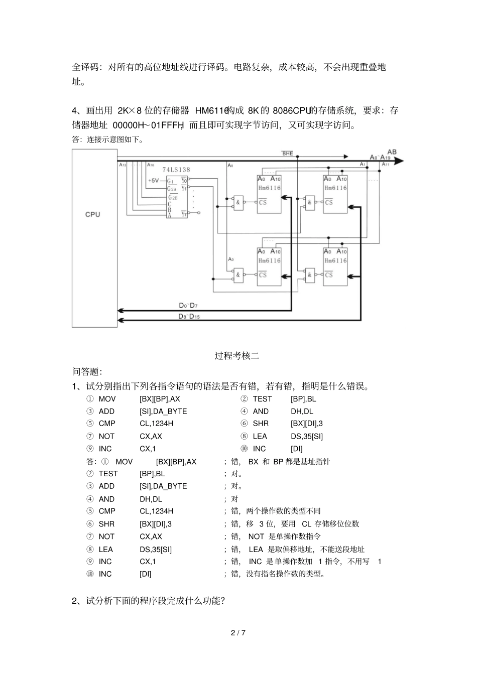
2/7
微机原理及应用技术过程考核答案_第3页
3/7
1/7《微机原理及应用》过程考核答案过程考核一问答题:1、分析说明8086/8088微处理器的指令ADDAL,5BH的执行过程?答:指令的执行过程包括:取指令过程和执行过程。1.CS:IP指示当前指令ADDAL,5BH的存储地址,由BIU中的20地址加法器将逻辑地址转换为物理地址,即CS×16+IP,并将其送至地址总线AB,存储器将指令输出,送数据总线,然后将IP+1送IP,为取下一条指令做好准备;2.BIU将指令代码送内部的指令队列当中暂存;3.执行单元EU取出指令,送指令寄存器IR,通过指令译码器ID对指令译码,分析出指令是个加法运算指令,并且分析出一个操作数在AL寄存器中,另一个操作数在当前指令的下一地址当中;4.CS:IP取出下一个地址当中的操作数5BH,送指令列,供EU使用;5.EU产生控制信号控制运算器ALU,执行加法运算,将AL+5BH后再存入AL中,完成指令的执行过程。2、8086/8088微处理器工作在的最大模式和最小模式的区别是什么?各有什么用途?答:最大模式是指多处理器模式,最小模式是单处理器模式,其区别在于最大模式下总线控制信号不是由微处理器产生,而是由单独的总线控制器产生,以便于协调多个处理器的总线占用问题,而最小模式因系统中只有一个处理器,因此总线的控制信号由微处理器直接产生。最大模式应用于多处理器的系统中,而最小模式应用于单微处理器的系统中。3、存储器的位扩展和地址扩展的方法是什么?地址扩展中对高位地址的译码有几种方法,各有何特性?答:存储器的位扩展的方法是:将存储器芯片的除数据线外的所有同名引脚相连即可,是存储器并联,而将数据线与DB上的不同数据位相连。存储器的地址扩展的方法是:将存储器芯片的除片选信号线CS外的所有同名引脚相连,而将片选信号线CS连接到,对AB高位地址译码的译码器上,实现不同芯片的地址范围不同,产生存储器存储地址的串联模式。地址扩展中对高位地址的译码有三种方法:线译码、部分译码和全译码。线译码:高位地址线直接接芯片的片选。电路简单,成本最小,但有重叠地址和地址不连续的现象。部分译码:仅对高位地址线的一部分地址线译码。成本较低,但有重叠地址,实际经常采用此种方式。2/7全译码:对所有的高位地址线进行译码。电路复杂,成本较高,不会出现重叠地址。4、画出用2K×8位的存储器HM6116构成8K的8086CPU的存储系统,要求:存储器地址00000H~01FFFH,而且即可实现字节访问,又可实现字访问。答:连接示意图如下。过程考核二问答题:1、试分别指出下列各指令语句的语法是否有错,若有错,指明是什么错误。①MOV[BX][BP],AX②TEST[BP],BL③ADD[SI],DA_BYTE④ANDDH,DL⑤CMPCL,1234H⑥SHR[BX][DI],3⑦NOTCX,AX⑧LEADS,35[SI]⑨INCCX,1⑩INC[DI]答:①MOV[BX][BP],AX;错,BX和BP都是基址指针②TEST[BP],BL;对。③ADD[SI],DA_BYTE;对。④ANDDH,DL;对⑤CMPCL,1234H;错,两个操作数的类型不同⑥SHR[BX][DI],3;错,移3位,要用CL存储移位位数⑦NOTCX,AX;错,NOT是单操作数指令⑧LEADS,35[SI];错,LEA是取偏移地址,不能送段地址⑨INCCX,1;错,INC是单操作数加1指令,不用写1⑩INC[DI];错,没有指名操作数的类型。2、试分析下面的程序段完成什么功能?3/7MOVCL,4MOVAL,48HANDAL,0FHORAL,30HMOVDL,48HSHRDL,CLORDL,30HAL=38H,DL=34H答:功能是将二个压缩的BCD码48H转换成ASCII码:34H和38H3、从键盘键入0至9中任一自然数X,求其立方值。答:程序如下:DATASEGMENTINPUTDB“PLEASEINPUTX(0⋯9):$”TABDW0,1,8,27,64,125,216,343,512,729XDB?XXXDW?DATAENDSCODESEGMENTASSUMECS:CODE,DS:DATASTART:MOVAX,DATAMOVDS,AXMOVAH,9LEADX,INPUTINT21HMOVAH,1INT21HANDAL,0FHMOVX,ALADDAL,ALMOVBL,ALMOVBH,0MOVAX,TAB[BX]MOVXXX,AXMOVAH,4CHINT21HCODEENDSENDSTART4、设内存中有三个互不相等的无符号字数据,分别是放在ARG开始的字单元,4/7编制程序将其中最大值存入MAX单元。答:程序如下:DSEGSEGMENTARGDW7138H,84A6H,29EHMAXDW?DSEGENDSCSEGSEGMENTASSUMECS:CSEG,DS:DSEGFMAX:MOVAX,DSEGMOVDS,AXMOVSS,AXMOVSP,SIZESTKLEASI,ARGMOVAX,[SI]MOVBX,[SI+2]CMPAX,BX;...

1、当您付费下载文档后,您只拥有了使用权限,并不意味着购买了版权,文档只能用于自身使用,不得用于其他商业用途(如 [转卖]进行直接盈利或[编辑后售卖]进行间接盈利)。
2、本站所有内容均由合作方或网友上传,本站不对文档的完整性、权威性及其观点立场正确性做任何保证或承诺!文档内容仅供研究参考,付费前请自行鉴别。
3、如文档内容存在违规,或者侵犯商业秘密、侵犯著作权等,请点击“违规举报”。

碎片内容

微机原理及应用技术过程考核答案

确认删除?
VIP
微信客服
  • 扫码咨询
会员Q群
  • 会员专属群点击这里加入QQ群
客服邮箱
回到顶部