电脑桌面
添加小米粒文库到电脑桌面
安装后可以在桌面快捷访问

直流力矩电机VIP专享VIP免费

直流力矩电机_第1页
1/6
直流力矩电机_第2页
2/6
直流力矩电机_第3页
3/6
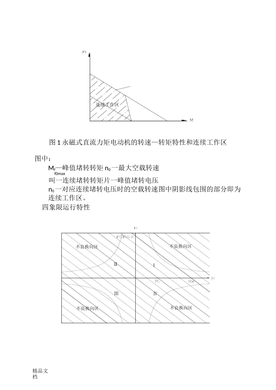
精品文档永磁式直流力矩电动机1.概述永磁式直流力矩电动机是一种特殊的控制电机,是作为高精度伺服系统的执行元件,适应大扭矩、直接驱动系统,安装空间又很紧凑的场合而特殊设计的控制电机。实际上,许多自动控制系统控制对象的运动速度相对是比较低的,比如:地面搜索雷达天线的控制系统;陀螺平台的稳定系统;单晶炉的旋转系统;精密拉丝系统等等,在这些控制系统中如果采用齿轮减速驱动,将会大大降低系统的精度,增加系统的惯量和反应时间,加大传动噪声。如果采用力矩电机组成的直接驱动系统,就能够在很宽的范围内达到低速平稳运行,大大提高系统的精度,降低系统的噪声。还有一些负载运行在很低的速度,接近堵转状态,或是负载轴端要加一定的制动反力矩,这些场合,都适合采用力矩电机。2.性能特点永磁式直流力矩电动机的性能有以下特点:2.1高的转矩惯量比一方面力矩电机设计成在一定体积下输出尽可能大的转矩,另一方面,实现无齿轮传动,从负载轴端看,折算到负载轴上转矩与惯量之比比齿轮传动大一个齿轮传动比的倍数,使系统加速能力大大增加。2.2高的藕合刚度力矩电机直接装置于负载轴或轮毂上,没有齿隙,没有弹性变形,传动链短,使系统伺服刚度得以提高。2.3快的响应速度力矩电机具有高转矩惯量比,使电机机械时间常数比较小,同时,电气时间常数也很小,保证了在宽广运行速度下都能快速响应,大大提高系统的硬度和品质。2.4高的速度和位置分辩率与齿轮或液压传动系统相比,没有齿隙引起的零点死区,减少了传动链中传动部件的非线性因素,使系统的分辩率仅取决于误差检测元件的精度。2.5高线性度转矩的增长正比于输入电流,不随速度和角位置而变化,转矩〜电流精品文档特性基本通过零点,非线性死区很小。2.6结构紧凑典型的力矩电机设计成分装式的薄环形状(由定子、转子、电刷架三大件组成),安装时占用较小的空间,尤其在对轴向尺寸、体积、重量要求严格的场合,具有较大的结构适应性和灵活性。3.性能指标说明3.1峰值堵转转矩电机受磁钢祛磁条件限制及设计中考虑最佳性能时,施加峰值电流电机处于瞬间堵转状态,此时输出的转矩为峰值堵转转矩。3.2峰值堵转电流对应峰值堵转转矩时输入的最大电流。3.3峰值堵转电压对应于产生峰值堵转电流时的电枢电压。3.4连续堵转转矩电机受发热、散热条件及电机绝缘等级条件限制,允许的长期堵转输出的转矩。3.5连续堵转电流对应连续堵转转矩时施加的电流。3.6连续堵转电压对应于产生连续堵转电流时的电枢电压。3.7最大空载转速力矩电机在空载时加以峰值堵转电压所达到的稳定速度。电动机的工作特性永磁式直流力矩电动机的工作特性见下图:精品文档图1永磁式直流力矩电动机的转速—转矩特性和连续工作区图中:Mf—峰值堵转转矩n0一最大空载转速f0max叫一连续堵转转矩片一峰值堵转电压n0一对应连续堵转电压时的空载转速图中阴影线包围的部分即为连续工作区。四象限运行特性精品文档图2永磁式直流力矩电动机的运行特性图表示力矩电机的运行特性。是由一系列速度转矩特性所组成。水平轴代表转矩,垂直轴代表转速,每一斜线代表某一电压下的速度转矩曲线。这组曲线可以提供力矩电机在任何速度、转矩或外加电压(正负均可)情况下工作点的情况(象限运行)。标有个双曲线以外的区域为换向不良区。图中:1象限一一正向转矩、正向转速,为电动运行状态。II像限一一负向转矩、负向转速,电压为负,亦为电动运行状态。II象限负向转矩、正向转速,为发电运行状态或制动运行状态。相当于电机被外机械拖动超过给定控制电压方向的转速;或大于电机负向转矩而拖动电机正向旋转。IV象限一一正向转矩、负向转速,为制动运行状态或发电运行状态。相当于负载大于电机堵转转矩而拖动电机反向旋转;或在负向电压下拖动电机超过给定控制电压方向的转速。根据以上力矩电机的四象限运行特性就可以灵活地选用电机以适应各种系统运行状态。开环与闭环控制应用永磁式直流力矩电机只是在某些要求不高的场合采用开环运行,即简单地加以一定控制电压使电机运转,或采用功率驱动器和脉宽调制调速,但没有闭环反馈量,由于电机本身的转矩波动和负载的外来干扰...

1、当您付费下载文档后,您只拥有了使用权限,并不意味着购买了版权,文档只能用于自身使用,不得用于其他商业用途(如 [转卖]进行直接盈利或[编辑后售卖]进行间接盈利)。
2、本站所有内容均由合作方或网友上传,本站不对文档的完整性、权威性及其观点立场正确性做任何保证或承诺!文档内容仅供研究参考,付费前请自行鉴别。
3、如文档内容存在违规,或者侵犯商业秘密、侵犯著作权等,请点击“违规举报”。

碎片内容

直流力矩电机

wxg+ 关注
实名认证
内容提供者

该用户很懒,什么也没介绍

确认删除?
VIP
微信客服
  • 扫码咨询
会员Q群
  • 会员专属群点击这里加入QQ群
客服邮箱
回到顶部