电脑桌面
添加小米粒文库到电脑桌面
安装后可以在桌面快捷访问

和利时K系列模块接线VIP免费

和利时K系列模块接线_第1页
1/10
和利时K系列模块接线_第2页
2/10
和利时K系列模块接线_第3页
3/10
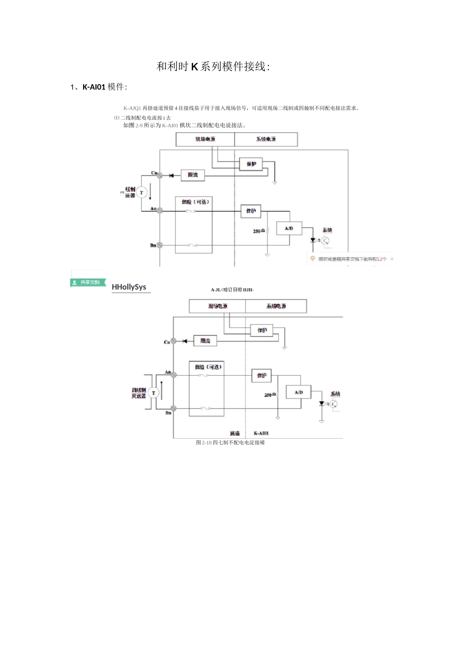
和利时K系列模件接线:1、K-AI01模件:K-AJQ1再掛迪道预留4往接线茄子用于接入现场倍号,可适用现场二线制或四蝕制不同配电接法需求。⑴二线制配电电流按i去如團2-9所示为K-AI01棋坎二线制配电电说接法。3TEHHollySysA-JL<唸订日坦IIJII-图2-10四七制不配电电淀接確二级制症送SSOLOo四线制$snOiiiEWtSS♦Q电:171别柏内硒逍线垃1紈融也K湘2H2、K-AO01模件接线::QDOC>C”DOOC(|Z3^M|9>9r-AQAh_ZwWH«B•5«o❺3«8•g»o39理弋9E®Q4AQl9Si»Drj追3]翻延壬豆如下我痢El;T-::碇|K-AODLr■■■■■■!■a-Ja-a■■■■■■■■«■'i®2-2K-AO01□电路原理示巨團3、KDI01模件接线:HHollySysK-IDD116期卫甜蹴畝齐產输岀悝妆低川说B憐U口期2014-04-3&闻2-7搖口电路原窪不总圏〔立即绒蓋端子扳趾役斷开展认人毗时,P足圧比姑.常开粒点峻Cn.fDPn,常闭蝕’VI■不按留底座上24*怙VD匪按和沖IVI■炬规如禺二去圏"所示+卅冉电咼I彗址乜屛?.d£Cn.fflF个人中心会员中心至巒幵惓誌LJ^―@-c£v<>■h怦•■PTTWI[ICKWl闭宁触灼帚:出端于按线示慝圉4、K-DO01模件接线:h口血抵懂J2.子xKftifeJiiasft礼Ifr-BCSJL5.ICrBCSBfi-"P*HCH咽址BJ2,2E:-DCTOt底唾诉观接1』示怎固K-DQTO1底扯鬧斤千按I丨的古■盜WlF:■1牛B4蛀殴式建撰31.出来述糕眦决:■2-Mmoles阳來连接2俎IABUE.与戡真谢器相应针」JNs蟻匚■4拉取带搜站端子『楠色h用来娜淅电源利辅助电•画的接黑端.M适哽不同燙型欖块的襦頼・1牛站肿扯瑚红任・用坐设餐眄施块的臥拈地址*与監式雀桂器相碗卅厠崔按.■i用来限花巳诉外供屯电;c■1个DB3了摘头・用十外按DBNfl(刮吐绩.与箱于K-D限时輛赠共享:丈档卞歸权E2个1.戏措巔红蚊子反甩香后于2.搭战针J规拌武统瓯子疑电祿诙于<唱谆箔亦tj5.DB370E口6-P&?7fen7.通迫帝环打m2-5E-DORJOI接11示恿脚呂共亭丈档K-4HHollySys■SC-刃44井联兀汆示息冈如图4・)所笳礙广板的M个冗氽的DB37怖唯,通过两根DB37涣帕电缆分SI'jW^K-DOTOl底祖接.实规并联兀余输HU◎限務臆关享文档下瑞拟12个x4-5..-1>|PH2-7按I】电路廉埋不息图m2-8十触虑输出接II电HHollySysK30616対T2£VDC坡、;塔开千塔开千ftftn常闭干枚常闭干枚aVvnvn(2)干傩点.常开或莒闭连接瑞了板跳线斯开《默认),此时・P足公共町常开CnftPii.希肚傩点恢6申Ph.VR.VI•不按线,底座上:4\々・VH短按和二47・、5•垣按。如圈二书、图:>9所示.RI>9于觀点输出缁于按线示恿田015屛姦层屛姦层016VU*vn015016VU*vn5、K-RTD01模件接线:Z-5.2三馥制RTD接法岱轶:竺1^aww¥12-11況触点输出绻子摧竣示盘團如图2-3出小人IK-RID01檯垠二线制RTD01;匕搖肚111路|礼RTD0二2-MRE崔:B占沁耳飪短誉N2-2两録忙RTO瘙认茁皿□nI令员切'ZU^U-U1-Z^HH^jpcxx^^cxx^丄:坂児屏疏奈5三找IWITD工?e>0EOr%?槽卷fP®e9□Ds0g9c3®?尋灵9E0■AftS0J•cAcAtk¥x.4fi.E0CJ•;'兀电龙!'•也0DCS旬".hki-h机中内通吨线顼乍韭屋痕胞肚渣纂四红剧f?TDJT孕隈对轄is*圧j下载厠F-6、K-TC01模件接线:2.5.2连接空伏信号FZJTi'|111」11nX111III"HiVD1:K-TC01AJ2.5.1连转捷电燼信号如團《所不,九黒电愣信号韦氓乓酱團。如團2J所示」为至试信号接戏电晤團。左至:K-TCtIL.,囹2-3奎伏信号现圾松無试能,万便使用。现场按蛛如图2--所示』頁个按蛛端子定冥见表2-1^損址电球瑕做巴筑tvAFit意;电號屏就医在:|茨切单端梧地F机柜內邇潼屏抵层扶地iE沆兼

1、当您付费下载文档后,您只拥有了使用权限,并不意味着购买了版权,文档只能用于自身使用,不得用于其他商业用途(如 [转卖]进行直接盈利或[编辑后售卖]进行间接盈利)。
2、本站所有内容均由合作方或网友上传,本站不对文档的完整性、权威性及其观点立场正确性做任何保证或承诺!文档内容仅供研究参考,付费前请自行鉴别。
3、如文档内容存在违规,或者侵犯商业秘密、侵犯著作权等,请点击“违规举报”。

碎片内容

和利时K系列模块接线

wxg+ 关注
实名认证
内容提供者

该用户很懒,什么也没介绍

相关文档

确认删除?
VIP
微信客服
  • 扫码咨询
会员Q群
  • 会员专属群点击这里加入QQ群
客服邮箱
回到顶部