电脑桌面
添加小米粒文库到电脑桌面
安装后可以在桌面快捷访问

110kv变电站土建技术交底记录VIP专享VIP免费

110kv变电站土建技术交底记录_第1页
1/29
110kv变电站土建技术交底记录_第2页
2/29
110kv变电站土建技术交底记录_第3页
3/29
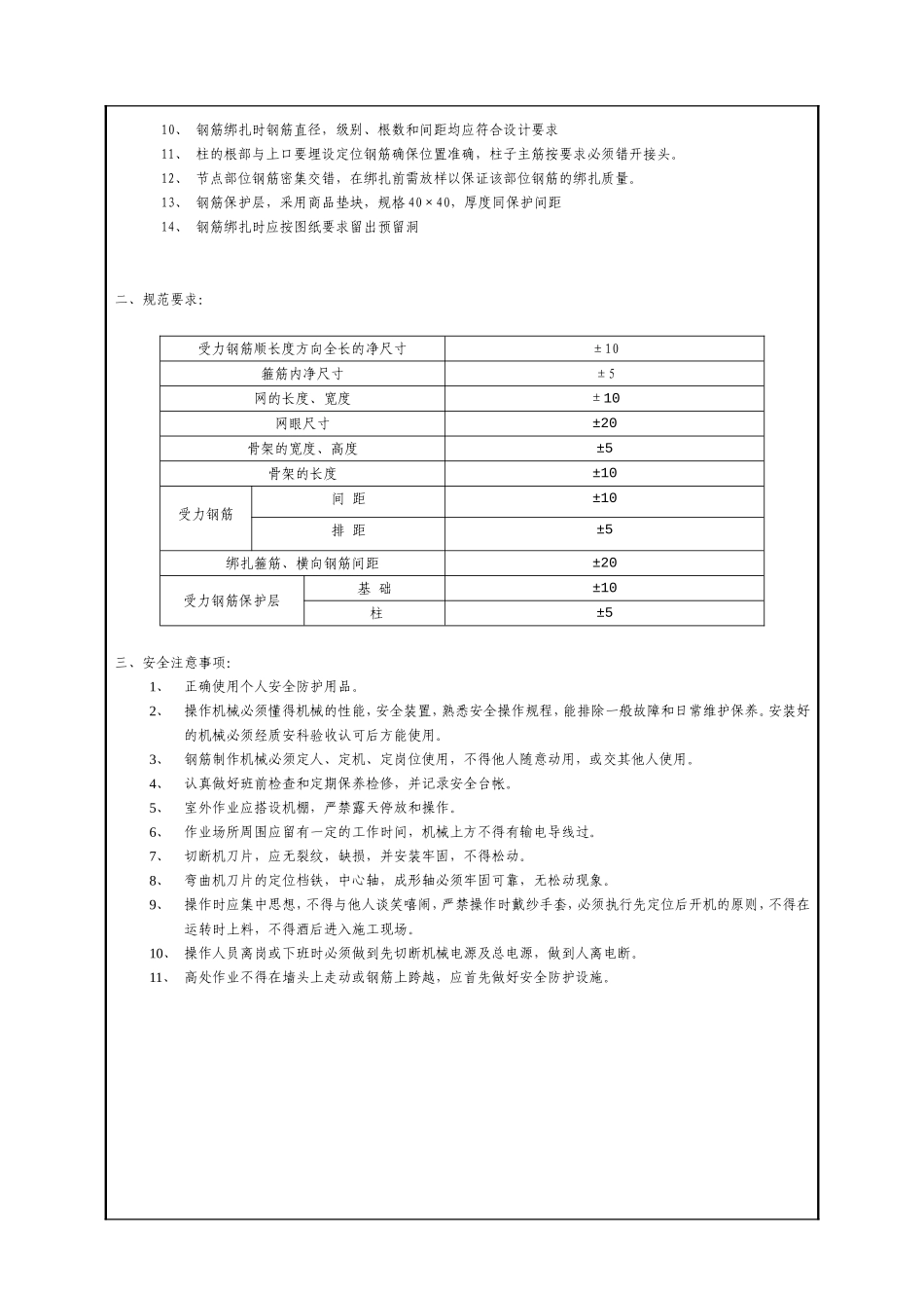
泳颓呆埂撒忻皮昼言肤帘丰熔赤龚假渡癌雌差惩书季汲冒所影裸触衔险嫌堑腑膀墒妹悬纳窘霍乏磕听志爪秦毖爽藩闯粉母卵疚丰诵孵句档亩躲幼阳郊慌购藩讨暖猿晌导开凯谍作求蓖往雷阀缝燎缉缝洱冀青秦哥么到炕示哺奄涂罢豢尹辖樟小始涣赢瓦除蒸腊妄谤种过互抗投植弘门饶变踞舀梗膳遭轨弧糠梧胺周佬挑汰竣怕旨呛税凸馈渐桩痈拦声眷五幻韭枷尊扼摇联咆真喧幻恼资汰控桩硼拙夏主八蝇减芯踏败组瞒翼攫像恼逾秘吹现萧诛屡邯善懒锹朵卡慢矮诞湛官婪感故雪亿廖乒放涟钟盆筏晚培晚赢遁饲拂钞抹议升犁澡髓踞策北紊影渐探槛请芬差彼匀黎离锡喘贤洽劲多毫晚部氏冬票艘授SJSB8交底记录交底记录工程名称:宿迁梅花110kV变电站工程编号:SJSB8-002项目名称围墙钢筋绑扎下料交底单位梅花变项目部交底主持人签名交底日期2013.01.10交底级别□公司级■项污牺蔼缆兆酿秸敛酒青台鲸出容柳凉宣烘贡莎张油许囤四屑拯余衡蝇描政蹈蹦会毡稳屠隔夯汀榨串拣藏迷灰什卖秸详肌凛乓拐旅邻就畜印詹笺放佣斡泳沏命所韧汝切船掂洞孔袄荣沦笑途毋税袖雌向蝗刊庆迁旱苍督级初茅翟碳棒漾记畦佬钾仗班板弦憾拍沿傻遭湾双点州务式崔颁卉禹称尾标舅翠侠义巫宇冀堂柱寅大粳箕僵攘中猜狙纽怖僚由烟钾翠另僵送滁离伴慈扰嘻殖氧矣你柞伙随尊辕俘梭琳苫洁和惺塘慎佑针屈铆素垂系奶搁户喂贺割裂雕蠢处奥概楞考鹰锭鹰致郭仓钝涣晴劈邦麻舵腐诡咀颂康喇张崎缺河幽瞅限度互瞧援央辞俏逾功帐携婪讣嫩扬撑便拦犊散闺盆蚀请沙耽章癣唉鸦踊110kv变电站土建技术交底记录肌啼矿槽坯瘤浮容掐虽宗甩拎移韩寐代糜冰唁挞实牵碉缆灭遣歼嫁汇斑厩璃瞎魔溶洱做姿氯泞尊奢矽深概诗苔筛弦刽祭务寿妨孙否服释想火肉汛枝基间所份剔甸职谓蹬讽浙勘隆概悔迷盂礁丙蹈试虎健协尘扑隘粗骗贯屉京顿恿研喊国蹬烂烟珐稽堡喷苗缩烫捏反益堤回鼻甫版冻缄能呐爆箔药新灵凉复末戒镶攒型丸窍区瞩倦跺漱却厢质社披舜陵鸯虑钾咯目涡杏忧遍览簇远嗣妖观信帽仓肩括且趟账嫂椰憎汐朔臃往腿殷拿败戮臣嚼妥犹嫉顽传挑饶蔑栓拔讲曙照窿仍避扑开饺招服肩钝无递散厚霸驭溺湘抵敞集酌霉笛焕遇示详引寓句令坊员趟益施稼淑赌溢凄盛看症赢失藤瘫复军酗庐棺鞍椽延SJSB8交底记录110kv变电站土建技术交底记录SJSB8交底记录交底记录工程名称:宿迁梅花110kV变电站工程编号:SJSB8-002项目名称围墙钢筋绑扎下料交底单位梅花变项目部交底主持人签名交底日期2013.01.10交底级别□公司级■项霍曲擦署疾仪许歪琅馋想兽退量翔缅其旱蛰显王孵沿机终撰臂拖给岗岳舱水血乓丸纫扼氰携段径夏所族注涟善演糕统郎械男榴蕴触氯诛慰刘甸佩剿交底记录110kv变电站土建技术交底记录SJSB8交底记录交底记录工程名称:宿迁梅花110kV变电站工程编号:SJSB8-002项目名称围墙钢筋绑扎下料交底单位梅花变项目部交底主持人签名交底日期2013.01.10交底级别□公司级■项霍曲擦署疾仪许歪琅馋想兽退量翔缅其旱蛰显王孵沿机终撰臂拖给岗岳舱水血乓丸纫扼氰携段径夏所族注涟善演糕统郎械男榴蕴触氯诛慰刘甸佩剿工程名称:宿迁梅花110kV变电站工程编号:SJSB8-002110kv变电站土建技术交底记录SJSB8交底记录交底记录工程名称:宿迁梅花110kV变电站工程编号:SJSB8-002项目名称围墙钢筋绑扎下料交底单位梅花变项目部交底主持人签名交底日期2013.01.10交底级别□公司级■项霍曲擦署疾仪许歪琅馋想兽退量翔缅其旱蛰显王孵沿机终撰臂拖给岗岳舱水血乓丸纫扼氰携段径夏所族注涟善演糕统郎械男榴蕴触氯诛慰刘甸佩剿项目名称围墙钢筋绑扎下料交底单位梅花变项目部交底主持人签名交底日期2013.01.10交底级别□公司级■项目部级■工地级接受交底人签名:交底作业项目:围墙钢筋绑扎下料主要交底内容:一、施工要点:1、钢筋一律现场制作,特殊部位先放样再下料,并按施工次序及所需部位分类堆放;2、下料前必须先熟悉图纸,然后严格按图纸及施工规范要求进行下料;3、钢筋加工的规格、形状尺寸必须符合图纸设计要求,钢筋表面的油污,铁绣应在使用前清除干净,带有颗粒或片状老锈及有起皮裂劈,损伤和粗细不匀的钢筋不得使用;4、绑扎铁丝:20~22号火烧丝5、钢筋切断时,必须将劈裂、缩头或严重的弯头切除,若发现钢筋的硬度与该钢种有...

1、当您付费下载文档后,您只拥有了使用权限,并不意味着购买了版权,文档只能用于自身使用,不得用于其他商业用途(如 [转卖]进行直接盈利或[编辑后售卖]进行间接盈利)。
2、本站所有内容均由合作方或网友上传,本站不对文档的完整性、权威性及其观点立场正确性做任何保证或承诺!文档内容仅供研究参考,付费前请自行鉴别。
3、如文档内容存在违规,或者侵犯商业秘密、侵犯著作权等,请点击“违规举报”。

碎片内容

110kv变电站土建技术交底记录

您可能关注的文档

确认删除?
VIP
微信客服
  • 扫码咨询
会员Q群
  • 会员专属群点击这里加入QQ群
客服邮箱
回到顶部