电脑桌面
添加小米粒文库到电脑桌面
安装后可以在桌面快捷访问

2#锅炉汽包吊装施工技术措施VIP专享VIP免费

2#锅炉汽包吊装施工技术措施_第1页
1/8
2#锅炉汽包吊装施工技术措施_第2页
2/8
2#锅炉汽包吊装施工技术措施_第3页
3/8
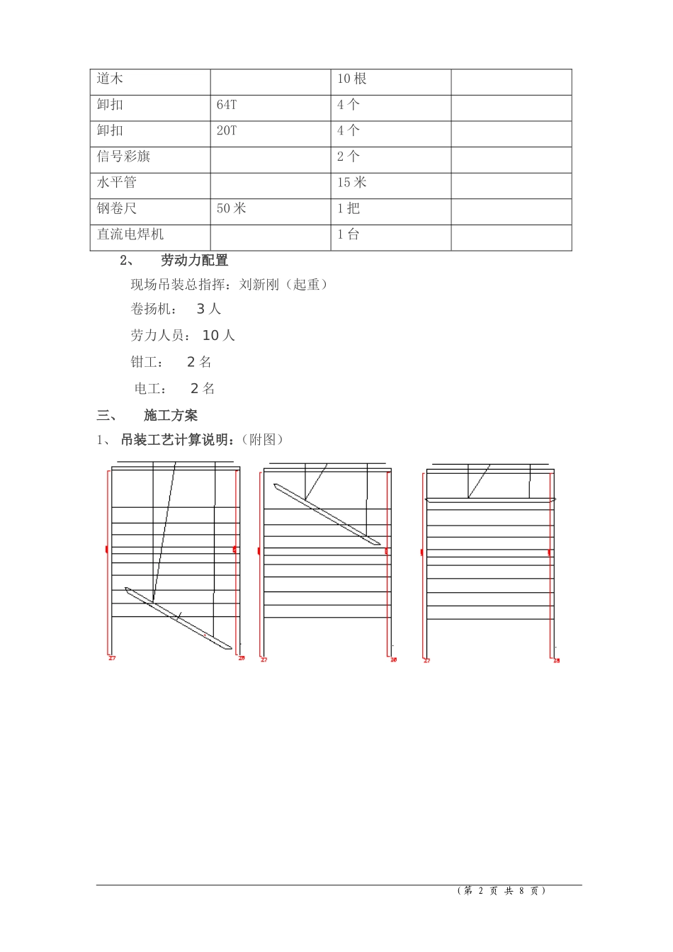
一、概况介绍:淄博齐翔腾达化工股份有限公司2×240T/h循环流化床锅炉,汽包设计内径为φ1600mm,壁厚100mm,全长12900mm,中间直段长10740mm,锅筒材质为P355GH,锅筒重量55683.5kg。吊架为链片式结构,两组共重7200Kg,汽包总重为62883.5Kg(不包括汽包内部装置重量2843.4㎏)。汽包悬吊于顶板梁的下方位于Z1-Z2之间,安装标高42000mm,锅筒中心距Z1—Z3柱中心距离为1807㎜。汽包总长比两侧横梁间距离多出350mm。汽包吊装前,拆除汽包内部装置中的汽水分离器。汽包起吊重量计算:锅筒及链板重量计为63t,两个64t动滑轮重量:2T,钢丝绳φ39mm(6×37+1)80米,重0.4t,φ32mm(6×37+1)1600米,重:2.9T。汽包实际起重量为66.3T,计算时按67T计算。汽包的吊装是由一台10t卷扬机牵引一套64t滑轮组吊汽包右侧,一台10T卷扬机牵引一套64T滑轮组吊汽包左侧;汽包一侧抬高,向上倾斜的角度理论计算值约为30°。两套滑轮组同时起吊,将汽包吊至安装标高4000mm处调整汽包位置和高度,穿吊挂并将汽包就位。汽包水平运输通道及放置点需清理、平整,汽包吊装区域场地需平整压实,以便汽包卸车、放置用;作业场地施工通道的照明应满足要求。二、资源的配置1、机具选择:名称规格数量备注滑轮64T4个H64×6D型滑轮32T2单轮滑10T10个钢丝绳6×37-Φ3960米钢丝绳6×37-Φ24800米1#10吨卷扬机钢丝绳6×37-Φ24800米2#10吨卷扬机钢丝绳6×37-Φ21400米3#5吨卷扬机U型绳卡Φ4014个U型绳卡Φ2520个U型绳卡Φ2250个卷扬机10T2台卷扬机5T1台倒链5T4台(第1页共8页)道木10根卸扣64T4个卸扣20T4个信号彩旗2个水平管15米钢卷尺50米1把直流电焊机1台2、劳动力配置现场吊装总指挥:刘新刚(起重)卷扬机:3人劳力人员:10人钳工:2名电工:2名三、施工方案1、吊装工艺计算说明:(附图)(第2页共8页)(第3页共8页)1.1卷扬机受力分析计算⑴设定不平衡系数1.1,动载荷系数1.1汽包吊装动载荷67×1.1×1.1=81吨⑵两卷扬机滑轮组受力分别为:设定两吊装点距离两侧各为3.8米,则两吊点间距离为5.3米,另设d为汽包直径,h为吊点与汽包表面距离设为250mm。则F1:高端受力的垂直分力;F2:低端受力的垂直分力;a:低端吊点与汽包重心的水平距离a=×cos30°+(+h)×sin30°=3.39mb:高端吊点与汽包重心的水平距离b=×cos30°-(+h)×sin30°=2.24mF1=G×=81×=48.78吨F2=G-F1=81-48.78=32.22吨⑶滑轮组跑绳受力S1=F1/12(六轮滑车组受力分配)×0.8=5.08吨,按钢丝绳6×37-(第4页共8页)Φ24的破断拉力为Pb=29.4吨计算,安全系数K1=29.4吨/5.08=5.8倍;S2=F2/12(六轮滑车组受力分配)×0.8=3.356吨,K1=29.4吨/3.356=8.76倍;满足安全吊装要求,可选用6×37-Φ24钢丝绳。⑷卷扬机选用:(卷扬机额定负荷为80%)1#卷扬机5.08吨<10吨×0.82#卷扬机3.356吨<10吨×0.8故两台10吨卷扬机均满足要求。1.2吊装横梁设计临时吊装梁采用钢梁做横梁,用于拴挂滑轮,吊装梁支腿(Φ273管子)高度为1.0米,每根支腿用两根Ι10工字钢做斜撑加固,横梁采用600×400钢梁。(附图)1.3刚丝绳受力分析捆绑绳设在汽包两侧采用缠绕式栓挂,采用6×37-Φ39钢丝绳捆绑4圈(8股),分别用卡环锁死抽头。捆绑处受力F3=48.78+5.08+2.9=56.76吨,单股受力7.095吨,选择钢丝绳Φ39破断力为71吨,安全系数为K=71/6.73=10倍。故满足吊装要求。2、施工准备2.1技术准备2.1.1编制依据中的图纸及规程齐全。2.1.2锅炉钢结构已安装完毕,钢结构整体验收合格。2.1.3汽包检查各项指标合格。2.1.4汽包中心线已划出明显标志。(第5页共8页)2.1.5起吊用具经检查全部合格。3、作业顺序,方法及要求3.1作业流程汽包吊装装置布置→汽包卸车→汽包检查、划线→汽包吊装→汽包调整水平→汽包吊杆安装→汽包安装找正3.2作业内容、方法及要求3.2.1汽包吊装装置布置汽包吊装装置主要由2台10t卷扬机、1台5t卷扬机、4只64t滑轮组(6轮滑轮)、2只32t滑轮组、支撑吊装结构等组成。三台卷扬机布置在2#锅炉北侧33米零米地面,此处设置地锚用于固定卷扬机,三个滑轮组捆绑在支撑吊装结构的临时梁上。卷扬机与地锚用¢24钢丝绳连接固定,钢丝绳与卷扬机支座间塞入木板或管皮以防止棱...

1、当您付费下载文档后,您只拥有了使用权限,并不意味着购买了版权,文档只能用于自身使用,不得用于其他商业用途(如 [转卖]进行直接盈利或[编辑后售卖]进行间接盈利)。
2、本站所有内容均由合作方或网友上传,本站不对文档的完整性、权威性及其观点立场正确性做任何保证或承诺!文档内容仅供研究参考,付费前请自行鉴别。
3、如文档内容存在违规,或者侵犯商业秘密、侵犯著作权等,请点击“违规举报”。

碎片内容

2#锅炉汽包吊装施工技术措施

您可能关注的文档

确认删除?
VIP
微信客服
  • 扫码咨询
会员Q群
  • 会员专属群点击这里加入QQ群
客服邮箱
回到顶部