电脑桌面
添加小米粒文库到电脑桌面
安装后可以在桌面快捷访问

(3)单位及网控设备安装分部验评VIP免费

(3)单位及网控设备安装分部验评_第1页
1/14
(3)单位及网控设备安装分部验评_第2页
2/14
(3)单位及网控设备安装分部验评_第3页
3/14
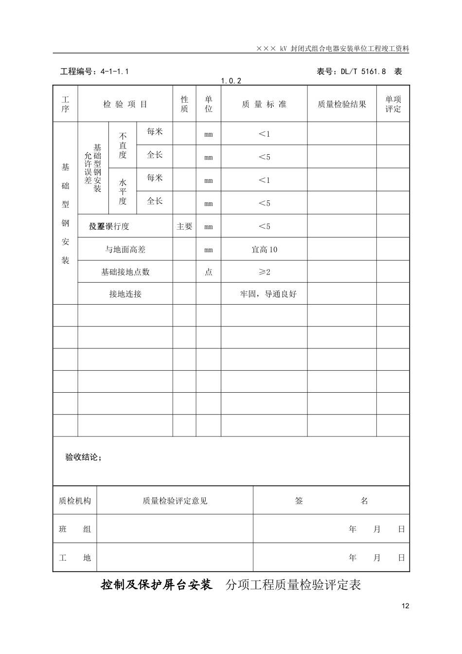
×××kV封闭式组合电器安装单位工程竣工资料×××kV封闭式组合电器安装单位工程质量验收评定表工程编号:4表号:DL/T5161.1表4.0.3序号分部工程名称评定结果备注1控制及直流系统设备安装2封闭式组合电器检查安装3封闭式组合电器配套设备安装4封闭式组合电器控制设备安装10×××kV封闭式组合电器带电试运应有资料份实有资料份资料核查结论有未因施工的原因造成设备严重损坏有未发生过因接地及短路事故造成设备严重损坏有未发生过电动机烧毁事故分部试运中,有未因电气的原因而造成设备严重损坏验收结论:质检机构质量验收评定意见签名工地年月日质检部年月日监理年月日建设单位年月日控制及直流系统设备安装分部工程质量验收评定表10×××kV封闭式组合电器安装单位工程竣工资料工程编号:4-1表号:DL/T5161.1表4.0.2序号分项工程名称性质评定结果备注1控制及保护屏台安装1盘、柜基础安装2控制及保护屏台安装2直流屏及充电设备安装3二次回路检查及接线4蓄电池安装1蓄电池台架安装2蓄电池安装5充放电及容量测定主要1铅酸蓄电池充、放电2镉镍碱性蓄电池充、放电验收结论:质检机构质量验收评定意见签名工地年月日质检部年月日监理年月日建设单位年月日盘、柜基础安装分项工程质量检验评定表11×××kV封闭式组合电器安装单位工程竣工资料工程编号:4-1-1.1表号:DL/T5161.8表1.0.2工序检验项目性质单位质量标准质量检验结果单项评定基础型钢安装基础型钢安装允许误差不直度每米mm<1全长mm<5水平度每米mm<1全长mm<5位置误差及不平行度主要mm<5与地面高差mm宜高10基础接地点数点≥2接地连接牢固,导通良好验收结论;质检机构质量检验评定意见签名班组年月日工地年月日控制及保护屏台安装分项工程质量检验评定表12×××kV封闭式组合电器安装单位工程竣工资料工程编号:4-1-1.2表号:DL/T5161.8表5.0.2工序检验项目性质单位质量标准质量检验结果单项评定屏台就位找正安装位置主要按设计规定垂直度误差(每米)主要㎜<1.5水平误差相邻两盘顶部㎜<2成列盘顶部㎜<5盘面误差相邻两盘边㎜<1成列盘面㎜<5盘间接缝㎜<2屏台固定固定连接主要牢固紧固件检查完好、齐全、紧固紧固件表面处理镀锌屏台接地底架与基础间接触主要牢固,导通良好有防震垫的盘接地每段盘有两点以上明显接地装有电器可开启屏门的接地用软铜导线可靠接地屏台设备检查盘面检查平整、齐全设备及附件检查主要按设计规定设备外观检查完好,无损伤电器元件固定牢固盘上标志正确齐全、清晰、不易脱色安全距离电气间隙㎜按GB50171-1992中表3.0.6规定爬电距离㎜控制及保护屏台安装分项工程质量检验评定表13×××kV封闭式组合电器安装单位工程竣工资料工程编号:4-1-1.2表号:DL/T5161.8表5.0.2续工序检验项目性质单位质量标准质量检验结果单项评定小母线安装检查铜棒或铜管直径㎜≥6安装间距电气间隙mm≥12爬电距离mm≥20固定牢固平直度无局部扭曲接触面处理搪锡母线标志正确清晰、不易脱色验收结论:质检机构质量检验评定意见签名班组年月日工地年月日直流及充电设备安装分项工程质量检验评定表工程编号:4-1-2表号:DL/T5161.13表2.0.214×××kV封闭式组合电器安装单位工程竣工资料工序检验项目性质单位质量标准质量检验结果单项评定柜体安装垂直度主要mm/m<1.5柜间缝隙mm<2水平误差mm<5固定方式螺接固定牢固紧固件检查镀锌层完好,螺栓齐全、紧固螺栓露扣长度扣2~5震动场所的防震措施可靠柜体接地有防震垫的柜体接地每列盘有两点以上明显接地装有电器的可开启屏门接地用可挠导线可靠接地底架与基础接触主要导通良好柜上设备检查元件规格及数量主要按设计规定,且附件备件齐全插件板、端子扳检查无断裂、变形插接式扁平电缆电缆理顺整齐无死弯接触簧片弹性主要充足插件镀银层检查完好,清洁螺接导线检查无松动焊接导线检查主要无脱焊、碰壳、短路整流元件固定主要固定牢固,在散热器接触面上涂硅脂盘内导线检查无脱焊、短路、松动回路检查与接线按规范GB50171-92规定整流元件紧固力矩制造厂有规定N·m按制造厂规定制造厂无规定N·m按规范GBJ149-1990规定回路接线硬母线按规范GBJ149-1990规定电缆接线按规范G...

1、当您付费下载文档后,您只拥有了使用权限,并不意味着购买了版权,文档只能用于自身使用,不得用于其他商业用途(如 [转卖]进行直接盈利或[编辑后售卖]进行间接盈利)。
2、本站所有内容均由合作方或网友上传,本站不对文档的完整性、权威性及其观点立场正确性做任何保证或承诺!文档内容仅供研究参考,付费前请自行鉴别。
3、如文档内容存在违规,或者侵犯商业秘密、侵犯著作权等,请点击“违规举报”。

碎片内容

(3)单位及网控设备安装分部验评

您可能关注的文档

精品中小学文库+ 关注
实名认证
内容提供者

精品资料,应有尽有

确认删除?
VIP
微信客服
  • 扫码咨询
会员Q群
  • 会员专属群点击这里加入QQ群
客服邮箱
回到顶部