电脑桌面
添加小米粒文库到电脑桌面
安装后可以在桌面快捷访问

外墙真石漆涂料技术交流VIP专享VIP免费

外墙真石漆涂料技术交流_第1页
1/5
外墙真石漆涂料技术交流_第2页
2/5
外墙真石漆涂料技术交流_第3页
3/5
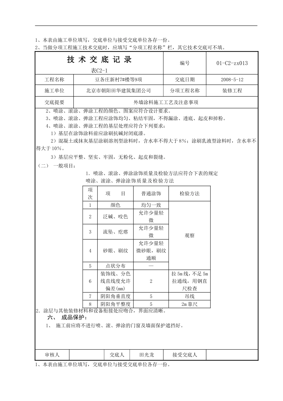
技术交底记录表C2-1编号01-C2-zx013工程名称豆各庄新村7#楼等9项交底日期2008-5-12施工单位北京市朝阳田华建筑集团公司分项工程名称装修工程交底提要外墙涂料施工工艺及注意事项交底内容:外墙涂料的颜色和部位1.首层(含阳台):灰色真石漆涂料。东、南、西、北立面2.二~六层(含阳台):喷涂、白色乳胶漆涂料东、南、西、北立面3.层间色带为灰色平涂,其它线条,均为白色平涂,具体细部结点做法参照一期一批。一、材料要求1、颜料为耐光、耐碱性好的颜料,一个工程所用的颜料应采用同一厂家,同一牌号,同一批量生产的产品,并应一次备齐。2、涂料:可采用厂家配制好的成品涂料,一个工程应采用同一厂家,同一牌号,同一批量生产的产品,并应一次备齐。二、主要机具主要机具包括:空压机1~2台(排气量0.6m3/min,工作压力6—8kg/cm2),耐压胶管(可用3/8氧气管)及接头、弹涂所用的弹涂器,软毛辊子,硬质辊子,窗纱筛,料桶,灰勺,木抹子,铁抹子,粉线包,黄蜡布或黑胶布,木靠尺,方尺,木尺等。米厘条三、作业条件1、外墙线条、外保温已做完,并验收合格。2、塑钢窗已安装好,并收口完毕。3、脚手架已搭设好。4、操作施工时,现场的温度不得低于5℃。5、外墙雨水管已安装完毕。四、操作工艺(一)工艺流程:审核人交底人田光龙接受交底人1、本表由施工单位填写,交底单位与接受交底单位各存一份。基层处理面层弹涂刷封底漆料勾缝、清缝外墙涂料2、当做分项工程施工技术交底时,应填写“分项工程名称”栏,其它技术交底可不填。技术交底记录表C2-1编号01-C2-zx013工程名称豆各庄新村7#楼等9项交底日期2008-5-12施工单位北京市朝阳田华建筑集团公司分项工程名称装修工程交底提要外墙涂料施工工艺及注意事项交底内容:(二)基层处理:将外墙面上的砂浆、混凝土浆,钢筋头清理干净。有偏差的用聚合物砂浆找平。(三)面层喷涂、滚涂:施工顺序:最好是由上往下先打底一直抹到底后。打底完毕后,再从上往下进行喷、滚、弹涂层的施工,以保证涂层的颜色一致。最后落外架子。结合厂家说明书,涂刷两遍成活。1)喷涂:开动空压机,检查高压胶管有无漏气,并将其压力稳定在0.6MPa左右。喷涂时,喷枪嘴应垂直于墙面且离开墙面30~50cm,开动气管开关,用高压空气将涂料喷吹到墙上,如果喷涂时压力有变化或室外有风天气,可适当地调整喷嘴与墙面的距离。粒状喷涂一般两遍成活,第一遍要求喷射均匀,厚度掌握在2mm左右。过1~2h再喷第二遍,并使其喷涂成活。要求喷涂颜色一致,颗粒均匀,不出浆,涂层厚度一致,总厚度控制在4~5mm。喷涂时需要厚薄、花色均匀一致。浮雕涂料的中层骨料喷涂一般一遍成活,按照样板的记录选择合适的喷枪口径、压力和距离,来达到样板的浮雕花纹效果。两成干时,也可用硬质塑料或橡胶辊沾汽油或二甲苯压平凸点,注意压平的力度要大小适中、保持均匀。粒状喷涂一般两遍成活,第一遍要求喷射均匀,厚度掌握在2mm左右。过1~2h再喷第二遍,并使其喷涂成活。要求喷涂颜色一致,颗粒均匀,不出浆,涂层厚度一致,总厚度控制在4~5mm。2)滚涂:操作时在辊子上蘸少许涂料后,在预涂墙面上下垂直来回滚动,应避免扭曲蛇行。滚动的遍数应注意保持墙面涂料的颜色均匀一致。(四)刷封底漆:涂刷前基面的含水率应小于10%。在基面上均匀地用喷枪喷涂或用刷子刷涂一层防潮底漆,进行封底处理,直到完全无渗色为止。以免由于基面渗色、透湿,从而污染、溶胀仿石涂料,影响施工质量。防潮底漆干透时间约60min。(五)拌制涂饰用料:石屑(或中,粗砂)、颜料分别过窗纱筛(石屑若为大颗粒时应先过3mm筛),然后分别按粒径级配,装袋存放备用。按要求涂料说明书上的配比配料,并有专人负责掌握。(六)勾缝、清缝:将缝内清理干净,要求勾缝严密。五、质量标准(一)主控项目:1、所用涂料的品种、型号和性能应符合设计要求。审核人交底人田光龙接受交底人1、本表由施工单位填写,交底单位与接受交底单位各存一份。2、当做分项工程施工技术交底时,应填写“分项工程名称”栏,其它技术交底可不填。技术交底记录表C2-1编号01-C2-zx013工程名称豆各庄新村7#楼等9项交底日期2...

1、当您付费下载文档后,您只拥有了使用权限,并不意味着购买了版权,文档只能用于自身使用,不得用于其他商业用途(如 [转卖]进行直接盈利或[编辑后售卖]进行间接盈利)。
2、本站所有内容均由合作方或网友上传,本站不对文档的完整性、权威性及其观点立场正确性做任何保证或承诺!文档内容仅供研究参考,付费前请自行鉴别。
3、如文档内容存在违规,或者侵犯商业秘密、侵犯著作权等,请点击“违规举报”。

碎片内容

外墙真石漆涂料技术交流

您可能关注的文档

确认删除?
VIP
微信客服
  • 扫码咨询
会员Q群
  • 会员专属群点击这里加入QQ群
客服邮箱
回到顶部