电脑桌面
添加小米粒文库到电脑桌面
安装后可以在桌面快捷访问

监理项目部“三整治一提高”活动工作安排VIP专享VIP免费

监理项目部“三整治一提高”活动工作安排_第1页
1/3
监理项目部“三整治一提高”活动工作安排_第2页
2/3
监理项目部“三整治一提高”活动工作安排_第3页
3/3
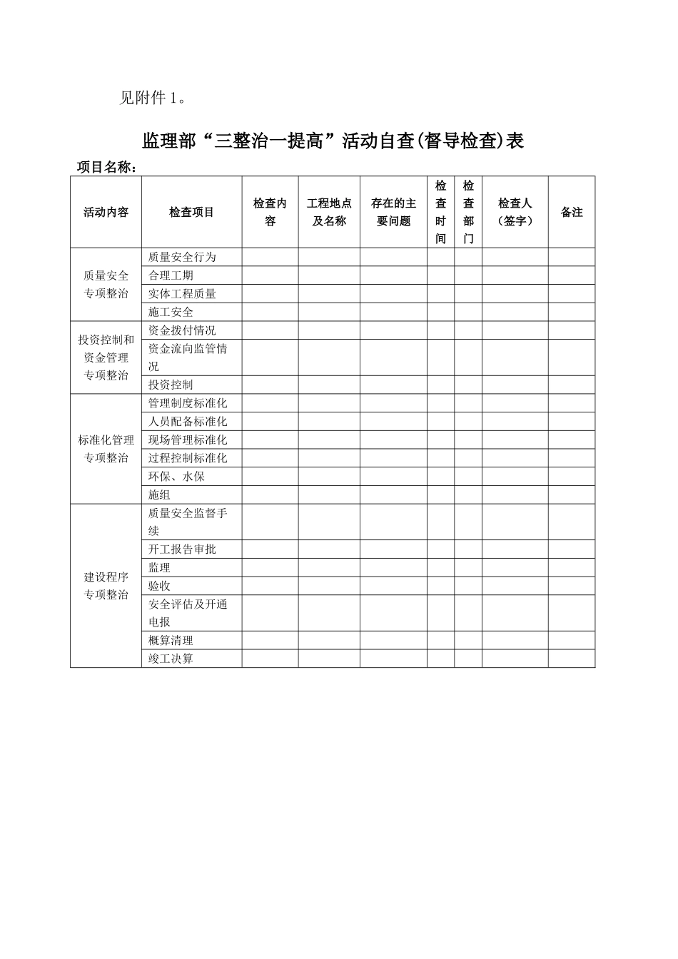
监理项目部“三整治、一提高”活动工作安排2011年4月25日“三整治、一提高”活动安排在认真学习落实《铁路局工程建设领域突出问题专项治理“三整治、一提高”活动》的安排,全面提高大马铁路在建项目的工程质量及安全管理,推进依法建设,推进铁路可持续发展,确保本年度内安全有序的施工,规范建设管理,以高度的责任和紧迫感、依法、优质、高效的工作作风,为更好的完成铁路建设任务,为实现在建工程优质,为确保专项治理活动取得实效,监理部成立活动领导小组:组长:XXX副组长:XXX组员:XXX、XXX、XXX、XXX、XXXX领导小组办公室设在监理部:联系人:XXX,手机:XXX,固定电话:XXX邮箱:XXX。负责活动安排、推进计划、情况上报、活动总结等工作。一、具体安排负责划分三个活动小组:第一组:组长:XXX(负责隧道排查、整治、推进工作)组员:XXX、XXX、XXX、XXX第二组:组长:XXX(负责一三分部路、桥、涵活动期间排查、整治、推进活动工作)组员:XXX、XXX、XXX第三组:组长:XXX、XXX(负责四五分部桥、涵活动期间排查、整治、推进活动工作)组员:XXX、XXX、XXX二、专项整治计划安排:第一阶段:各活动小组结合在建项目进行全面自查。从2011年4月20日至2011年5月5日,各活动小组结合质量安全大检查活动基础上,对照检查内容把责任落实到人,着重检查质量安全保证体系。第二阶段:从2011年5月6日至2011年9月10日为各活动小组集中整治,整治期间对自查发现的问题要求各活动小组逐一分析,制定专项整改方案,问题整改落实到责任人,明确要求整改期限,做到有专人跟踪整改,直到彻底整改销号为止。9月11日—9月30日为各活动小组整治效果和阶段小结期间。第三阶段:从2011年10月1日至2011年12月31日为各活动小组专项整治活动进行总结,对突出问题进行深入分析,从工程建设的全过程、全方位进行深查,采取有效措施,进一步完善质量安全管理规章制度和保证体系,确保进行标准化建设,依法建设及施工。专项治理活动检查表:见附件1。监理部“三整治一提高”活动自查(督导检查)表项目名称:活动内容检查项目检查内容工程地点及名称存在的主要问题检查时间检查部门检查人(签字)备注质量安全专项整治质量安全行为合理工期实体工程质量施工安全投资控制和资金管理专项整治资金拨付情况资金流向监管情况投资控制标准化管理专项整治管理制度标准化人员配备标准化现场管理标准化过程控制标准化环保、水保施组建设程序专项整治质量安全监督手续开工报告审批监理验收安全评估及开通电报概算清理竣工决算

1、当您付费下载文档后,您只拥有了使用权限,并不意味着购买了版权,文档只能用于自身使用,不得用于其他商业用途(如 [转卖]进行直接盈利或[编辑后售卖]进行间接盈利)。
2、本站所有内容均由合作方或网友上传,本站不对文档的完整性、权威性及其观点立场正确性做任何保证或承诺!文档内容仅供研究参考,付费前请自行鉴别。
3、如文档内容存在违规,或者侵犯商业秘密、侵犯著作权等,请点击“违规举报”。

碎片内容

监理项目部“三整治一提高”活动工作安排

您可能关注的文档

确认删除?
VIP
微信客服
  • 扫码咨询
会员Q群
  • 会员专属群点击这里加入QQ群
客服邮箱
回到顶部