电脑桌面
添加小米粒文库到电脑桌面
安装后可以在桌面快捷访问

施工质量检验评定核查备案表VIP免费

施工质量检验评定核查备案表_第1页
1/9
施工质量检验评定核查备案表_第2页
2/9
施工质量检验评定核查备案表_第3页
3/9
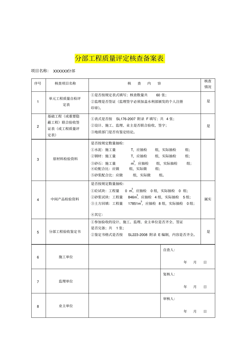
工程项目:XXXXXXXXX工程工程项目施工质量检验评定核查备案表序号核查项目名称数量核查内容核查情况1项目划分及报批文件1是否按程序报批是2单元工程质量评定表53是否按规定表式填写,签证是否齐全。是3分部工程质量评定表(评G-1)5是否按规定表式填写,签证是否齐全。是4分部工程验收鉴定书(验E)5参建各方是否签证,内容是否完整。是5单位工程质量评定表(评G-2)1参建各方是否签证。是6单位工程验收鉴定书(验F)1参建各方是否签证,内容是否完整。是7基础工程(或隐蔽工程)联合验收签证表(评F)9是否联合验收、签证,项目是否齐全。是8单位工程施工质量检验与评定资料核查表(评G-3)1是否按规定表式填写,签证是否齐全。是9单位工程外观质量评定(评A2-A5)1是否按规定表式填写,签证是否齐全。是10原材料检验资料3是否按规定数量抽检。否11中间产品检验资料9是否按规定数量抽检。否12工程实体第三方检验报告是否委托第三方检测,检测内容是否齐全。否13施工管理报告1应载明项目划分、质量评定统计、检验数据统计分析、完成工程规模和数量。是14监理报告1对上述施工管理工作中的主要内容进行核定,结论是否明确。是15设计工作报告1核查设计工作报告是否按规定内容编写,结论是否明确。是16业主单位上报意见法人代表:年月日17质量监督部门审核意见核定人:年月日项目名称:XXXXXXXXXXXX工程单位工程质量评定核查备案表序号核查项目名称核查内容核查情况1分部工程质量评定表①是否按规定的附录表G-1评定;共5张;②验收各方签证是否齐全(监理签字必须加盖个人执业印章)。是2基础工程(或重要隐蔽工程)联合验收签证表①表式是否按SL176-2007附录F填写;共5张;②设计、施工、监理、业主是否联合验收签证;是3原材料检验是否按规定数量抽检:①水泥(1组/200T):施工量170T,应抽检1组,实际抽检1组;②钢材(1组/60T):施工量2T,应抽检1组,实际抽检0组;33③砂石(1组/500m):施工量2110m,应抽检4组,实际抽检1组;④砼配合比:应做1组,实际做0组;⑤砂浆配合比:应做2组,实际做2组。属实4中间产品检验是否按规定数量抽检:33①砼试块(1组/100m):工程量43.35,应抽检1组,实际抽检0组;33②砂浆试块(1组/200m砌体)工程量640m,应抽检3组,实际抽检9组;33③土方回填(1组/200m):工程量6744m,应抽检33组,实际抽检组;④其它:属实5工程实体第三方检测报告是否委托第三方进行了关键部位检测。是6单位工程施工质量检验与评定资料核查表是否按评G-3填写,各方签证是否齐全。是7单位工程外观质量评定是否按品评A2-A5评定,签证是否齐备。是8单位工程验收鉴定书①是否按附录E编制,内容是否完整;②参建各方签字及签章是否齐全。是9施工单位自查人:年月日10监理单位复核人:年月日11业主单位审核人:年月日12核查结论核查人:核定人:年月日项目名称:XXXXXX分部分部工程质量评定核查备案表序号核查项目名称核查内容核查情况1单元工程质量自检评定表①是否按规定表式填写;核查数量共60张;②监理是否签证(监理签字必须加盖水利部颁发的个人注册印章)。是2基础工程(或重要隐蔽工程)联合验收签证表(或工程质量评定表)①表式是否按SL176-2007附录F填写;共4张;②设计、施工、监理、业主是否联合验收、签字;③地质部门是否有鉴定结论。是3原材料检验资料是否按规定数量抽检:①水泥:施工量T,应抽检组,实际抽检组;②钢材:施工量T,应抽检组,实际抽检组;3③砂石:施工量m,应抽检组,实际抽检组;④砼配合比:应做组,实际做组;⑤砂浆配合比:应做组,实际做组。4中间产品检验资料是否按规定数量抽检:3①砼试块:工程量0m,应抽检0组,实际抽检0组;3②砂浆试块:工程量846m,应抽检4组,实际抽检5组;3③土方回填:工程量17851m,应抽检8组,实际抽检0组;④其它:属实5分部工程验收鉴定书①参加验收的设计、施工、监理、业主单位是否齐全、签证是否完备;共1张;②鉴定书格式是否按SL223-2008附录E编制,内容是否齐全。是6施工单位自查人:年月日7监理单位复核人:年月日8业主单位审核人:年月日表1水工建筑物外观质量评定表核查人:9核查结论...

1、当您付费下载文档后,您只拥有了使用权限,并不意味着购买了版权,文档只能用于自身使用,不得用于其他商业用途(如 [转卖]进行直接盈利或[编辑后售卖]进行间接盈利)。
2、本站所有内容均由合作方或网友上传,本站不对文档的完整性、权威性及其观点立场正确性做任何保证或承诺!文档内容仅供研究参考,付费前请自行鉴别。
3、如文档内容存在违规,或者侵犯商业秘密、侵犯著作权等,请点击“违规举报”。

碎片内容

施工质量检验评定核查备案表

您可能关注的文档

确认删除?
VIP
微信客服
  • 扫码咨询
会员Q群
  • 会员专属群点击这里加入QQ群
客服邮箱
回到顶部