电脑桌面
添加小米粒文库到电脑桌面
安装后可以在桌面快捷访问

日本建筑学会钢筋混凝土结构计算规范结构设计说明VIP免费

日本建筑学会钢筋混凝土结构计算规范结构设计说明_第1页
1/50
日本建筑学会钢筋混凝土结构计算规范结构设计说明_第2页
2/50
日本建筑学会钢筋混凝土结构计算规范结构设计说明_第3页
3/50
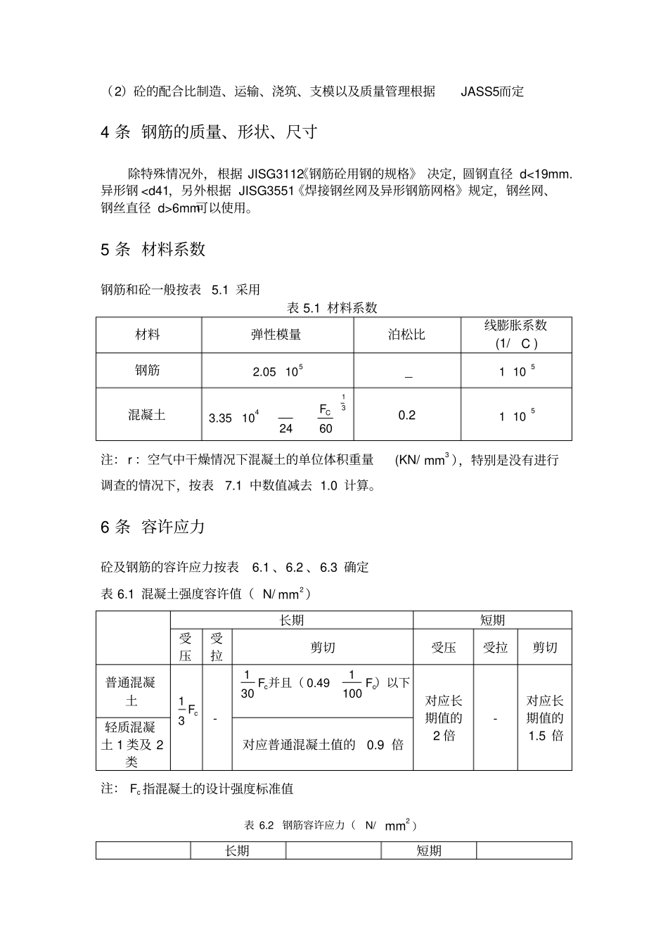
日本建筑学会钢筋混凝土结构计算规范结构设计1章总则1条目的和适用范围1、针对混凝土建筑物的损伤控制性能,确定其实用性能而使用的,其中一部分条款可以确认结构的安全性。2、本规范适用第3条件规定的混凝土结构,以及第3条砼及第4条规定使用钢筋混凝土结构的结构计算。根据特别的调查研究,能够确认与本规范具有效力的构造性能的情况下,可以把本规范的一部分要求降低。2条计量2章材料以及容许应力3条砼的种类、品质材料由以下确定:1、砼的种类和品质(1)按照本学会《建筑工程标准形式书同解说JASS5钢筋混凝土工程》(按JASS5)本学会根据JASS5而定(2)砼的配合比制造、运输、浇筑、支模以及质量管理根据JASS5而定4条钢筋的质量、形状、尺寸除特殊情况外,根据JISG3112《钢筋砼用钢的规格》决定,圆钢直径d<19mm.异形钢6mm可以使用。5条材料系数钢筋和砼一般按表5.1采用表5.1材料系数材料弹性模量泊松比线膨胀系数(1/C)钢筋52.0510_5110混凝土1343.35102460CF0.25110注:r:空气中干燥情况下混凝土的单位体积重量(KN/3mm),特别是没有进行调查的情况下,按表7.1中数值减去1.0计算。6条容许应力砼及钢筋的容许应力按表6.1、6.2、6.3确定表6.1混凝土强度容许值(N/2mm)长期短期受压受拉剪切受压受拉剪切普通混凝土c13F-cc110.4930100FF并且()以下对应长期值的2倍-对应长期值的1.5倍轻质混凝土1类及2类对应普通混凝土值的0.9倍注:cF指混凝土的设计强度标准值表6.2钢筋容许应力(N/2mm)长期短期受拉以及受压剪切加固受拉以及受压剪切加固SR235SR295155155155195235295235295SD295ASD345SD390SD490195215(195)215(195)215(195)195195195195295345390490295345390490焊接钢筋网195195295295注:*D29以上的钢筋使用()里的值**仅限于板的受拉钢筋表6.3钢筋混凝土对应的容许应力值(N/2mm)长期短期上部钢筋其它钢筋异形钢筋cc120.91575FF并且()以下cc111.351025FF并且()以下短期值对应的1.5倍圆钢c4100F并且0.9以下6100F并且1.35以下注:1)上部钢筋是指布置在受弯构件当中的布置在受弯构件下端浇筑300mm以上的混凝土时所对应的钢筋。2)cF指混凝土的设计强度标准值3)异形钢筋到异形钢筋的混凝土的保护层厚度小于1.5倍直径以下,容许粘结应力值在此表中的数值上乘以{保护层厚度/(钢筋直径1.5倍)}3章荷载及应力变形的计算7条荷载以及外来组合1、结构计算的荷载与外力以及组合根据《建筑基准法》以及建设部公告,国土交通部公告或者本学会的《建筑荷载指南同解说》、《建筑物基础结构设计指南》当中规定的实施。2、钢筋的重度根据实际情况而定,若无特别的要求,研究按表7.1确定表7.1钢筋混凝土单位体积的重量混凝土种类设计标准强度的范围(N/2mm)钢筋混凝土的单位体积重量普通混凝土cF362436cF4848cF6024.525轻量混凝土1类cF2727cF362022轻量混凝土2类cF27188条结构计算的基本要求1、构的整体及部分的应力和变形根据下述假定计算:(1)应力和应变计算一般情况下,在弹性刚性基础计算下,一般根据弹性刚性假设计算,但是考虑分析目的和各个构件的水平应力相对应的砼开裂影响,使刚度降低。材料的弹性模量按表5.1采用,但是考虑长期荷载作用产生的徐变的影响,不按此规定考虑。2、柱和梁的刚度规定(1)弯曲变形、剪切变形及轴向变形所对应的强度时,截面面积及截面惯性矩按全截面计算,这些计算如果无法忽略钢筋,则适当考虑钢筋的影响。(2)(梁上的板,板上的梁)与墙连接的柱等的T型截面的构件其弯曲变形所对应的板的有效宽度。腹板的宽度应叠加上两侧或单侧板部上共同工作部分的宽度。板部共同工作部分的宽度按8.1式或8.2式确定。a0.5,(0.50.6)aaballa0.50.1abll时,(8.1)00a0.5,(0.50.3)aaball00a10.2abll时,(8.2)两端刚接或连续梁按8.1式,简支梁按8.2式型截面构件的有效宽度)构件的变形原则上是根据弯矩和剪力产生的变形,必要条件下考虑轴向力为了简化应力计算,长细比很大的构件剪力应变可以忽略。)构件由于局部开裂造成刚度下降的影响无法忽略,应设定适当的恢复...

1、当您付费下载文档后,您只拥有了使用权限,并不意味着购买了版权,文档只能用于自身使用,不得用于其他商业用途(如 [转卖]进行直接盈利或[编辑后售卖]进行间接盈利)。
2、本站所有内容均由合作方或网友上传,本站不对文档的完整性、权威性及其观点立场正确性做任何保证或承诺!文档内容仅供研究参考,付费前请自行鉴别。
3、如文档内容存在违规,或者侵犯商业秘密、侵犯著作权等,请点击“违规举报”。

碎片内容

日本建筑学会钢筋混凝土结构计算规范结构设计说明

您可能关注的文档

确认删除?
VIP
微信客服
  • 扫码咨询
会员Q群
  • 会员专属群点击这里加入QQ群
客服邮箱
回到顶部