电脑桌面
添加小米粒文库到电脑桌面
安装后可以在桌面快捷访问

材料力学卷子大全教材VIP免费

材料力学卷子大全教材_第1页
1/24
材料力学卷子大全教材_第2页
2/24
材料力学卷子大全教材_第3页
3/24
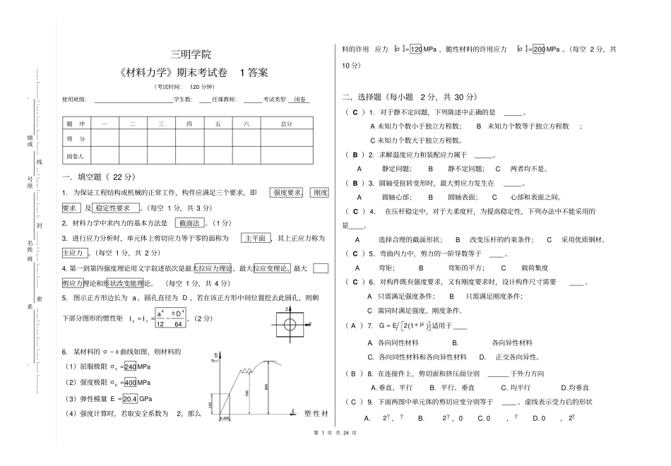
第1页共24页三明学院《材料力学》期末考试卷1答案(考试时间:120分钟)使用班级:学生数:任课教师:考试类型闭卷题序一二三四五六总分得分阅卷人一.填空题(22分)1.为保证工程结构或机械的正常工作,构件应满足三个要求,即强度要求、刚度要求及稳定性要求。(每空1分,共3分)2.材料力学中求内力的基本方法是截面法。(1分)3.进行应力分析时,单元体上剪切应力等于零的面称为主平面,其上正应力称为主应力。(每空1分,共2分)4.第一到第四强度理论用文字叙述依次是最大拉应力理论、最大拉应变理论、最大剪应力理论和形状改变能理论。(每空1分,共4分)5.图示正方形边长为a,圆孔直径为D,若在该正方形中间位置挖去此圆孔,则剩下部分图形的惯性矩yzII441264aD。(2分)6.某材料的曲线如图,则材料的(1)屈服极限s240MPa(2)强度极限b400MPa(3)弹性模量E20.4GPa(4)强度计算时,若取安全系数为2,那么塑性材料的许用应力120MPa,脆性材料的许用应力200MPa。(每空2分,共10分)二、选择题(每小题2分,共30分)(C)1.对于静不定问题,下列陈述中正确的是。A未知力个数小于独立方程数;B未知力个数等于独立方程数;C未知力个数大于独立方程数。(B)2.求解温度应力和装配应力属于。A静定问题;B静不定问题;C两者均不是。(B)3.圆轴受扭转变形时,最大剪应力发生在。A圆轴心部;B圆轴表面;C心部和表面之间。(C)4.在压杆稳定中,对于大柔度杆,为提高稳定性,下列办法中不能采用的是。A选择合理的截面形状;B改变压杆的约束条件;C采用优质钢材。(C)5.弯曲内力中,剪力的一阶导数等于。A弯矩;B弯矩的平方;C载荷集度(C)6.对构件既有强度要求,又有刚度要求时,设计构件尺寸需要。A只需满足强度条件;B只需满足刚度条件;C需同时满足强度、刚度条件。(A)7.21GE适用于A.各向同性材料B.各向异性材料C.各向同性材料和各向异性材料D.正交各向异性。(B)8.在连接件上,剪切面和挤压面分别于外力方向A.垂直、平行B.平行、垂直C.均平行D.均垂直(C)9.下面两图中单元体的剪切应变分别等于。虚线表示受力后的形状A.2,B.2,0C.0,D.0,2.系班姓名座号成绩.......................................................密....................................封................................线......................................................yz第2页共24页(B)10.如图所示结构,则其BC杆与AB杆的变形情况为。A.BC杆轴向拉伸,AB杆轴向压缩B.BC杆轴向压缩,AB杆轴向拉伸C.BC杆扭转,AB杆轴向拉伸D.BC杆轴向压缩,AB杆扭转(B)11.轴向拉伸细长杆件如图所示,_______。A.1-1、2-2面上应力皆均匀分布;B.1-1面上应力非均匀分布,2-2面上应力均匀分布;C.1-1面上应力均匀分布,2-2面上应力非均匀分布;D.1-1、2-2面上应力皆非均匀分布。(D)12.塑性材料试件拉伸试验时,在强化阶段______。A.只发生弹性变形;B.只发生塑性变形;C.只发生线弹性变形;D.弹性变形与塑性变形同时发生。(B)13.比较脆性材料的抗拉、抗剪、抗压性能:_______。A.抗拉性能抗剪性能抗压性能;B.抗拉性能抗剪性能抗压性能;C.抗拉性能抗剪性能抗压性能;D.没有可比性。(C)14.图中应力圆a、b、c表示的应力状态分别为A二向应力状态、纯剪切应力状态、三向应力状态;B单向拉应力状态、单向压应力状态、三向应力状态;C单向压应力状态、纯剪切应力状态、单向拉应力状态;D单向拉应力状态、单向压应力状态、纯剪切应力状态。(B)15.压杆临界力的大小,A与压杆所承受的轴向压力大小有关;B与压杆的柔度大小有关;C与压杆的长度大小无关;D与压杆的柔度大小无关。四.如图阶梯形钢杆的两端在CT51时被固定,杆件上下两段的面积分别是215cmA,2210cmA。当温度升高至CT252时,试求杆件各部分的温度应力。钢材的16105.12Cl,GPaE200。(10分)aa12第3页共24页解:(1)若解除一固定端,则杆的自由伸长为:TaTaTaTllllllT2(2分)(2)由于杆两端固定,所以相当于受外力F作用产生Tl的压缩,如图1所示。因此有:TaEAaFEAaFllNNT221KNAATEFlN33.33/1/1/221(4分)(...

1、当您付费下载文档后,您只拥有了使用权限,并不意味着购买了版权,文档只能用于自身使用,不得用于其他商业用途(如 [转卖]进行直接盈利或[编辑后售卖]进行间接盈利)。
2、本站所有内容均由合作方或网友上传,本站不对文档的完整性、权威性及其观点立场正确性做任何保证或承诺!文档内容仅供研究参考,付费前请自行鉴别。
3、如文档内容存在违规,或者侵犯商业秘密、侵犯著作权等,请点击“违规举报”。

碎片内容

材料力学卷子大全教材

确认删除?
VIP
微信客服
  • 扫码咨询
会员Q群
  • 会员专属群点击这里加入QQ群
客服邮箱
回到顶部