电脑桌面
添加小米粒文库到电脑桌面
安装后可以在桌面快捷访问

材料力学试卷B及答案VIP专享VIP免费

材料力学试卷B及答案_第1页
1/6
材料力学试卷B及答案_第2页
2/6
材料力学试卷B及答案_第3页
3/6
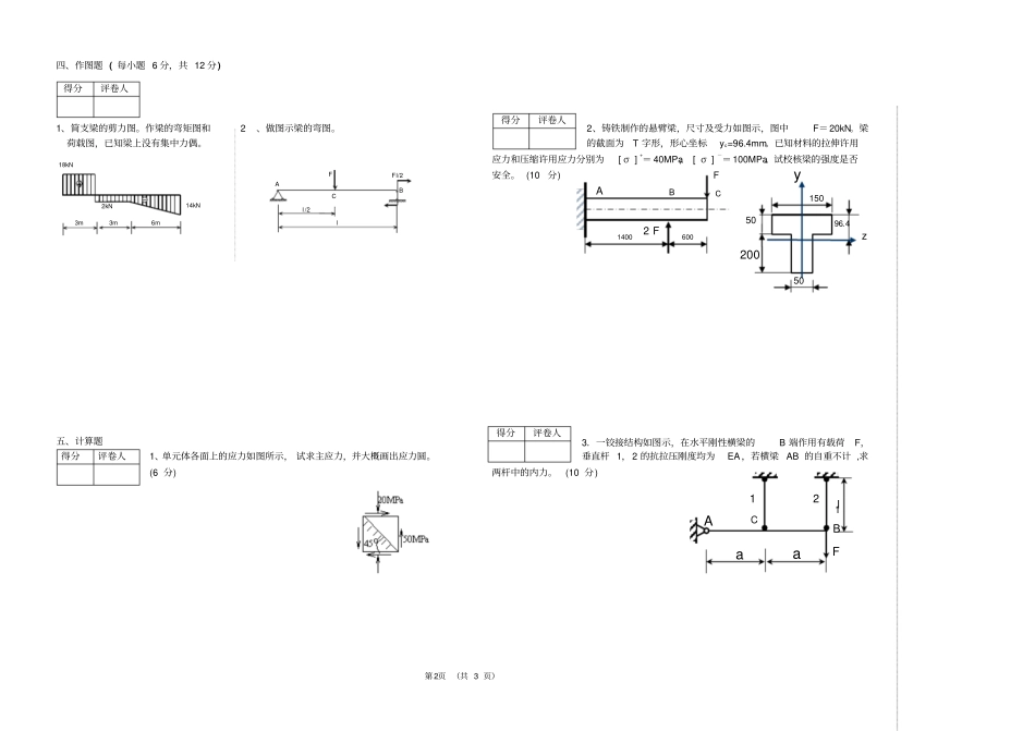
第1页(共3页)华中师范大学职业学院09-10学年二学期期末试卷课程名称:材料力学B卷考试时间:120分钟考试方式:闭卷(卷面总分100分)题号一二三四五六七八总分题分1018101250核分人得分复查人一、判断题:正确的划√,错误的划×(每小题2分,计10分)1、材料的弹性模量E是一个常量,任何情况下都等于应力和应变的比值。()2、任意构件都可以用应变能密度乘以构件体积得到构件的弹性应变能()3、由切应力互等定理,可知相互垂直平面上切应力总是大小相等,指向该两平面的交线()4、梁弯曲时中性轴必过截面的形心,中性轴是梁截面的对称轴。()5、在平面图形的几何性质中,静矩和惯性积的值可正、可负、也可为零。()二、填空题:请将正确答案写在划线内(每空2分,计18分)⒈塑性材料拉伸试验应力超过屈服极限后逐渐卸除荷载,经过短时间后重新加载其将得到提高,而变形将减小。⒉四个常用的古典强度理论的相当应力表达式分别为、、、。3.构件的刚度代表了构件抵抗的能力。4.用三种不同材料制成尺寸相同的试件,在相同的实验条件下进行拉伸试验,得到的应力—应变曲线如图示。比较三曲线,可知弹性模量最大的材料是。5.图示低碳钢拉杆的外表面上有斜线,当杆件变形时,请将杆上斜线新的位置画在图上,低碳钢的破坏是由应力引起的。三、单项选择题:请将正确答案的序号填入划线内(每小题2分,共10分)⒈低碳钢...试件扭转破坏是。A、沿横截面拉断;B、沿450螺旋面拉断;C、沿横截面剪断;D、沿450螺旋面剪断;⒉直梁横截面面积一定,试问图所示四种截面形状中,那一种抗弯能力最强。A矩形B工字形C圆形D正方形⒊设图示悬臂梁的挠曲线方程为DCxdxdxxMEI,则积分常数。.00D.;00C.;00B.;00A.DCDCDCDC4.关于理想弹塑性.....假设,下列说法正确的是。A、当应力s时,胡克定律仍然成立;B、塑性屈服后,增大载荷,应力也相应增大;C、塑性屈服后,应力不变,应变无限增大;D、进入塑性状态后卸载,应力为零,应变也为零。5.将低碳钢改为优质高强度钢后,并不能提高压杆的承压能力。提示:稳定A.细长;B.中长;C.短粗D.非短粗。得分评卷人得分评卷人得分评卷人σεoabcOqxy准考证号和姓名必须由考生本人填写△△△△△△△△△△△△△△该考场是课混考场。混编考场代号:考座准考证号姓名○○○○○(装订线内不要答题)○○○○○○△△△△△△△△△△△△△△准考证号、姓名、学院和专业必须由考生本人填写△△△△△△△△△△△△△△场代号:△△△△△△△△△△△△△△座位序号由考生本人填写位序号△△△△△△△△△△△△△△姓名学号○○○○○(装订线内不要答题)○○○○○○学院专业第2页(共3页)四、作图题(每小题6分,共12分)1、简支梁的剪力图。作梁的弯矩图和2、做图示梁的弯图。荷载图,已知梁上没有集中力偶。3m6m18kN14kN3m2kNlBl/2Fl/2FCA五、计算题1、单元体各面上的应力如图所示,试求主应力,并大概画出应力圆。(6分)2、铸铁制作的悬臂梁,尺寸及受力如图示,图中F=20kN。梁的截面为T字形,形心坐标yc=96.4mm。已知材料的拉伸许用应力和压缩许用应力分别为[σ]+=40MPa,[σ]-=100MPa。试校核梁的强度是否安全。(10分)3.一铰接结构如图示,在水平刚性横梁的B端作用有载荷F,垂直杆1,2的抗拉压刚度均为EA,若横梁AB的自重不计,求两杆中的内力。(10分)得分评卷人得分评卷人得分评卷人得分评卷人1400600FF2ACBzy15050200504.96aAB112CaFl第3页(共3页)4、一悬臂滑车架,杆AB为18号工字钢(截面面积30.6cm2,Wz=185cm3),其长度为l=2.6m。试求当荷载F=25kN作用在AB的中点处时,杆内的最大正应力。设工字钢的自重可略去不计。(10分)Bl/2F20kN300CDAl5、(14分)图中所示之压杆,其直径均为d,材料都是Q235钢,但二者长度和约束条件不相同。试:1.分析哪一根杆的临界荷载较大?2.计算d=160mm,E=206GPa时,二杆的临界荷载。得分评卷人得分评卷人m5Fd)(am9Fd)(b第4页(共3页)(材料力学)试卷B参考答案一、判断题:正确的划√,错误的划×(每小题2分,共10分)1、×2、×3、×4、×5、√二.填空题(每空2分计18分)1.强度塑性2.11r,32...

1、当您付费下载文档后,您只拥有了使用权限,并不意味着购买了版权,文档只能用于自身使用,不得用于其他商业用途(如 [转卖]进行直接盈利或[编辑后售卖]进行间接盈利)。
2、本站所有内容均由合作方或网友上传,本站不对文档的完整性、权威性及其观点立场正确性做任何保证或承诺!文档内容仅供研究参考,付费前请自行鉴别。
3、如文档内容存在违规,或者侵犯商业秘密、侵犯著作权等,请点击“违规举报”。

碎片内容

材料力学试卷B及答案

确认删除?
VIP
微信客服
  • 扫码咨询
会员Q群
  • 会员专属群点击这里加入QQ群
客服邮箱
回到顶部