电脑桌面
添加小米粒文库到电脑桌面
安装后可以在桌面快捷访问

浮法玻璃原料培训资料VIP专享VIP免费

浮法玻璃原料培训资料_第1页
1/17
浮法玻璃原料培训资料_第2页
2/17
浮法玻璃原料培训资料_第3页
3/17
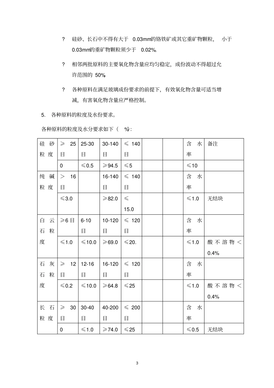
1广州南玻原料培训资料一、应知部分1.浮法玻璃(成份)主要有哪几种氧化物组成?各有什么作用?化学成份SiO2Fe2O3Al2O3CaOMgONa2O+K其它合计wt%72.250.0650.958.43.914.10.335100.001)SiO2:是玻璃的主要形成氧化物,成为玻璃中的骨架。SiO2能提高玻璃的机械强度、化学稳定性、热稳定性、透明度和粘度。含量较高时,需要较高的熔化温度,会使玻璃熔化困难,而且可能引起析晶。2)Na2O:能降低玻璃的熔化温度,是良好的助熔剂,并且能降低玻璃粘度,增加玻璃的流动性,改善玻璃的析晶性能。但Na2O能降低玻璃的机械强度、化学稳定性、热稳定性,在潮湿的环境下易使玻璃发霉,因此含量不可过高。3)CaO:能提高玻璃的机械强度、硬度和化学稳定性,在高温时能降低玻璃的粘度有利于玻璃熔化和澄清,在低温时能增加玻璃的粘度提高硬化速度。但CaO含量过高易使玻璃析晶,使玻璃发脆,降低玻璃的热稳定性。4)MgO:其作用与CaO相似,但是MgO的加入克服了CaO析晶能力强的特点,加宽了作业温度范围,有利于玻璃的成型。5)Al2O3:能提高玻璃的化学稳定性和机械强度,降低玻璃的析晶倾向和热膨胀系数,改善玻璃的热稳定性,并可减少对耐火材料的侵蚀。但Al2O3所需的熔化温度较高,因此其含量一般较低。2.浮法玻璃生产常用原料有哪几种?各引入什么氧化物?浮法玻璃生产常用原料有:硅砂、纯碱、白云石、石灰石、长石、芒硝、碳粉。铁粉硅砂主要引入SiO2;纯碱、芒硝主要引入Na2O;白云石主要引入CaO、MgO;石灰石主要引入CaO;长石主要引入Al2O3;碳粉(或煤粉)主要引入C;铁粉主要引入Fe2O323.各种原料的质量控制要求。1)原料中的化学成分稳定。2)原料中的粒度分布合理、无杂质。3)原料中的水分在允许范围内。4)外包装无污染、破损。4.各种原料工艺控制指标。各种原料有效氧化物、有害杂质含量的控制要求及每批料允许波动范围(wt%)序号名称SiO2Al2O3Fe2O3CaOMgO烧失量1硅砂成份≥99≤0.35≤0.03-0.480.4-0.5矿原稳定、运输条件方便2白云石成分≤1.5≤0.20≤0.1830-3221-22矿原稳定、运输条件方便3石灰石成分≤3.5≤0.3≤0.15≥52≤1.8矿原稳定、运输条件方便4长石成分71-7315-16≤0.32≤0.05≤0.05K+Na10-11.5矿原稳定、运输条件方便5纯碱成份Na2CO3>99、NaCl<0.46芒硝成份Na2SO4>99、NaCl≤0.357碳粉成份C≥70、灰份≤16.58铁粉成份Fe2O3>95备注:3?硅砂、长石中不得有大于0.03mm的铬铁矿或其它重矿物颗粒,小于0.03mm的重矿物颗粒须少于0.02%。?相邻两批原料的主要氧化物含量应均匀稳定,成份波动不得超过允许范围的50%。?各种原料在满足玻璃成份要求的前提下,有效氧化物含量可适当增减,有害氧化物含量应严格控制。5.各种原料的粒度及水份要求。各种原料的粒度及水分要求如下(%):硅砂粒度≥25目25-30目30-140目≤140目含水率备注0≤0.5≥94.5≤5≤10纯碱粒度>16目16-140目≤140目含水率≤3.0≥82.0≤15.0≤1.0无结块白云石粒度≥6目6-10目10-120目≤120目含水率≤1.0≤10.0≥69.0≤20.≤1.0酸不溶物<0.4%石灰石粒度≥12目12-16目16-120目≤120目含水率≤0.2≤10.0≥64.8≤25≤1.0酸不溶物<0.4%长石粒度≥30目30-40目40-200目≤200目含水率0≤1.0≥74.0≤25≤0.5无结块4芒硝粒度≥30目30-200目≤200目含水率≤1.0≥59.0≤40≤0.2煤粉粒度>10目<50目含水率≤1.0≤50.0≤5.0铁粉粒度>120目含水率≤0.02≤0.3目数与孔经尺寸对照表目数孔mm目数孔mm目数孔mm63.2102.0121.6161.25250.8300.6400.45500.3551200.1251400.1052000.0746.控制原料粒度合理分布有什么好处?1)原料粒度组成合理,可使原料化学成份波动降到最低限度。2)原料粒度组成合理,配合料混合均匀度可达最佳状态。3)原料粒度组成合理,可提高玻璃熔化率。7.为什么原料必须有一定的储量?1)受运输条件的限制,以免因运输不均衡,引起贮量不足而影响生产。2)对进厂原料的质量检验与均化的需要。3)为满足设备检修和事故停车时,下一个工序的生产连续性。4)为满足设备生产能力的平衡。8.什么是芒硝含率?其大小对玻璃的质量有何影响?芒硝含率是芒硝所引入的Na2O与芒硝和纯碱引入的Na2O总量之比,即:5芒硝含率=芒硝引入...

1、当您付费下载文档后,您只拥有了使用权限,并不意味着购买了版权,文档只能用于自身使用,不得用于其他商业用途(如 [转卖]进行直接盈利或[编辑后售卖]进行间接盈利)。
2、本站所有内容均由合作方或网友上传,本站不对文档的完整性、权威性及其观点立场正确性做任何保证或承诺!文档内容仅供研究参考,付费前请自行鉴别。
3、如文档内容存在违规,或者侵犯商业秘密、侵犯著作权等,请点击“违规举报”。

碎片内容

浮法玻璃原料培训资料

确认删除?
VIP
微信客服
  • 扫码咨询
会员Q群
  • 会员专属群点击这里加入QQ群
客服邮箱
回到顶部