电脑桌面
添加小米粒文库到电脑桌面
安装后可以在桌面快捷访问

湖南交通职业技术学院二〇〇七年一月期末考试VIP免费

湖南交通职业技术学院二〇〇七年一月期末考试_第1页
1/3
湖南交通职业技术学院二〇〇七年一月期末考试_第2页
2/3
湖南交通职业技术学院二〇〇七年一月期末考试_第3页
3/3
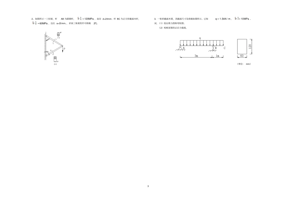
1湖南交通职业技术学院二〇〇七年一月期末考试《工程力学》试卷A卷适用班级:考试时间:100分钟一、判断题(5×2=10分)1、当施加载荷使低碳钢试件超过屈服阶段后,再卸载,则材料的比例极限将会提高。()2、杆件的轴力仅与杆件所受的外力有关,而与杆件的截面形状、材料无关。()3、静矩、惯性矩、极惯性矩可为正、可为负、也可为零。()4、弯曲变形中截面中性轴上的剪应力总是为零。()5、下图中物体的受力图是否正确。()二、单项选择题(5×3=15分)1、“二力平衡公理”和“力的可传性原理”只适用于()A、任何物体;B、固体;C、弹性体;D、刚体。2、伸长率(延伸率)公式%1001lll中的1l指的是什么?()A、实验前试件的长度;B、断裂后试件的长度;C、实验前实验段的长度;D、断裂后实验段的长度。3、若将受扭空心圆轴的内、外直径均缩小为原尺寸的一半,则该圆轴的最大剪应力是原来的()倍。A、2;B、4C、8D、164、一铆钉受力如下图所示,铆钉直径为d,钢板厚度均为t,其剪切面面积和剪力大小分别为()。A、241d和12PB、241d和PC、dt和12PD、dt和P5、结构受力如下图所示,下列结论中完全正确的为()A、qaQA43右,qaQC41;B、243qaMA,241qaMB;C、梁内最大正弯矩发生在跨中C截面,其241qaMC;D、梁内C截面上的内力为:241qaMC,qaQc41题号一二三四五六七八九合计应得分100实得分PP2三、填空题(5×3=15分)1、作用力与反作用力大小,方向,作用在。2、低碳钢拉伸可以分成:阶段,阶段,阶段,阶段。3、梁的扰曲线微分方程:EIxMdxyd)(22中,EI称为梁的它反映了梁抗弯曲变形的能力。4、大柔度压杆的临界力crP=。5、下图中所示矩形对Z轴的惯性矩ZI=。四、作下面梁的剪力图和弯矩图(10分+10分=20分)五、计算题(第一题8分,第二题12分,第三题20分,共40分)1、求下图多跨梁中支座处的约束反力。32、如图所示一三绞架,杆AB为圆钢杆,MPa1201,直径d=24mm;杆BC为正方形截面木杆,MPa602,边长a=20mm。,求该三角架的许可荷载[P]。3、一矩形截面木梁,其截面尺寸及荷载如图所示。已知mkNq/5.1,MPa10。试、(1)绘出剪力图和弯矩图;(2)校核该梁的正应力强度。(单位:mm)

1、当您付费下载文档后,您只拥有了使用权限,并不意味着购买了版权,文档只能用于自身使用,不得用于其他商业用途(如 [转卖]进行直接盈利或[编辑后售卖]进行间接盈利)。
2、本站所有内容均由合作方或网友上传,本站不对文档的完整性、权威性及其观点立场正确性做任何保证或承诺!文档内容仅供研究参考,付费前请自行鉴别。
3、如文档内容存在违规,或者侵犯商业秘密、侵犯著作权等,请点击“违规举报”。

碎片内容

湖南交通职业技术学院二〇〇七年一月期末考试

确认删除?
VIP
微信客服
  • 扫码咨询
会员Q群
  • 会员专属群点击这里加入QQ群
客服邮箱
回到顶部