电脑桌面
添加小米粒文库到电脑桌面
安装后可以在桌面快捷访问

物理化学第五版下册试题VIP免费

物理化学第五版下册试题_第1页
1/8
物理化学第五版下册试题_第2页
2/8
物理化学第五版下册试题_第3页
3/8
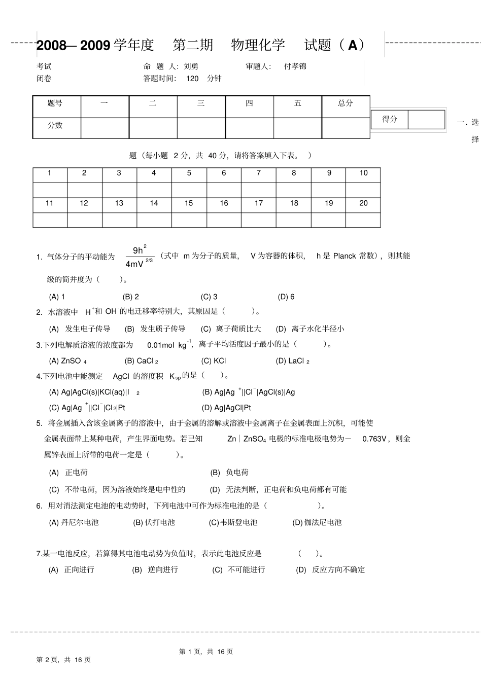
第1页,共16页第2页,共16页得分一.选择题(每小题2分,共40分,请将答案填入下表。)12345678910111213141516171819201.气体分子的平动能为22/394hmV(式中m为分子的质量,V为容器的体积,h是Planck常数),则其能级的简并度为()。(A)1(B)2(C)3(D)62.水溶液中H+和OH-的电迁移率特别大,其原因是()。(A)发生电子传导(B)发生质子传导(C)离子荷质比大(D)离子水化半径小3.下列电解质溶液的浓度都为0.01mol·kg-1,离子平均活度因子最小的是()。(A)ZnSO4(B)CaCl2(C)KCl(D)LaCl24.下列电池中能测定AgCl的溶度积Ksp的是()。(A)Ag|AgCl(s)|KCl(aq)|I2(B)Ag|Ag+||Cl-|AgCl(s)|Ag(C)Ag|Ag+||Cl-|Cl2|Pt(D)Ag|AgCl|Pt5.将金属插入含该金属离子的溶液中,由于金属的溶解或溶液中金属离子在金属表面上沉积,可能使金属表面带上某种电荷,产生界面电势。若已知Zn│ZnSO4电极的标准电极电势为-0.763V,则金属锌表面上所带的电荷一定是()。(A)正电荷(B)负电荷(C)不带电荷,因为溶液始终是电中性的(D)无法判断,正电荷和负电荷都有可能6.用对消法测定电池的电动势时,下列电池中可作为标准电池的是()。(A)丹尼尔电池(B)伏打电池(C)韦斯登电池(D)伽法尼电池7.某一电池反应,若算得其电池电动势为负值时,表示此电池反应是()。(A)正向进行(B)逆向进行(C)不可能进行(D)反应方向不确定题号一二三四五总分分数2008—2009学年度第二期物理化学试题(A)考试命题人:刘勇审题人:付孝锦闭卷答题时间:120分钟第3页,共16页第4页,共16页8.电解金属盐的水溶液时,在阴极上()。(A)还原电势愈正的粒子愈容易析出(B)还原电势与其超电势之代数和愈正的粒子愈容易析出(C)还原电势愈负的粒子愈容易析出(D)还原电势与其超电势之和愈负的粒子愈容易析出9.某反应速率常数为2.31×10-2mol-1·dm3·s-1,反应起始浓度为1.0mol·dm-3,则该反应半衰期为:()。(A)43.29s(B)15s(C)30s(D)21.65s10.复杂反应表观速率常数k与各基元反应速率常数间的关系为k=k2(k1/k4)1/2,则表观活化能与各基元活化能Ei间的关系为:()。(A)Ea=E2+2(E1-E4)(B)Ea=E2+(E1-E4)/2(C)Ea=E2+(E1-E4)1/2(D)Ea=E2(E1/E4)1/211.下列关于平行反应叙述不正确的是()。(A)平行反应的总速率等于各平行反应速率之和(B)可以改变温度调节产物的相对含量(C)生成产物浓度之比等于速率常数之比(D)活化能高的反应,速率常数的变化率大12.已知某总包反应2A+B→D+E的反应机理如下:121(1)2AG(2)G+BD+Ekkk用稳态近似法表示的反应速率rdEdt为()。(A)2GBk(B)2121ABkkk(C)21212ABBkkkk(D)2122ABBkkk13.在简单硬球碰撞理论中,温度增加反应速率提高的主要原因是()。(A)活化能降低(B)碰撞频率提高(C)活化分子数增加(D)概率因子增大14.在酶催化反应121SEESEPkkk中,当底物浓度[S]很小时,该反应对[S]来说就是()。(A)零级反应(B)一级反应(C)二级反应(D)分数级反应15.298K时两反应级数和活化能均相同的基元反应,若速率常数k1=10k2,则两反应活化熵相差()。(A)0.6J·mol-1·k-1(B)10J·mol-1·k-1(C)19J·mol-1·k-1(D)190J·mol-1·k-116.有一稀溶液反应NH4++CNO-→CO(NH2)2,根据原盐效应,当溶液总的离子强度增加时,反应速率常数k值将()。(A)变大(B)变小(C)不变(D)无确定关系17.在相同的温度及压力下,把一定体积的水分散成许多小水滴,经这一变化过程,以下性质保持不变的是()。(A)总表面能(B)比表面(C)液面下的附加压力(D)表面张力第5页,共16页第6页,共16页得分22/368ihmV得分18.298K时,苯蒸气在石墨上的吸附符合Langmuir吸附等温式,在苯蒸气压为40Pa时,覆盖率为0.05,当覆盖率为0.5时,苯蒸气的平衡压力为()。(A)400Pa(B)760Pa(C)1000Pa(D)200Pa19.由等体积的1mol·dm-3KI溶液与0.8mol·dm-3AgNO3溶液制备的AgI溶胶,分别加入下列电解质时,其聚沉能力最强的是()。(A)K3[Fe(CN)6](B)NaNO3(C)MgSO4(D)FeCl320.将大分子电解质NaR的水溶液用半透膜和水隔开,达到Donnan平衡时,膜外水的pH()。(A)大于7(B)等于7(C)小于7(D)不能确定二.判断题(每小题1分,共10分,请将答案填入下表。)123456789101.在原电池中,阴...

1、当您付费下载文档后,您只拥有了使用权限,并不意味着购买了版权,文档只能用于自身使用,不得用于其他商业用途(如 [转卖]进行直接盈利或[编辑后售卖]进行间接盈利)。
2、本站所有内容均由合作方或网友上传,本站不对文档的完整性、权威性及其观点立场正确性做任何保证或承诺!文档内容仅供研究参考,付费前请自行鉴别。
3、如文档内容存在违规,或者侵犯商业秘密、侵犯著作权等,请点击“违规举报”。

碎片内容

物理化学第五版下册试题

文库响当当+ 关注
实名认证
内容提供者

该用户很懒,什么也没介绍

确认删除?
VIP
微信客服
  • 扫码咨询
会员Q群
  • 会员专属群点击这里加入QQ群
客服邮箱
回到顶部